Heater not working

Tiny
OTIS MCCRORY
  • MEMBER
  • 2007 BUICK LUCERNE
  • 3.8L
  • 6 CYL
  • TURBO
  • 2WD
  • AUTOMATIC
  • 105,000 MILES
The heater in my car is not working, the air conditioner works just fine.
Wednesday, November 8th, 2017 AT 9:40 PM

1 Reply

Tiny
KEN L
  • MASTER CERTIFIED MECHANIC
  • 55,281 POSTS
Hello,

This sounds like you have a temperature blend door actuator that has stopped working. When this happens the door that controls the temperature stops moving from hot to cold. Here are two guides that will help us get the problem fixed. This one will give you an idea of what to expect when doing the job.

https://www.2carpros.com/articles/replace-blend-door-motor

and

https://www.2carpros.com/articles/car-heater-not-working

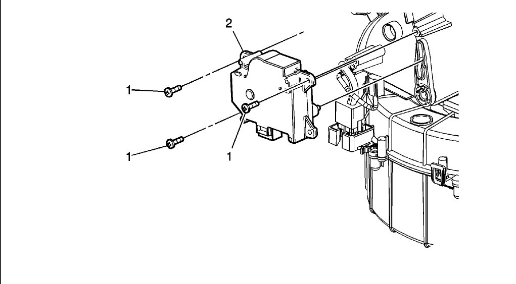
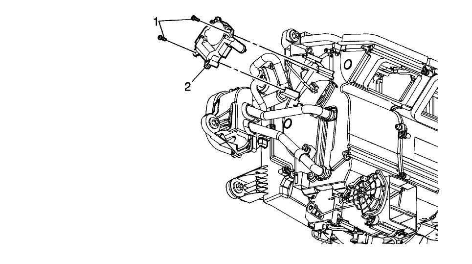
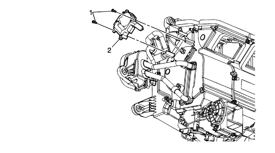
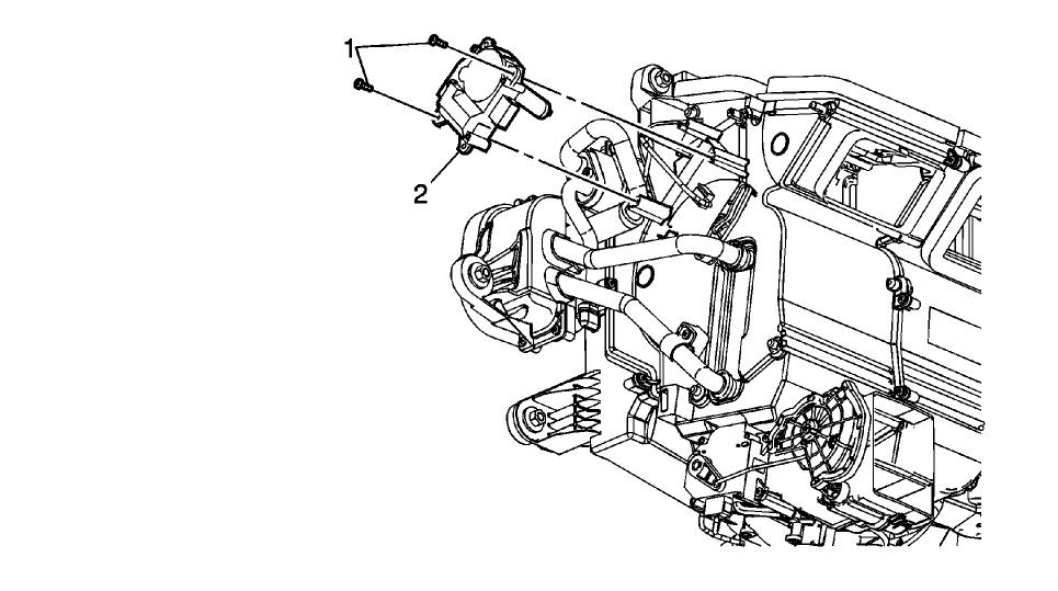
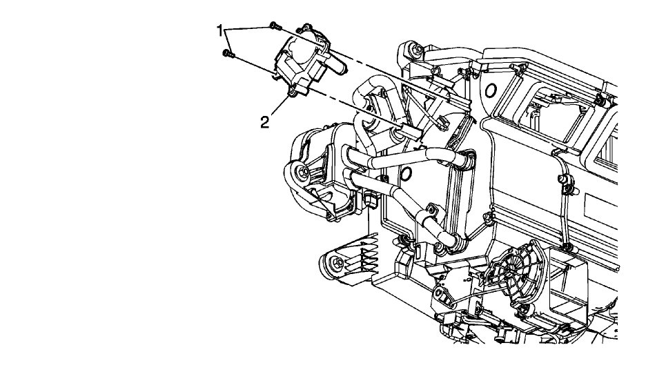
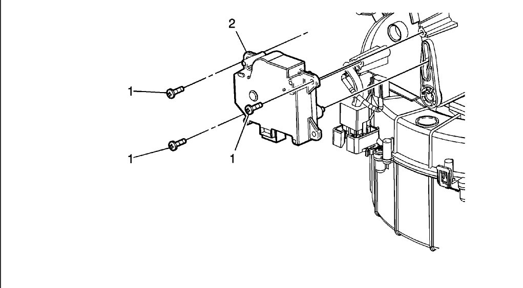
Here is how it will be like to do the repair on your car (below). Left, right, temperature and re-circulation mode actuators in this order. Non automatic systems are a little different the last diagram is the manual temperature actuator.

Let us know what happens and please upload pictures or videos of the problem.

Cheers, Ken
Was this
answer
helpful?
Yes
No
-1
Thursday, November 9th, 2017 AT 11:48 AM

Please login or register to post a reply.