How to remove the heater core?

Tiny
KERSHLARRY
  • MEMBER
  • 2000 CHEVROLET TRACKER
  • 150,000 MILES
Steps needed to remove heater core.
Saturday, August 21st, 2021 AT 11:52 AM

1 Reply

Tiny
DANNY L
  • MECHANIC
  • 5,648 POSTS
Hello, I'm Danny.

You will first need to remove coolant from the system before removal of the heater core. Here is a tutorial showing how to drain, flush, and refill the engines coolant:

https://www.2carpros.com/articles/coolant-flush-and-refill-all-cars

Here is a tutorial showing how to remove and replace a heater core:

https://www.2carpros.com/articles/replace-heater-core

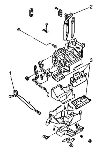
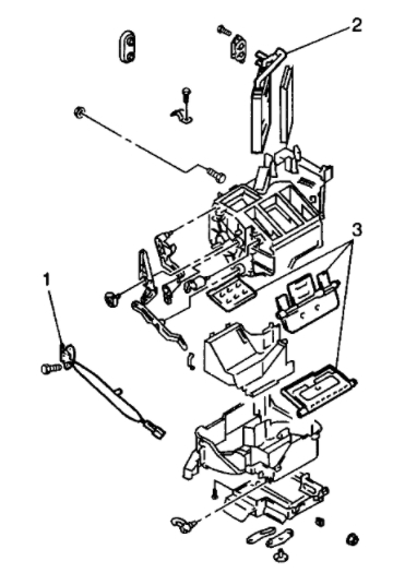
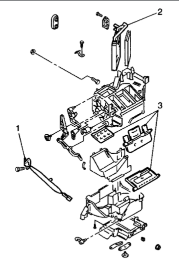
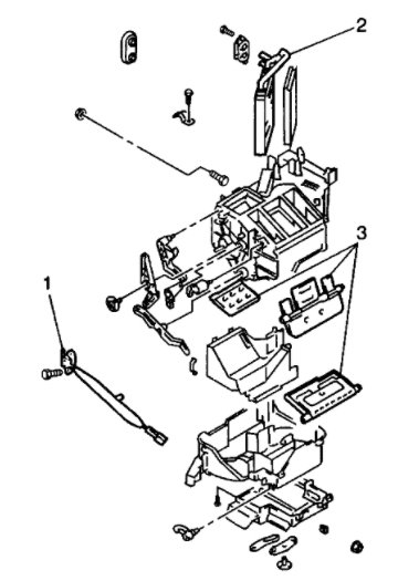
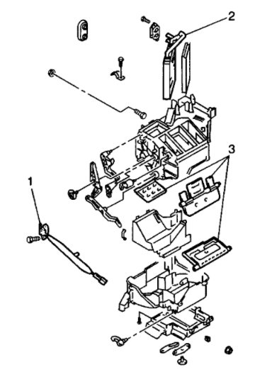
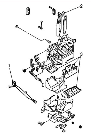
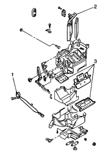
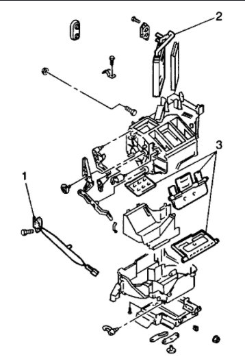
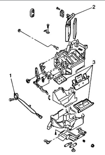
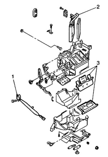
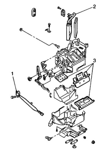
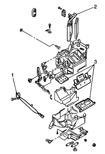
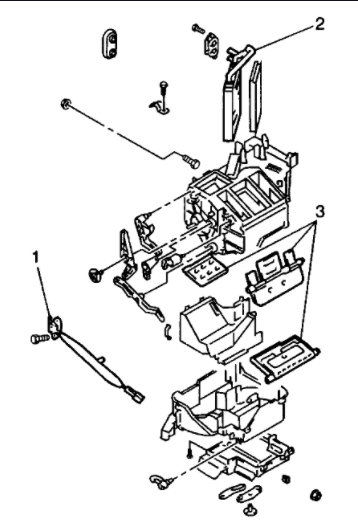
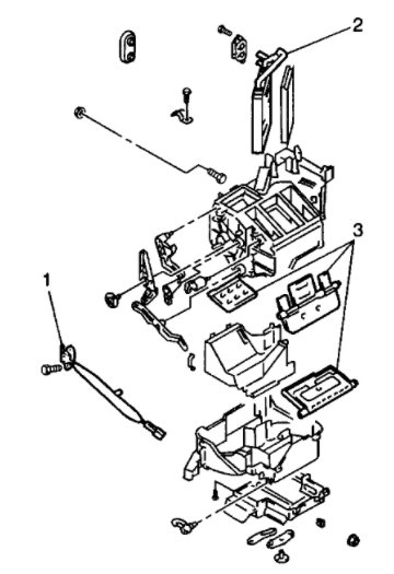
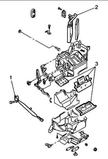
I've attached picture steps below on how to replace the heater core on your Tracker. Hope this helps and thanks for using 2CarPros.
Was this
answer
helpful?
Yes
No
Sunday, August 22nd, 2021 AT 6:41 AM

Please login or register to post a reply.