Heater controls will not switch off of vents to anything else and blows only cold air

Tiny
KYLE DEAN
  • MEMBER
  • 1994 CHRYSLER CONCORDE
  • 3.3L
  • V6
  • 2WD
  • AUTOMATIC
  • 200,000 MILES
I don't have overheating problem and don't hear clicking from actuator. What is causing this?
Thursday, December 31st, 2020 AT 10:44 AM

1 Reply

Tiny
ASEMASTER6371
  • MECHANIC
  • 52,796 POSTS
Good afternoon,

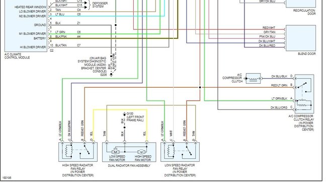
It does sound like the control head is the issue.

I attached a wiring diagram for you. Check the fuses and make sure they have power.

https://www.2carpros.com/articles/how-to-check-wiring

https://www.2carpros.com/articles/how-to-check-a-car-fuse

Roy

REMOVAL
1. Remove the ash receiver assembly, if necessary.

Lower Center Bezel
imageOpen In New TabZoom/Print

2. Remove the lower center bezel and remove the mounting screws from sides of control.
3. Remove the control and disconnect the two electrical connectors.

INSTALLATION
For installation, reverse the above procedures.
Was this
answer
helpful?
Yes
No
Thursday, December 31st, 2020 AT 2:08 PM

Please login or register to post a reply.