Heater in my vehicle will not work if the weather is cold

Tiny
CRAZY MAE
  • MEMBER
  • 1994 JEEP CHEROKEE
  • 4.0L
  • 6 CYL
  • 4WD
  • MANUAL
  • 125 MILES
30 degrees or less until the engine gets super warm then the blower motor will turn on and it's fine. Why is this? Like the blower motor freezes up.
Saturday, October 12th, 2019 AT 9:29 PM

3 Replies

Tiny
JACOBANDNICKOLAS
  • MECHANIC
  • 110,194 POSTS
Welcome to 2CarPros.

Is there any squealing from the blower motor? Once it starts, does it work on all speeds?

Let me know.

Joe
Was this
answer
helpful?
Yes
No
Saturday, October 12th, 2019 AT 10:31 PM
Tiny
CRAZY MAE
  • MEMBER
  • 5 POSTS
No squealing and all speeds work.
Was this
answer
helpful?
Yes
No
Monday, October 14th, 2019 AT 7:47 AM
Tiny
JACOBANDNICKOLAS
  • MECHANIC
  • 110,194 POSTS
Welcome back:

Then either we have an electrical issue or the motor needs to be warm before it will start working. I am going to provide directions for testing for power. However, I just remembered a situation very similar to this. The problem was the fuse under the dash. The fuse box had overheated and the fuse wouldn't make contact until the interior began to warm up. So, when it isn't working, wiggle the fuse in the fuse box under the dash to see if it starts.

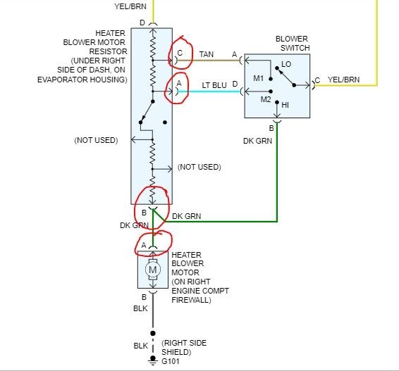
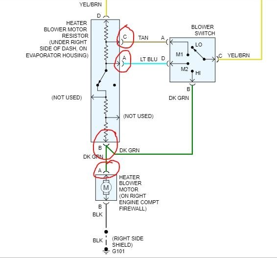
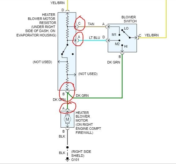
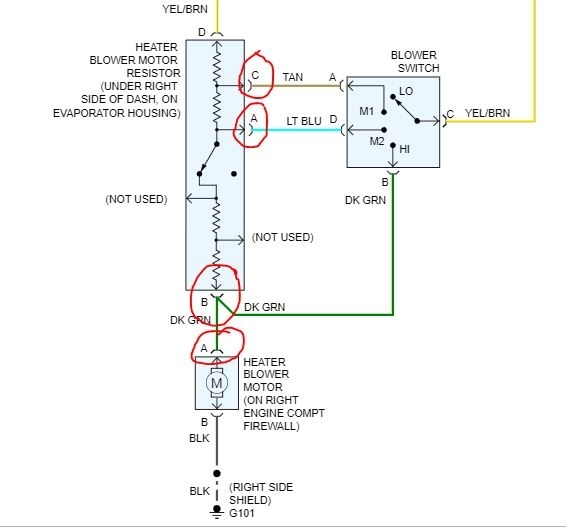
Now, it that makes no difference, take a look at the attached picture. I will try to explain how to test for power.

The first place to start is the green wire at the motor. When the switch is in the high setting, you should have 12v. When you select different speeds, the voltage will be reduced.

If there is no power, move back to the blower motor resister. Is there power letters A (lt blue) and C (tan) when the speed is in the select positions as indicated?

If there is no power there, then confirm there is power to the switch via the yellow / brown wire.

Here are a few links to help with the process:

https://www.2carpros.com/articles/how-to-use-a-test-light-circuit-tester

https://www.2carpros.com/articles/how-to-use-a-voltmeter

https://www.2carpros.com/articles/how-to-check-wiring

___________________________________________

Basically, if there is power to the switch but it doesn't go to the resister, the switch is bad. When you place it on high, there should be power the green wire at the motor. If there is and it doesn't run, replace the motor. As far as the resister, other than corrosion causing an issue, since it works on all speeds when it runs, the resister is good.

Do this and let me know what you find. Also, if you have questions or need help, let me know.

Joe
Was this
answer
helpful?
Yes
No
Monday, October 14th, 2019 AT 5:56 PM

Please login or register to post a reply.