Heater blow cold air

Tiny
LEE A MOSLEY
  • MEMBER
  • 1997 BUICK LESABRE
  • 3.8L
  • V6
  • FWD
  • AUTOMATIC
  • 164,470 MILES
The car has that dual climate control the heat blows only on the driver's side, the passager side is blowing cold air, I've changed the thermostat
Wednesday, December 30th, 2015 AT 3:01 PM

1 Reply

Tiny
SQM
  • MECHANIC
  • 6,383 POSTS
Hello,

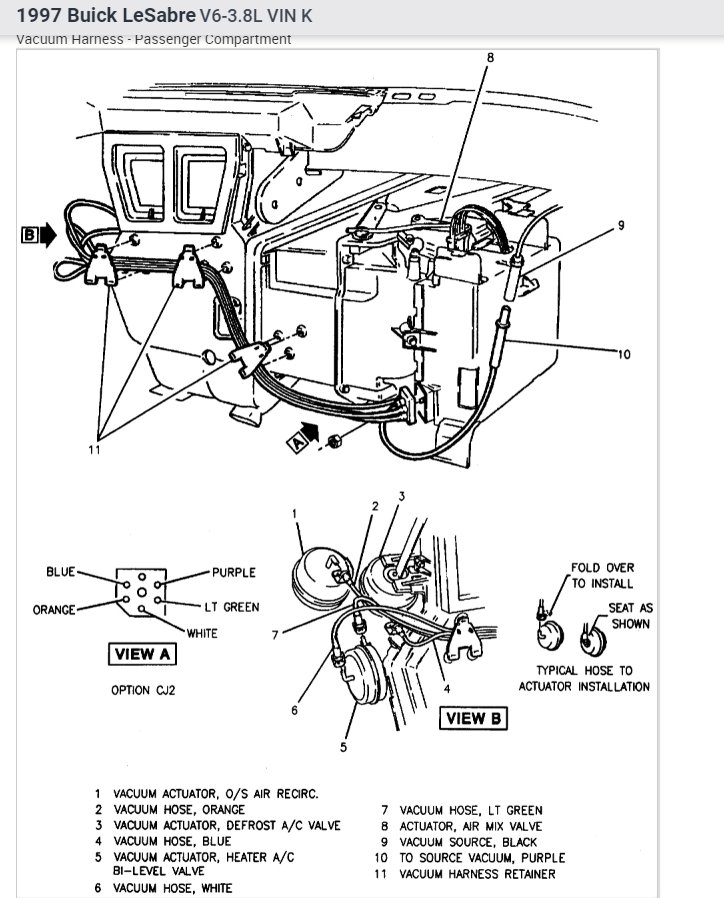
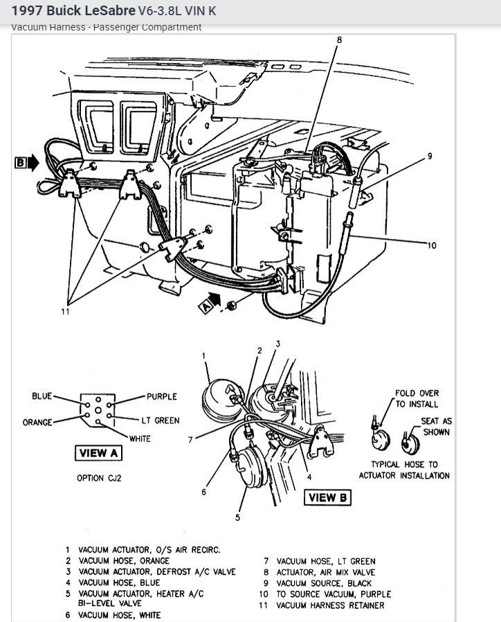
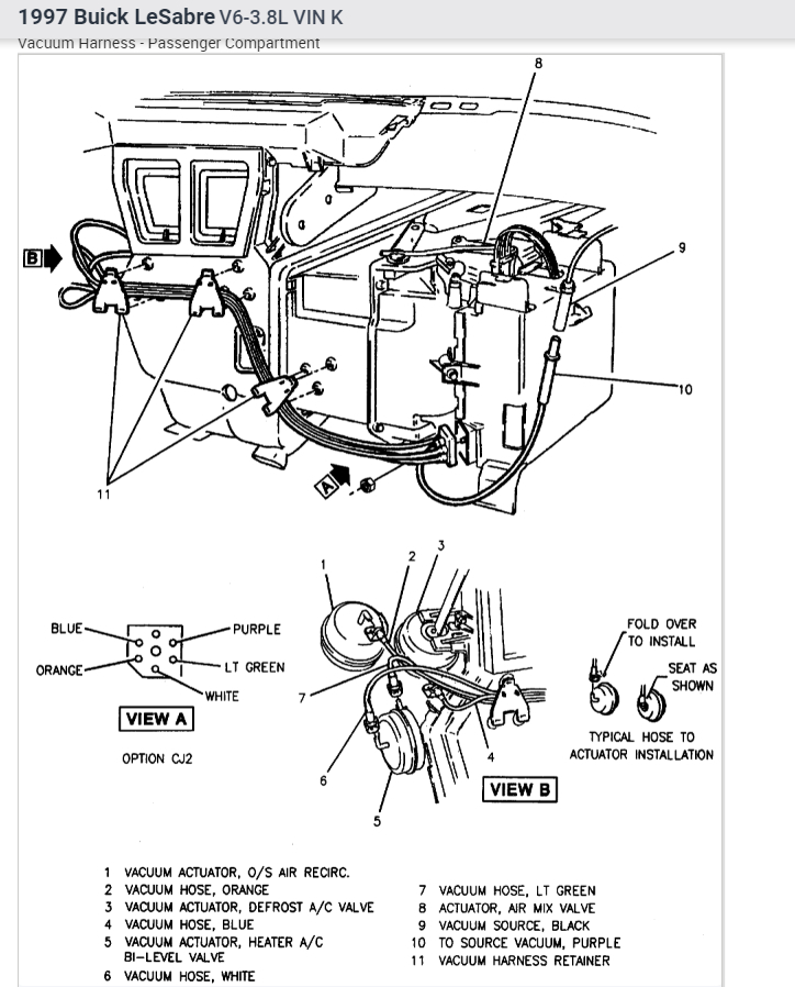
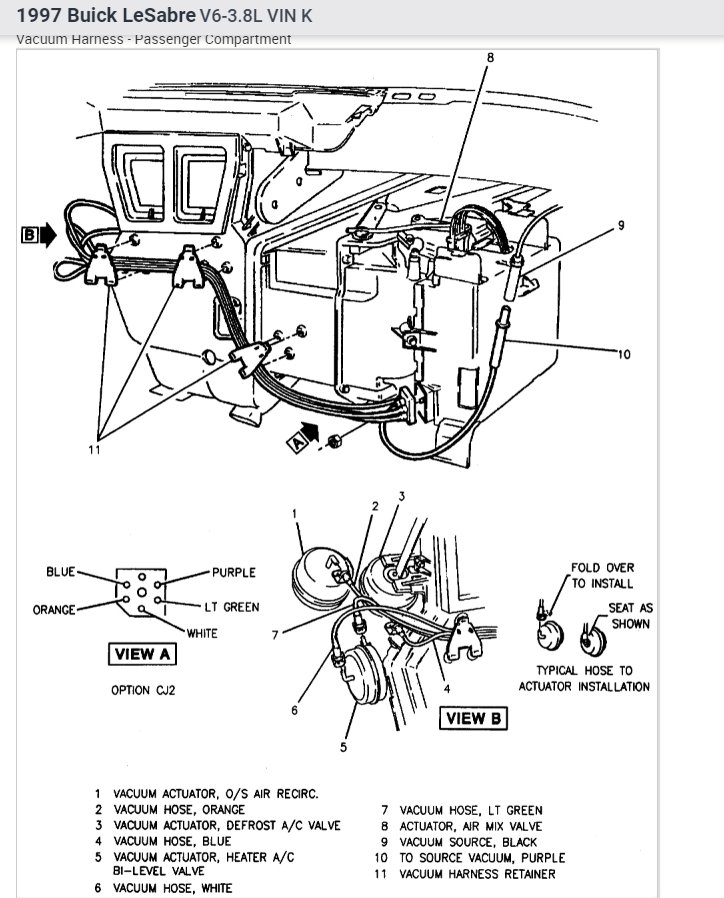
It sounds like the blend door actuator on the passenger side has failed.
The blend door actuator controls the hot and cold air flow.
Over time with normal use the actuator will fail. Many times when the actuator fails it will get stuck on one position (hot or cold).
The blend door actuator is located on the passenger side behind the dash panel in the HVAC box.

Here is a helpful article:

https://www.2carpros.com/articles/replace-blend-door-motor

I have attached diagrams for your reference.

Please let me know if you have any questions.
Thank you.
Was this
answer
helpful?
Yes
No
Wednesday, October 13th, 2021 AT 6:04 PM

Please login or register to post a reply.