Heat not working, no hot air

Tiny
SANDI BEACHES
  • MEMBER
  • 1994 LINCOLN TOWN CAR
  • 0.6L
  • V8
  • 2WD
  • AUTOMATIC
  • 200,000 MILES
No heat. Engine temperature good. Heater hoses seem to be hot, one maybe more than the other. Temperature can be run on the controls from 60 to 90 with no affect. Cold air only!
Monday, November 9th, 2020 AT 4:39 PM

24 Replies

Tiny
JACOBANDNICKOLAS
  • MECHANIC
  • 110,194 POSTS
Hi,

If both heater hoses are getting hot, then the heater core isn't plugged. That leaves the blend air door. The blend air door is what controls the air temp entering the vehicle. What I suggest is to remove it and inspect it to see if it is working. Take a look at this link. It explains in general how one is replaced. Additionally, it explains what goes wrong with them

https://www.2carpros.com/articles/replace-blend-door-motor

and

https://www.2carpros.com/articles/car-heater-not-working

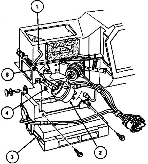
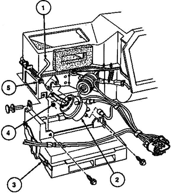
Here are the directions for the removal and replacement of the one specific to your vehicle. The attached pic correlates with the directions.

__________________________

1994 Lincoln Town Car V8-281 4.6L SOHC
Blend Door
Vehicle Heating and Air Conditioning Air Door Service and Repair Procedures Blend Door
BLEND DOOR
Doors

A/C Air Temperature Control

Removal

1. Remove the heater air plenum chamber from the vehicle as outlined.

2. Remove blend door actuator crank arm.

3. Move the A/C air temperature control door to the full heat position. Remove one screw retaining the A/C air temperature control door to the crank arm.

4. Remove the A/C air temperature control door from the crank arm and remove the door from the dash panel inlet opening of the heater air plenum chamber.

Installation

1. Position the A/C air temperature control door through the dash panel inlet opening of the heater air plenum chamber and to the door crank arm.

2. Install one screw to attach the A/C air temperature control door to the crank arm.

3. Check the A/C air temperature control door for freedom of movement. Correct any existing sticking, binding or grabbing condition.

4. Install A/C electronic door actuator motor if removed.

5. Install the heater air plenum chamber in the vehicle as outlined.

6. Check the system for proper operation.

Let me know if this helps or if you have any questions.

Take care,
Joe
Was this
answer
helpful?
Yes
No
+1
Monday, November 9th, 2020 AT 7:40 PM
Tiny
LARRY WARD
  • MEMBER
  • 1 POST
  • 1994 LINCOLN TOWN CAR
  • 173,000 MILES
I've replaced water pump, flushed coolant system, replaced thermostat and fan clutch
Was this
answer
helpful?
Yes
No
Thursday, December 17th, 2020 AT 8:13 AM (Merged)
Tiny
JACOBANDNICKOLAS
  • MECHANIC
  • 110,194 POSTS
Check if both heater core hoses are getting hot. If they are, check to make sure the blend air door is working.
Was this
answer
helpful?
Yes
No
+1
Thursday, December 17th, 2020 AT 8:13 AM (Merged)
Tiny
MIKEL54
  • MEMBER
  • 1 POST
  • 1993 LINCOLN TOWN CAR
  • V8
  • 2WD
  • AUTOMATIC
  • 127,000 MILES
1993 Lincoln Signature Series Town Car. Heater not working. Hoses into the firewall are cool after engine warms. Is thate an internal valve keeping the fluid from circulating in the core?
Was this
answer
helpful?
Yes
No
+1
Thursday, December 17th, 2020 AT 8:13 AM (Merged)
Tiny
BUTILOVEYOU69
  • MEMBER
  • 1 POST
I have a 1994 and had the same problem. I had to disconnect the two hoses that go from the heater core to the engine. Disconnect them at the engine (very easy its 2 clamps) and blow them out. I used a tool that hooked up to a garden hose and an air compressor, then just blasted a bunch of junk out of it. Try it with just a garden hose set the hose on hard stream and stick the tip of the nozzle into one of the hoses. Point the other hose at the ground away from your self and squeeze the trigger in short pulses. It might take a few trigger squeezes to break through but if there is enough pressure from the garden hose it will blast out all the stuff built up and flow freely. Good Luck and stay warm.
Was this
answer
helpful?
Yes
No
Thursday, December 17th, 2020 AT 8:13 AM (Merged)
Tiny
CPARMENTER
  • MEMBER
  • 2 POSTS
  • 1993 LINCOLN TOWN CAR
  • V8
  • AUTOMATIC
  • 141,000 MILES
Not loosing coolant no over heating. Had heat saturday car sat all day sunday and no heat on monday
Was this
answer
helpful?
Yes
No
Thursday, December 17th, 2020 AT 8:14 AM (Merged)
Tiny
JOHNNYT73
  • MECHANIC
  • 924 POSTS
I would check again for coolant loss. Look underneath the intake in the valley of the cylinder heads and see if you see coolant. These motors have a redesigned intake manifold.
Was this
answer
helpful?
Yes
No
Thursday, December 17th, 2020 AT 8:14 AM (Merged)
Tiny
CPARMENTER
  • MEMBER
  • 2 POSTS
There is no leak coolant level is the same as it was saturday. Could it be the climate control not registering right?
Was this
answer
helpful?
Yes
No
Thursday, December 17th, 2020 AT 8:14 AM (Merged)
Tiny
JOHNNYT73
  • MECHANIC
  • 924 POSTS
You could have a bad blend door actuator.
Was this
answer
helpful?
Yes
No
+1
Thursday, December 17th, 2020 AT 8:14 AM (Merged)
Tiny
MARK1000
  • MEMBER
  • 1 POST
  • 1989 LINCOLN TOWN CAR
  • 5.0L
  • V8
  • AUTOMATIC
  • 140,000 MILES
Hello, where is the heater control vault located in the car listed above?
Was this
answer
helpful?
Yes
No
Thursday, December 17th, 2020 AT 8:14 AM (Merged)
Tiny
JACOBANDNICKOLAS
  • MECHANIC
  • 110,194 POSTS
Hi and thanks for using 2CarPros.

This vehicle does not have a heater control valve. In its place is a blend air door actuator. The heater core in the vehicle always circulates coolant, so it is always hot. What determines if you get heat into the vehicle is the blend air door. In one position, it closes off heat and in the other, it allows heat to enter the cab.

The blend air door is actuated by a vacuum servo. However, if you are not getting heat, confirm that both heater core hoses are getting hot when the engine is at operating temperature and the heater is on high. If they are, the actuator is the problem. If only one of the hoses is hot, suspect a plugged heater core.

Here is a quick link to look through. It discusses common causes of not getting heat.

https://www.2carpros.com/articles/car-heater-not-working

Here is a link that shows in general how to replace a blend air door actuator:

https://www.2carpros.com/articles/replace-blend-door-motor

If you determine the problem is the actuator, here are the directions specific to your vehicle for replacing the actuator which I mentioned. Note that the actuator on your vehicle is vacuum actuated. Make sure it is getting vacuum.

____________________

WITH AUTOMATIC TEMPERATURE CONTROL
REMOVAL
1. Disconnect the battery ground cable.
2. Disconnect the glove compartment door stop (one screw) and let the door hang by the hinges.

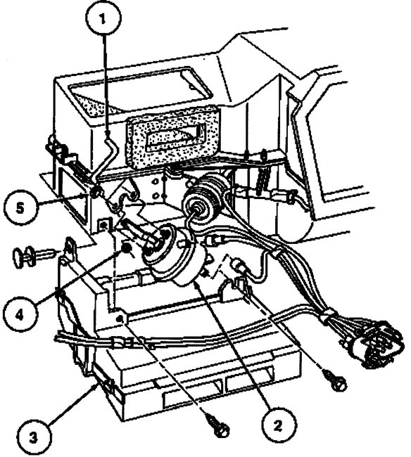
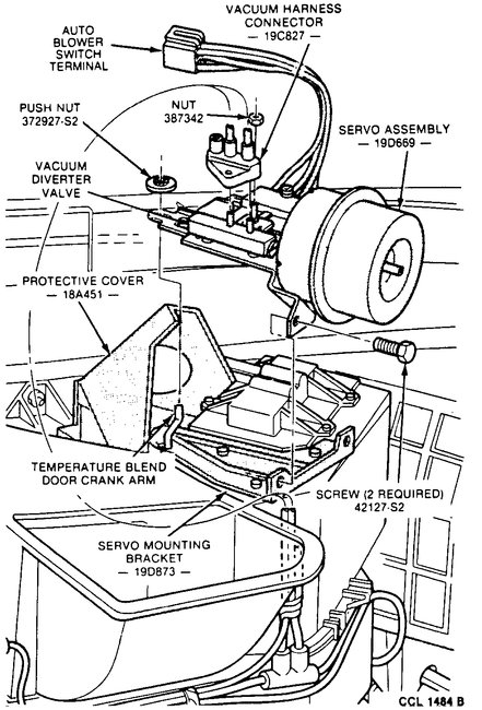
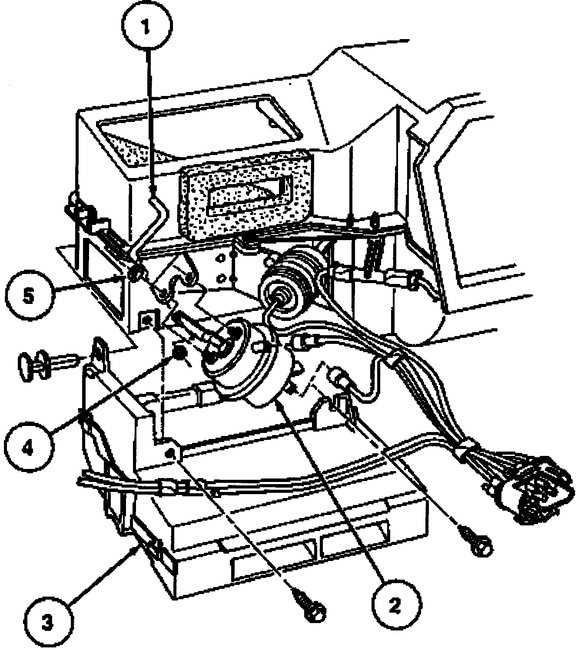
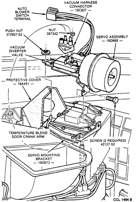
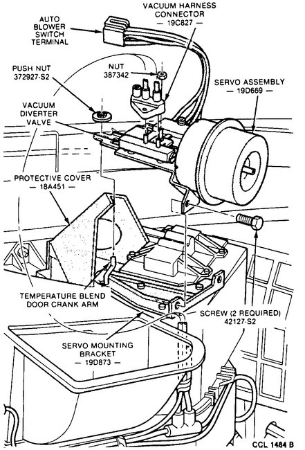
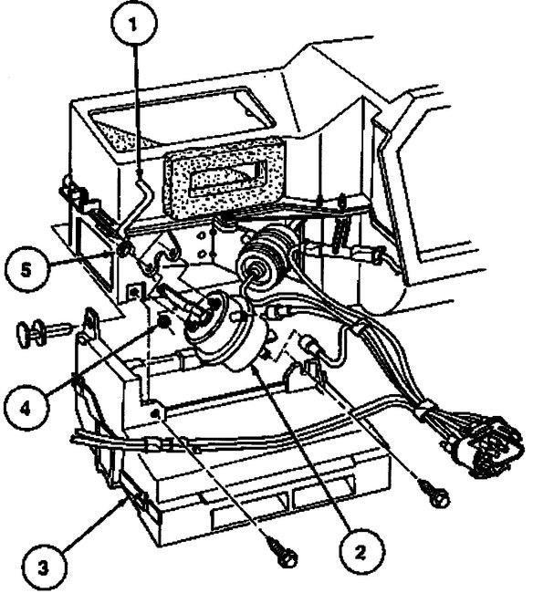
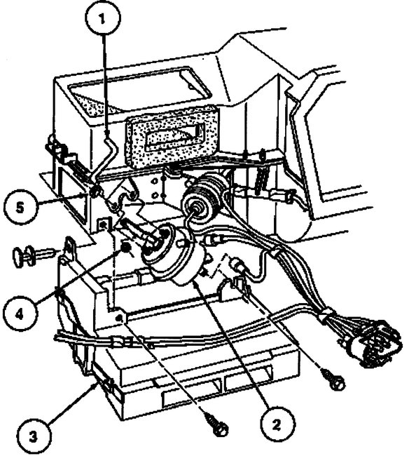
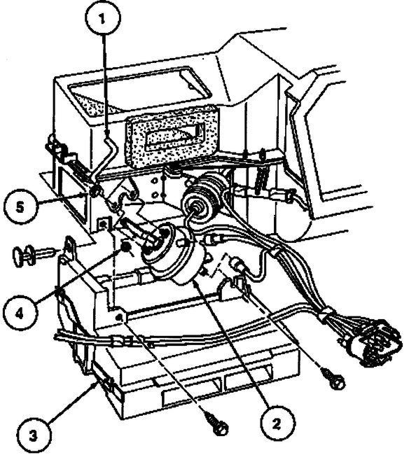
Servo Motor Assembly See Pic 1

3. Remove the vacuum hose from the servo motor and unplug the electrical harness connectors.
4. Remove the two screws from the servo motor assembly mounting bracket and position the servo for access to the vacuum diverter valve.
5. Remove the retaining pushnut and vacuum connector clip, unplug the multiple vacuum connector from the vacuum diverter valve.
6. Remove the pushnut that retains the servo motor overtravel spring and arm link to the blend door crank arm. Remove the servo assembly from the vehicle.

INSTALLATION
1. Connect the servo motor overtravel spring and arm link to the blend door crank arm. Install a new pushnut.
2. Connect the multiple vacuum connector to the vacuum diverter valve and secure it with a vacuum connector and a new retaining pushnut.
3. Position the servo motor and install the two mounting screws.
4. Connect the vacuum hose to the servo motor and connect the electrical connector to the harness.
5. Replace the glove compartment door stop screw.
6. Connect the battery ground cable.

NOTE: On vehicles equipped with Electronic Engine Control (EEC), when the battery has been disconnected and reconnected, some abnormal drive symptoms may occur while the EEC processor relearns its adaptive strategy. The vehicle may need to be driven 10 miles or more to relearn the strategy.

7. Check the ATC system for proper operation.

__________________________________

I hope something here helps. Let me know if you have other questions.

Take care,
Joe
Was this
answer
helpful?
Yes
No
Thursday, December 17th, 2020 AT 8:14 AM (Merged)
Tiny
ERLYBURD
  • MEMBER
  • 4 POSTS
  • 1988 LINCOLN TOWN CAR
  • V8
  • 2WD
  • AUTOMATIC
  • 167,000 MILES
I have an 88 Lincoln Town Car Cartier Edition with some issues. It's got a 5.0 V8 EFI.

First Problem - Heat
The heat recently quit working (convenient considering it's around 0 degrees out) after a 250 mile trip. I got back in the car to return home and drove for 5 hours with no heat.
Here's what I know:
The blower still works well
Radiator is full and both hoses leaving it get warm
when the engine heats up.

When I turn the heat on with the temp set to high it gives a burst of hot air for about 1 second then it cuts to cold air. Then if I turn the temp setting to cold with the blower on high I get ice cold air instantly (mind you it's 0-10 degrees F outside) and it stays cold after that. No more slightly cold air, just freezing air. I can get a burst of heat every time I turn the heat on for 1 second, then I turn it off and back on and so on...

I don't know much about thermostats or heater cores but it sounds like either might be causing this.

The first picture I have is of the location the hose from the top of the radiator runs into the block (I think the water pump). Then another hose runs out of there and into the second picture on the top right corner. It runs across the top of the picture then into the dash.

I'd also like to know where the thermostat is in these pictures, I have an idea but I'm not completely sure.

I really need to get this fixed soon and I don't have any money to take it to the dealer. I leave school next Thursday and I have to drive 550 miles in frigid winter temps.


http://www.2carpros.com/forum/automotive_pictures/48741_IMG_314401_1.jpg



http://www.2carpros.com/forum/automotive_pictures/48741_IMG_315001_1.jpg

Was this
answer
helpful?
Yes
No
Thursday, December 17th, 2020 AT 8:14 AM (Merged)
Tiny
BLACKOP555
  • MECHANIC
  • 10,386 POSTS
The first picture you show with the upper radiator hose going into that housing with 2 bolts on it, that is the thermostat housing, the thermostat is right under it!

For the heating problem, are both heater core hoses hot, *the hoses that go into the firewall from the engine*

if the uper and lower radiator hose isnt hot then I do not think it is a thermostat problem.

The hose going in and out to the core does one of them feel noticebly hotter or they both the same?
Was this
answer
helpful?
Yes
No
Thursday, December 17th, 2020 AT 8:14 AM (Merged)
Tiny
MERLIN2021
  • MECHANIC
  • 17,250 POSTS
The top pic shows the thermostat, it's at the end of the hose at the block, the small hose with it is the bypass hose.
The bottom pic shows the heat control valve, m,ake sure the vacuum work to it, if this lever does not move, hot water will not enter the heater core! COLD air will result!


https://www.2carpros.com/forum/automotive_pictures/62217_48741_IMG_314401_1_1.jpg



https://www.2carpros.com/forum/automotive_pictures/62217_48741_IMG_315001_1_1.jpg

You can as a test remove the heat control valve and install a flush tee, this will eliminate the heat control valve! Buy the Prestone flush kit, the tee is in the kit...
Was this
answer
helpful?
Yes
No
Thursday, December 17th, 2020 AT 8:14 AM (Merged)
Tiny
ERLYBURD
  • MEMBER
  • 4 POSTS
I definitely felt that hose going through the heater control valve in the second picture and it was warm. I didn't look for any other hoses going into the firewall.

So does that mean hot fluid is getting through that valve and into the heater core? Then it could be the heater core (I'm not sure, just guessing).
Was this
answer
helpful?
Yes
No
Thursday, December 17th, 2020 AT 8:14 AM (Merged)
Tiny
ERLYBURD
  • MEMBER
  • 4 POSTS
I just talked to my mechanic friend and he said it sounds like the heater core isn't getting any flow because it might be gunked up. He said it's a relatively cheap part but the labor can be up to five hours. I'm in college and don't have money to pay a dealer for five hours of labor. Can anyone give me some more info?
Was this
answer
helpful?
Yes
No
Thursday, December 17th, 2020 AT 8:14 AM (Merged)
Tiny
PPINNETTI
  • MEMBER
  • 7 POSTS
  • LINCOLN TOWN CAR
1999 Cartier Town Car 154,000 miles. The heater will deliver warm air for abour 15 minutes, then blows cool. I reset the temp about 2 degrees higher and I get heat agian. But after 15 minutes it blows cool. Reset another 2 degrees higher and you get heat, and so on.
Was this
answer
helpful?
Yes
No
Thursday, December 17th, 2020 AT 8:14 AM (Merged)
Tiny
MERLIN2021
  • MECHANIC
  • 17,250 POSTS
What happens when you reach 85? If it keeps cooling down try the interior amient temp sensor. May just need the vacuum tube cleaned out. Its about an inch in diamiter and the sensor is that 3 oblong ed holre by the shifter in the dash. Take out and clean with compressed air. Or your blend door servo is loosing vaccum!
Was this
answer
helpful?
Yes
No
Thursday, December 17th, 2020 AT 8:14 AM (Merged)
Tiny
BLACKOP555
  • MECHANIC
  • 10,386 POSTS
Feel the second hose if they are the same temp then the core is probably not restricted! The new core is about 50 bucks, on your model im not sure if the core is right behind the glovebox, I think it is because of the year. But it also may be under the dash.

But it sure sounds like it to me. Good luck
Was this
answer
helpful?
Yes
No
Thursday, December 17th, 2020 AT 8:14 AM (Merged)
Tiny
PPINNETTI
  • MEMBER
  • 7 POSTS
I've never gotten to 85 but a service technician ran it at 90 for almost an hour and said it maintained the heat. I'll try your suggestions and tell you how it works out. Thanks.
Was this
answer
helpful?
Yes
No
Thursday, December 17th, 2020 AT 8:14 AM (Merged)

Please login or register to post a reply.