Friday, March 24th, 2023 AT 6:04 AM
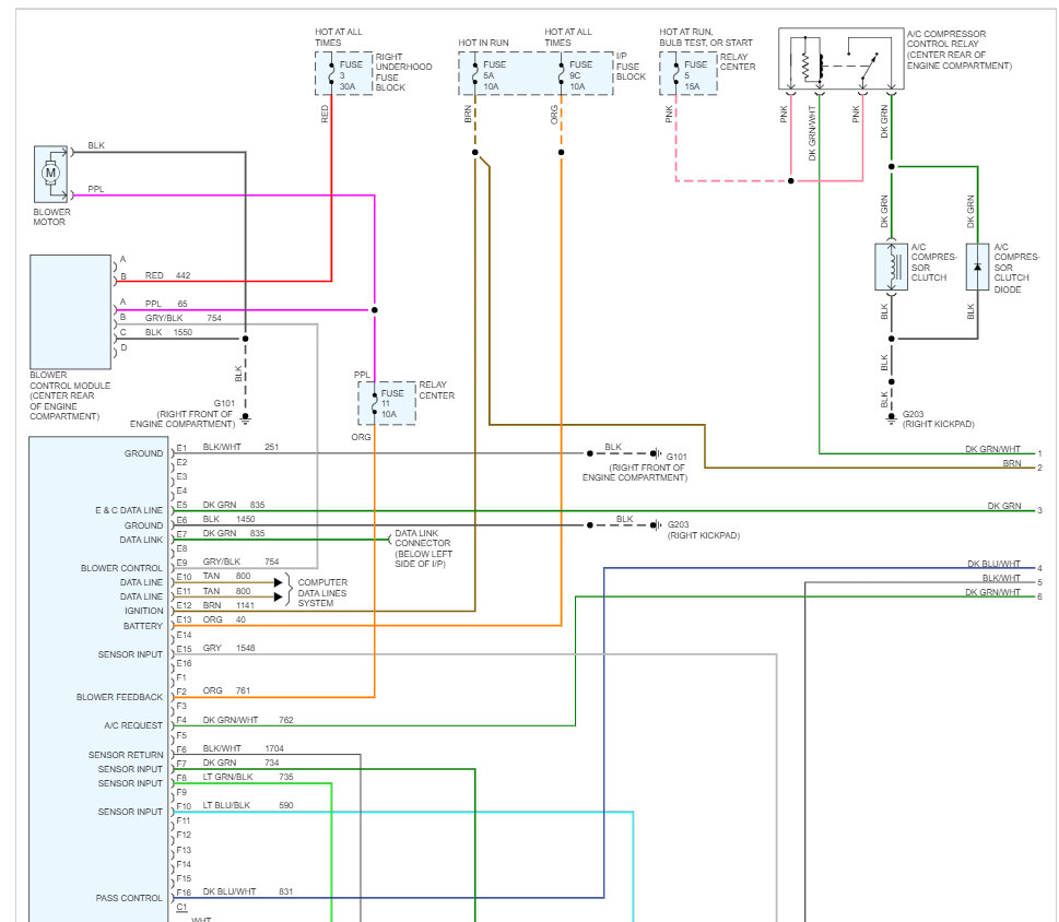
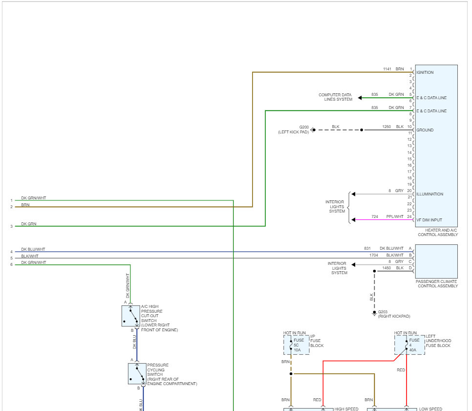
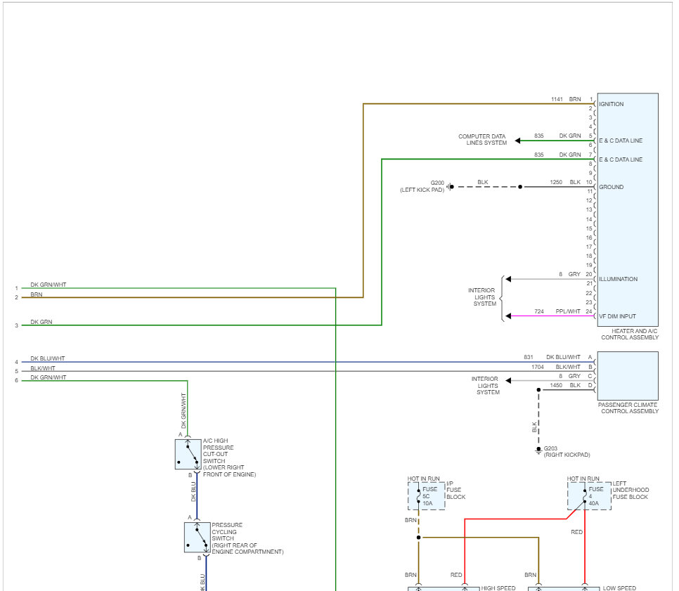
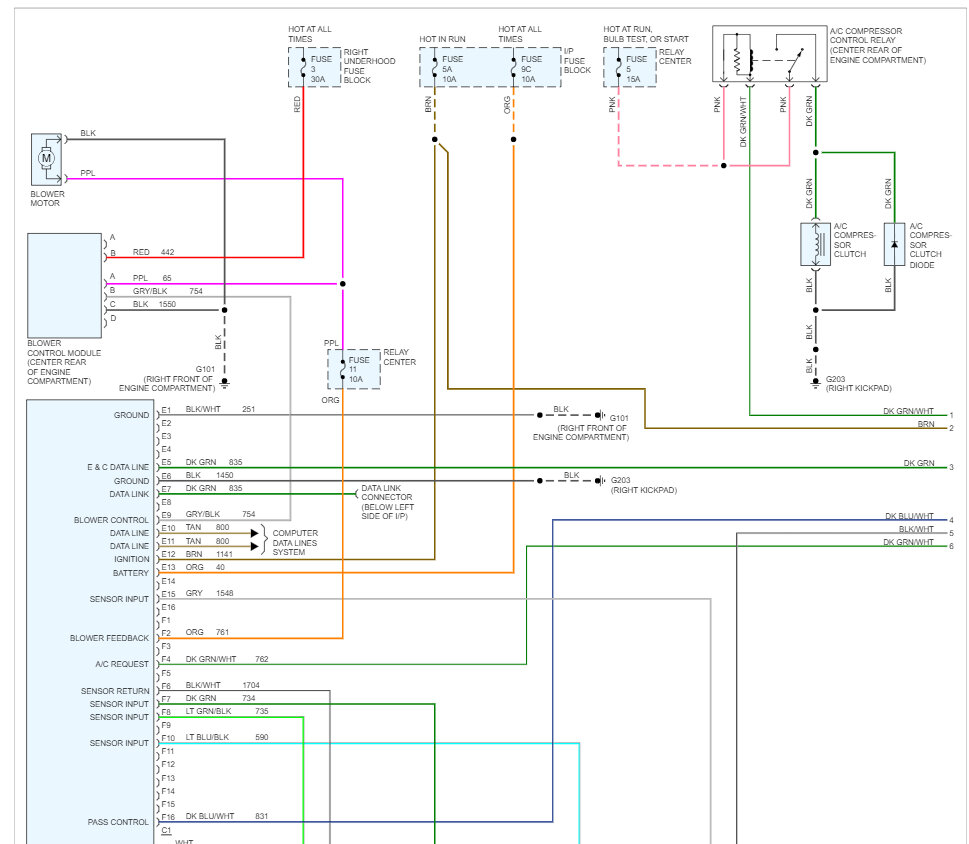
First my blower motor stayed on when the car was turned off, I disconnected the wire connection to motor to shut off. Sometime later I reconnected to troubleshoot, the motor came back on but shut down shortly after and would not come back on. Then a short time later the heater and A/C control panel shut down, it no longer lights up or shows outside temperatures, etc. I have checked all fuses under dash and under hood motor shows 8 to 19 ohms when tested. I tried to trace the purple and black wires coming from the motor but could not determine where they go once going through the firewall.








