Sunday, October 29th, 2017 AT 4:38 PM
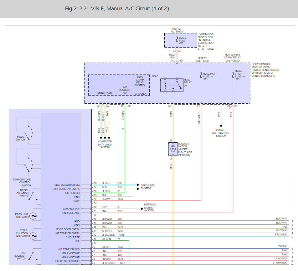
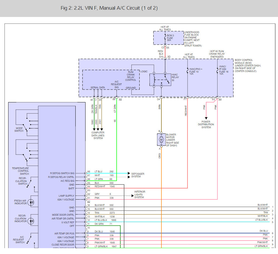
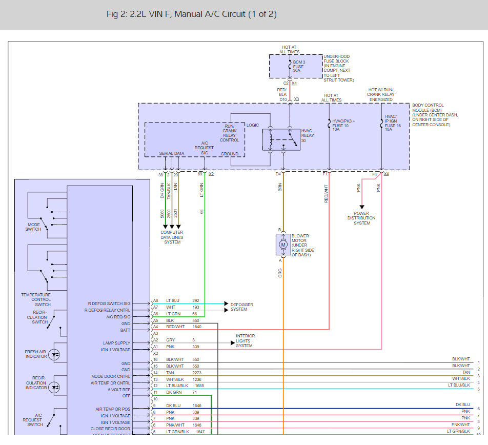
The heat in my car stopped working. I have replaced the blower motor, and still have the same issue. It worked just fine at about 9:00 am, but then ceased to operate by noon. The wire harness, and receiving side of the motor were both melted on the positive (+) wire slot. After replacing the blower motor, it was still not operational. Using a test light, I discovered that my blower motor, and also the blower resistor were not getting any power. I have yet to check my fuses, but any suggestions are appreciated.











