Sunday, January 30th, 2022 AT 3:35 PM
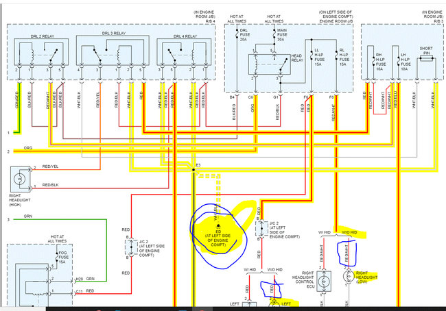
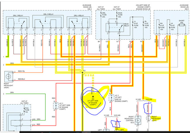
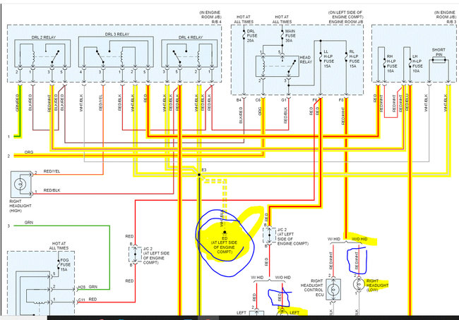
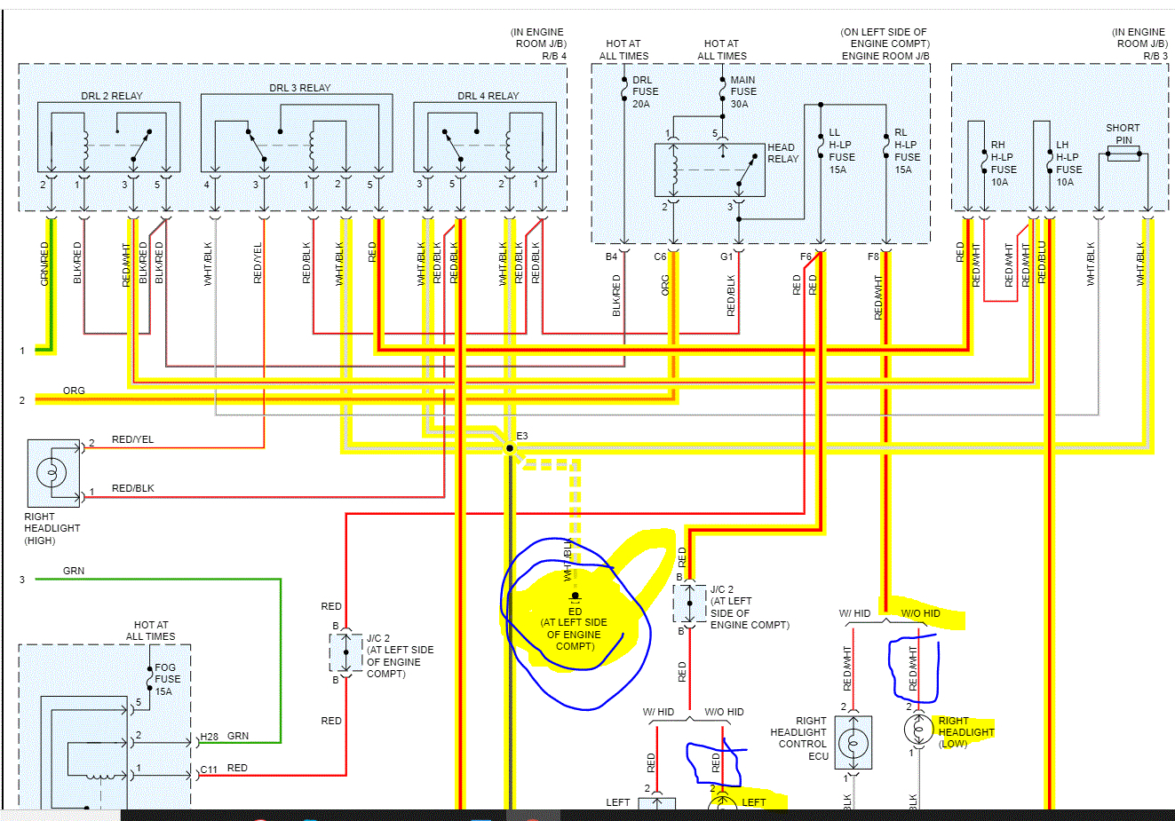
I have the van listed above that I wanted to switch its headlights for new LED ones. I first changed the passenger side bulb, tested it, and it worked. I then proceed changing the driver's side and it didn't work. I re-tested the passenger side and it stopped working. My first guess was the fuses. I immediately noticed that both of them were broken. So, I put in brand new ones, but they still wouldn't turn on. I tried putting back the old bulbs, but they wouldn't turn on. I checked the relay as many people would say by switching it with a new one but that didn't fix it. I don't know what it could be. I have searched but to avail. I would appreciate any help at all.








