Automatic headlights turn off and stay off at night

Tiny
INUDRAGON
  • MEMBER
  • 2000 CHEVROLET PRIZM
  • 4 CYL
  • 2WD
  • AUTOMATIC
  • 180,000 MILES
About 5 days ago, my headlights started acting up. My headlights seem to work, but as soon as it turns to night time, when it automatically turns them on, my headlights go off and stay turned off. The brights don't work at any time. I checked the fuses and replaced a couple, but am still having this problem. I don't know a lot about cars, so I'm at a complete loss.

Edit: Forgot to mention that the tail lights, turn signal, and brake lights work just fine.
Tuesday, August 24th, 2021 AT 8:45 AM

1 Reply

Tiny
JACOBANDNICKOLAS
  • MECHANIC
  • 110,192 POSTS
Hi,

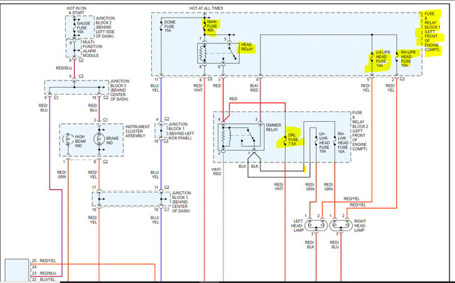
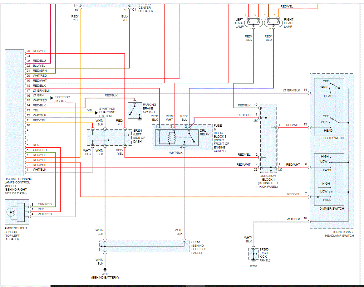
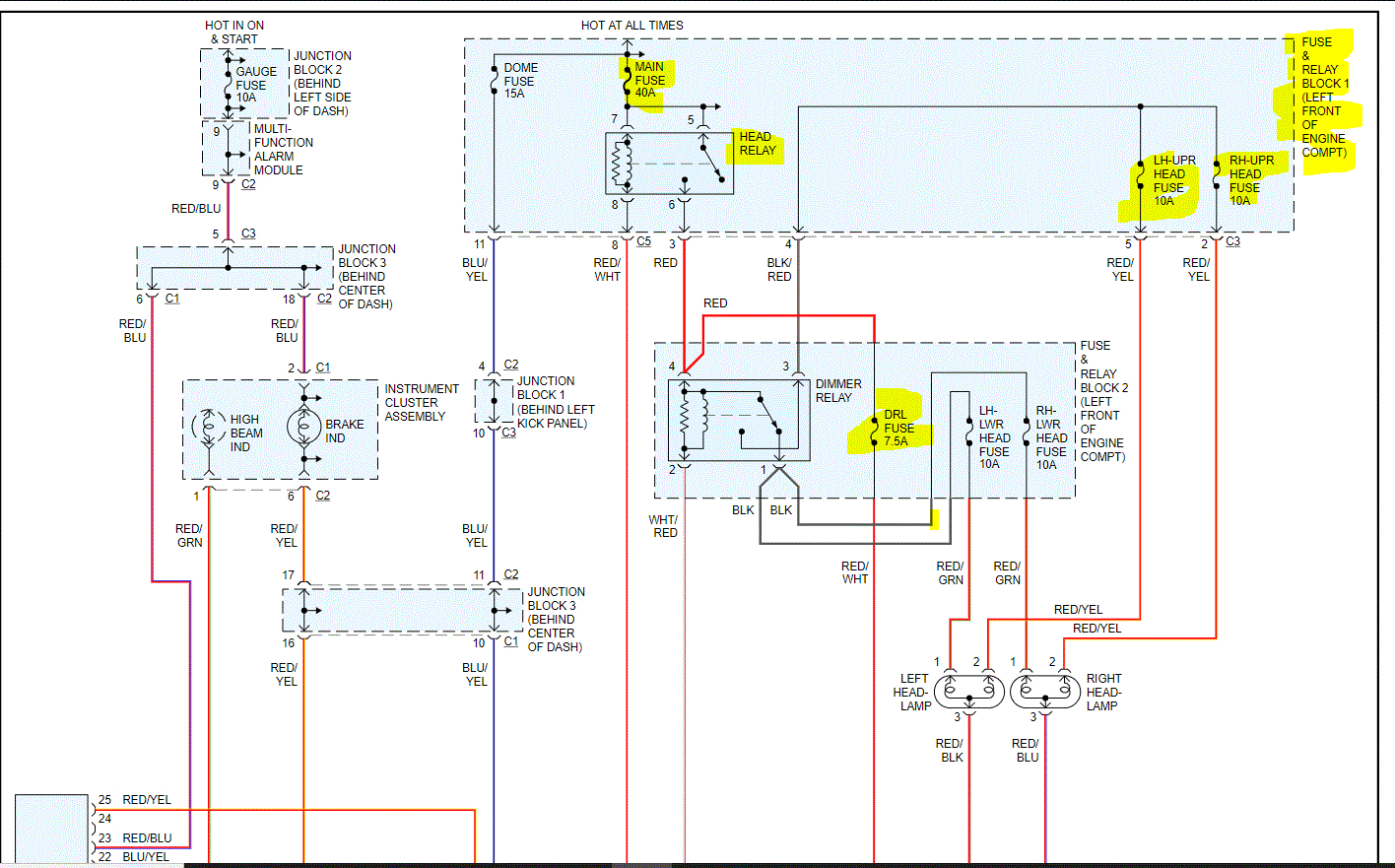
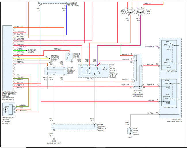
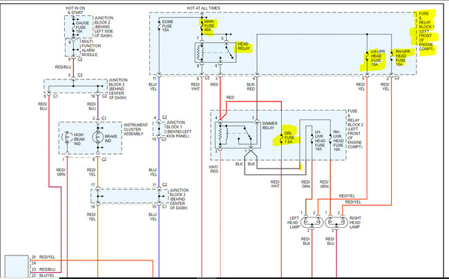
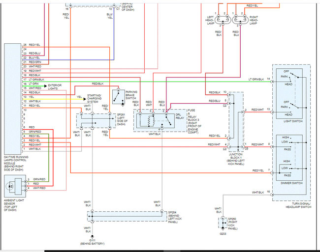
There are a few different fuses that need to be checked. I attached the wiring schematic below of the headlamp system. It was one page long, but I cut it in half to make it readable.

On the schematic, I highlighted fuses and a relay. These are all located under the hood in fuse and relay boxes 1 and 2.

When checking the fuses, it is important to confirm there is power to them in addition to checking the fuse.

Here is a link you may find helpful:

https://www.2carpros.com/articles/how-to-check-a-car-fuse

Pics 3 and 4 show the fuse locations.

Also, here is a link that explains how to test a relay. Pull that as well and inspect it.

https://www.2carpros.com/articles/how-to-check-an-electrical-relay-and-wiring-control-circuit

Let me know what you find or if you have other questions.

Take care,

Joe

See pics below.

Was this
answer
helpful?
Yes
No
Tuesday, August 24th, 2021 AT 8:36 PM

Please login or register to post a reply.