Headlights not working, but DRL work just fine

Tiny
VULCAN2864
  • MEMBER
  • 1999 TOYOTA COROLLA
  • 1.8L
  • 4 CYL
  • 2WD
  • AUTOMATIC
  • 278,000 MILES
When my car is on during the day, the DRL work just fine. However, when the I go to turn the headlights on using the dimmer switch the lights do not work at all, both low and high beams; though the high beam light will illuminate on my dashboard when trying to use the high-beams.

I have checked all of the fuses and replaced all of the relays in addition to replacing the dimmer switch with no luck. I have also replaced the relay/running light control module with one from a junkyard.
Saturday, March 13th, 2021 AT 12:12 PM

1 Reply

Tiny
JACOBANDNICKOLAS
  • MECHANIC
  • 110,192 POSTS
Hi,

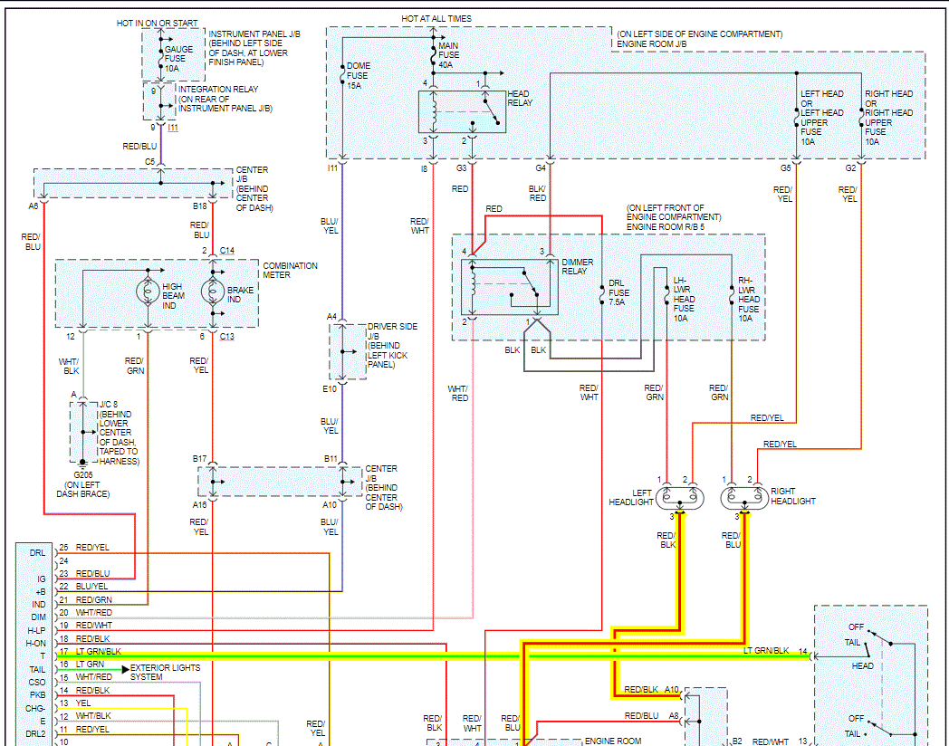
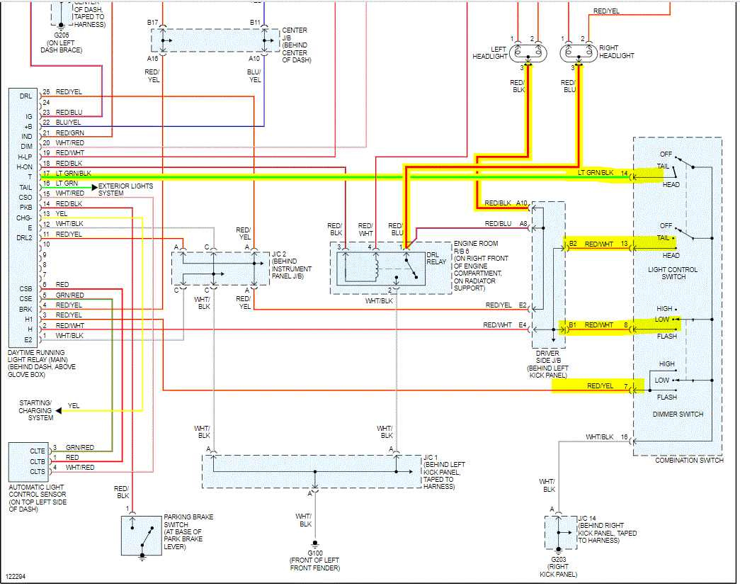
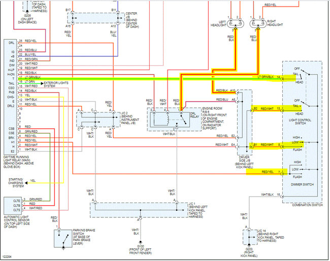
If all fuses are good, the relays are good, and you replaced the main DRL relay above the glove box, power is likely being lost before the switch.

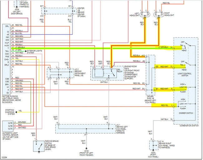
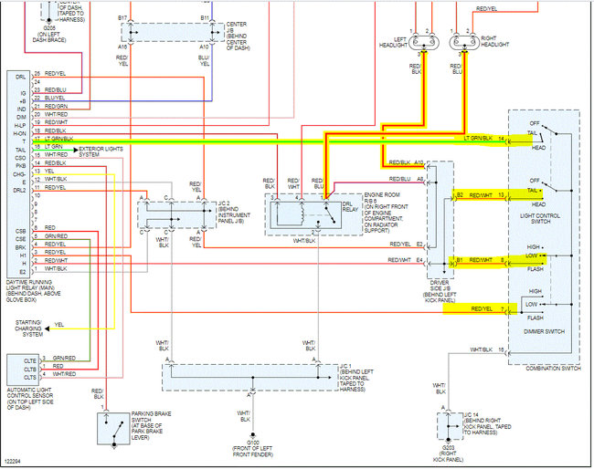
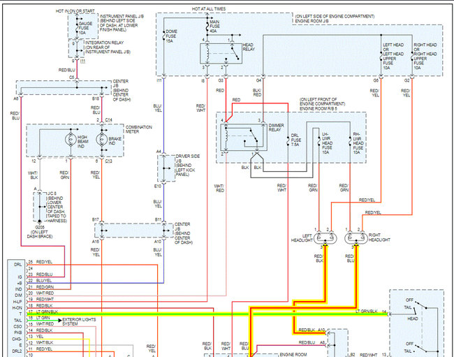
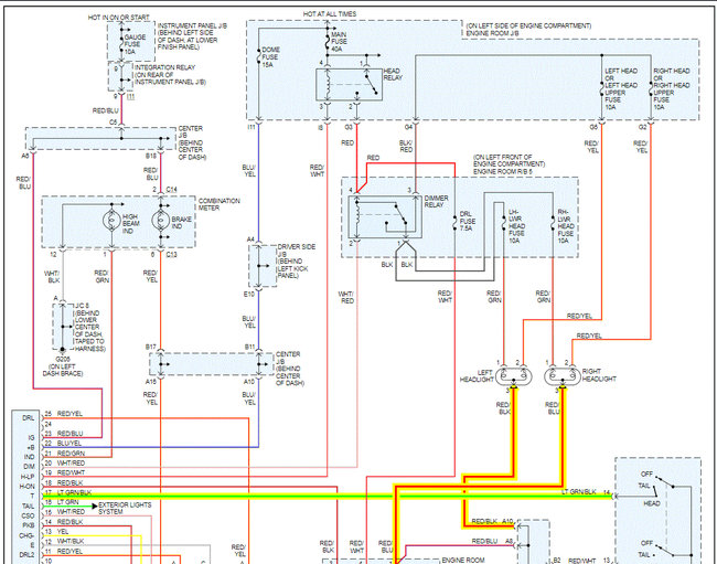
I attached the headlamp wiring schematic below. Check the wires I highlighted at the switch for power. Also, if you haven't already, confirm there is power to the fuses you checked. Note I had to cut the schematic in half to make it readable. I did overlap the two pics so you can follow from one to the next.

Here are a couple of links you may find helpful when checking:

https://www.2carpros.com/articles/how-to-check-wiring

https://www.2carpros.com/articles/how-to-check-a-car-fuse

Let me know what you find or if you have other questions.

Take care and God Bless,

Joe
Was this
answer
helpful?
Yes
No
Wednesday, March 31st, 2021 AT 12:57 PM

Please login or register to post a reply.