Sunday, August 11th, 2024 AT 11:33 PM
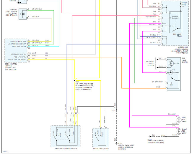
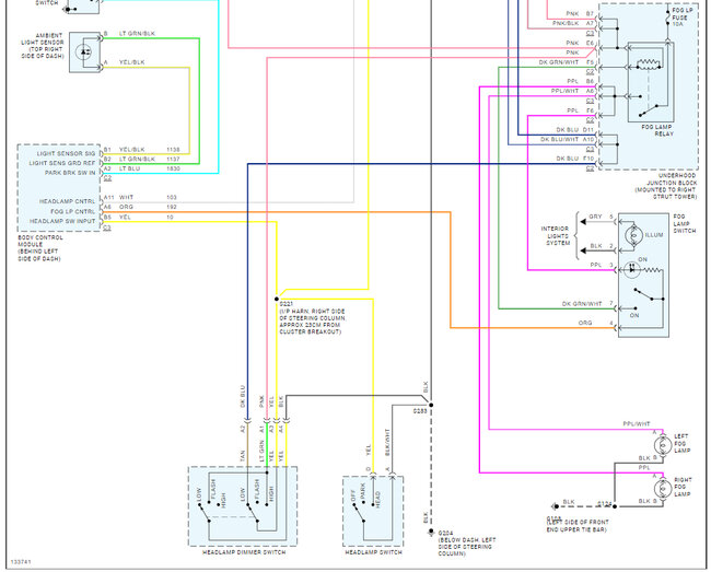
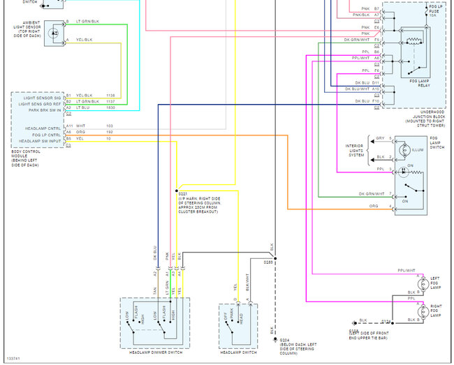
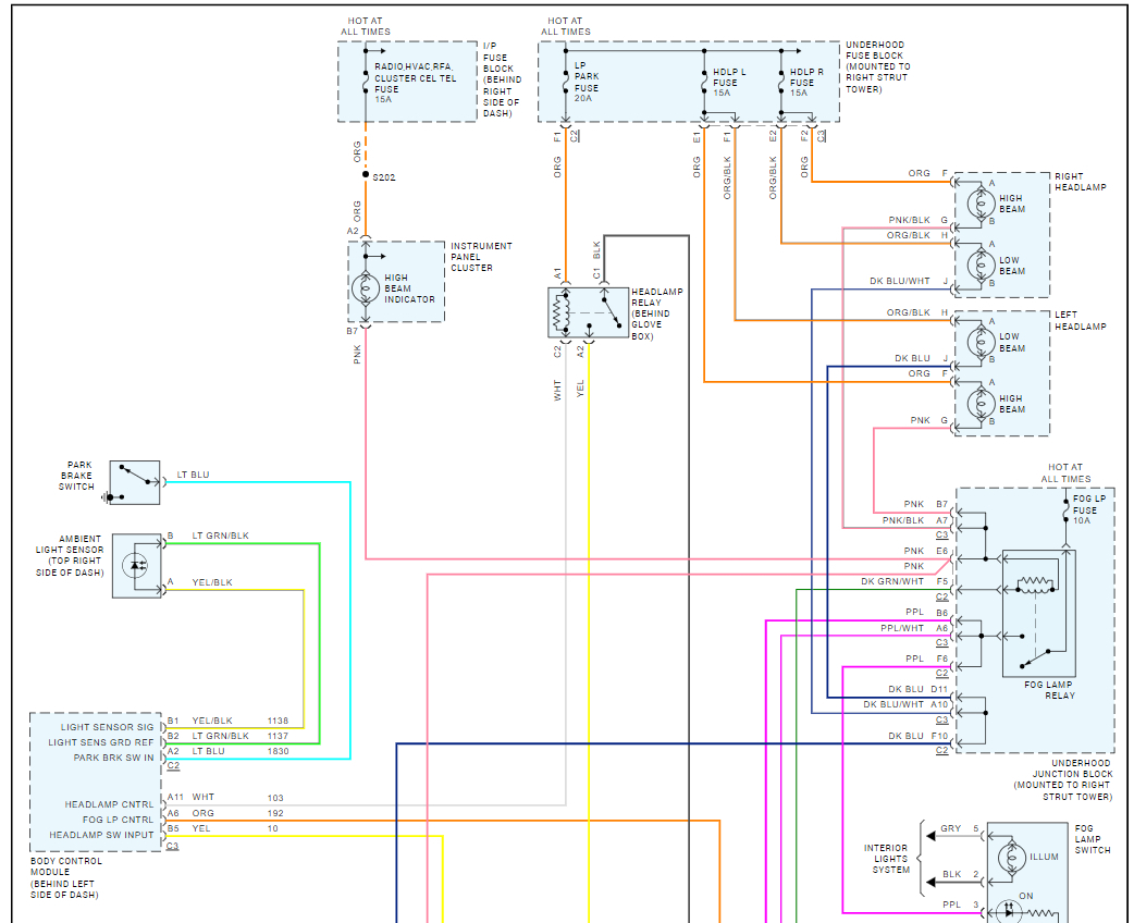
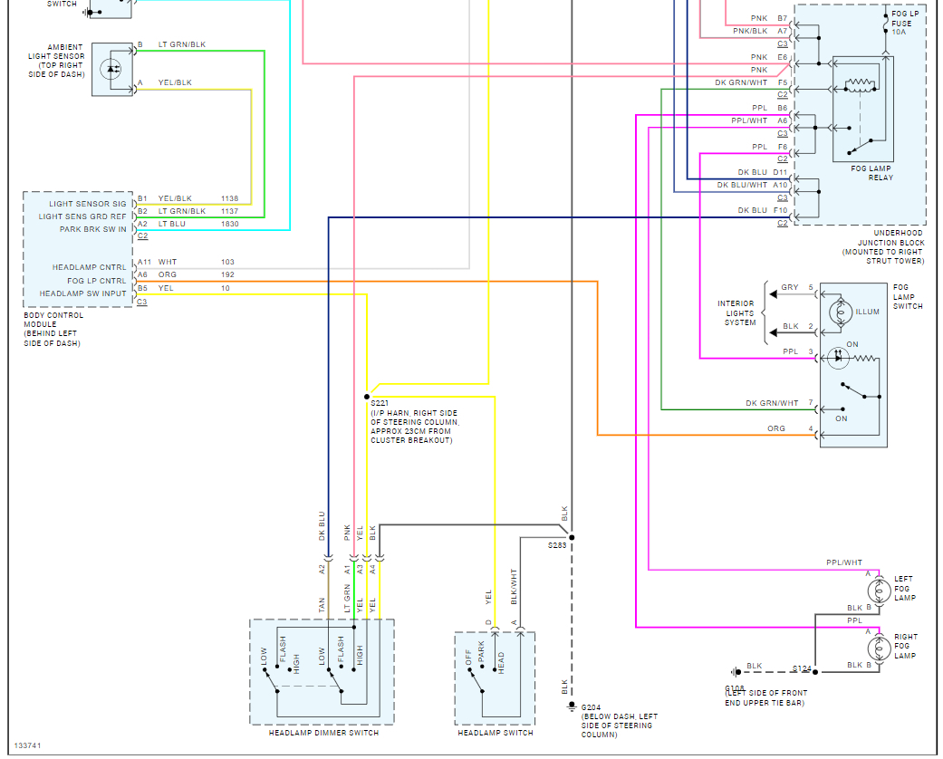
I just got this car yesterday and went to get in it last night and could not get my headlights to come on my dash lights worked. So, I checked the fuses under the hood that were for them, and they are good. So, I checked the bulbs and again they are good idk or have a clue how to check for a short in the wiring the orange lights on the side come on but not the headlights, please help and sadly I don't have a repair manual to look at for advice. I'm told there are 2 fuse panels but I can only find one.








