Headlights don't work I pull the knob?

Tiny
WIMMS77
  • MEMBER
  • 75 POSTS
What would you consider a good ground in this area for testing the switch so I no where to put it and how long a wire I need
Was this
answer
helpful?
Yes
No
Monday, January 19th, 2026 AT 10:24 AM
Tiny
STEVE W.
  • MECHANIC
  • 15,697 POSTS
Battery negative is good. But in this case you have a ground in the same plug the Black wire with white strip on terminal A is a ground, the same one that the lights use. So a short wire there should work.
Was this
answer
helpful?
Yes
No
Monday, January 19th, 2026 AT 2:24 PM
Tiny
WIMMS77
  • MEMBER
  • 75 POSTS
Ok so I got them apart finally and I see that it looks like some of the prongs are not staying in all the way I tried doing a video but my phone's stupid so I'm sending pics of them this green looking 1 especially could they be the issue
Was this
answer
helpful?
Yes
No
Wednesday, January 21st, 2026 AT 1:24 PM
Tiny
STEVE W.
  • MECHANIC
  • 15,697 POSTS
That is simply because there are different crimp connectors for the wire sizes. Now that you have it out, take a piece of wire and connect the Yellow wire to the Black with white stripe wire. Do the headlights come on with the key on? Yes, replace the switch, No we need to dig farther.
Was this
answer
helpful?
Yes
No
Wednesday, January 21st, 2026 AT 4:16 PM
Tiny
WIMMS77
  • MEMBER
  • 75 POSTS
Well I replaced the switch yesterday and still no lights and the green wire I mentioned keep popping out of the harness so I pushed it down again several times any new ideas to try I don't remember if the key was on or not so I will check again with it on and lyk from there
Was this
answer
helpful?
Yes
No
Thursday, January 22nd, 2026 AT 7:20 AM
Tiny
WIMMS77
  • MEMBER
  • 75 POSTS
Ya still no headlights
Was this
answer
helpful?
Yes
No
Thursday, January 22nd, 2026 AT 2:01 PM
Tiny
STEVE W.
  • MECHANIC
  • 15,697 POSTS
The green wire is the marker lamp power. Have you tried to jump the yellow wire to a ground with the switch in place and the key on? What lights work when you use the switch?
Was this
answer
helpful?
Yes
No
Thursday, January 22nd, 2026 AT 8:48 PM
Tiny
WIMMS77
  • MEMBER
  • 75 POSTS
No I havent I just replaced the switch and still have no low beam headlights at all soon as it's warm enough to go outside il try to do what you asked tho
Was this
answer
helpful?
Yes
No
Friday, January 23rd, 2026 AT 2:13 PM
Tiny
STEVE W.
  • MECHANIC
  • 15,697 POSTS
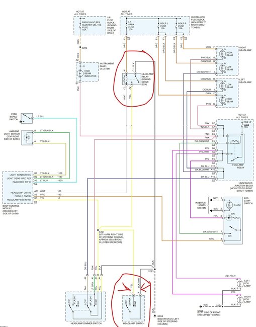
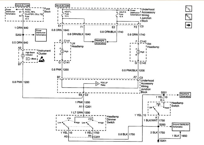
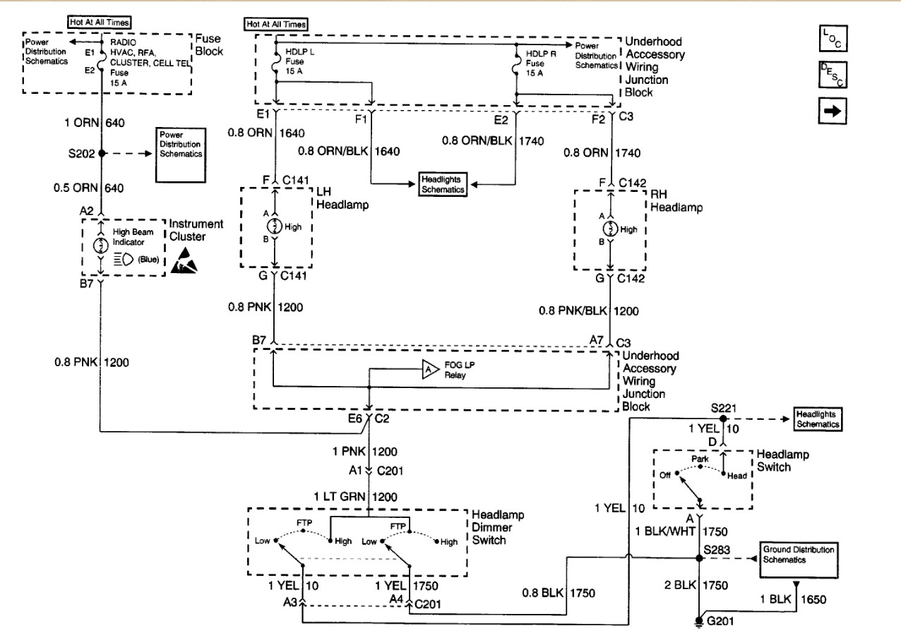
Just trying to eliminate possible problems. When you pull the lever the flash to pass should flash the high beam lamps. The next step will be to test at the headlight relay and see if the yellow wire isn't broken. It runs from the switch through the dash and down to the relay. I understand about the lack of heat, it's 4 below here at the moment. Not fun to work in. The next testing we will do to the relay and you can have the engine running for heat. So determine which one is the headlight relay by looking for the wire colors that go to it. Yellow, Orange, White and Black. Use the test light between the orange and black wires, it should light with the key on. Now try between the orange and yellow, with the key off pulling the light switch on should turn on the test light.
Was this
answer
helpful?
Yes
No
Friday, January 23rd, 2026 AT 4:09 PM
Tiny
WIMMS77
  • MEMBER
  • 75 POSTS
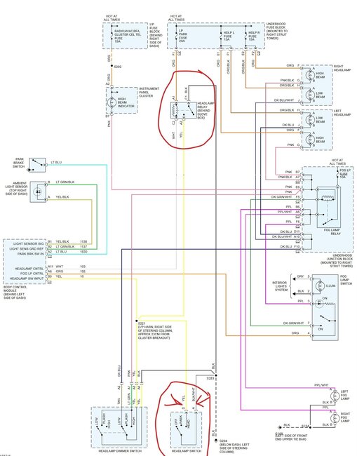
I believe this is the headlight relay and the only wire that lit up was the orange 1 is this normal and yes the key was on no it didn't make the lights come on
Was this
answer
helpful?
Yes
No
Sunday, January 25th, 2026 AT 2:46 PM
Tiny
STEVE W.
  • MECHANIC
  • 15,697 POSTS
That looks like the correct colors. Unplug the relay and connect the yellow and black wires. Try the lights. That connection bypasses the switch and relay. The BCM can also turn on the relay but the jumper bypasses that as well. That should send power to the dimmer switch and either the low or high beams should light depending on the switch position. If you still get nothing then we go out to the headlights and see if power is getting to the lamps on the orange and orange/black leads. The switches and controls turn the lights on by grounding the other leads.
Was this
answer
helpful?
Yes
No
Sunday, January 25th, 2026 AT 4:09 PM
Tiny
WIMMS77
  • MEMBER
  • 75 POSTS
I get nothing when I touch the test light to the yellow in this cluster only the orange gives me anything
Was this
answer
helpful?
Yes
No
Monday, January 26th, 2026 AT 2:53 PM
Tiny
STEVE W.
  • MECHANIC
  • 15,697 POSTS
There won't be power on the yellow. Orange is the power to the relay. The BCM then applies a ground and that closes the relay. If you put a jumper between the Yellow and the Black wires, that simply completes the circuit that should turn on the lights There is no power there. The headlights get power directly, the ground circuit is what turns them on.
Was this
answer
helpful?
Yes
No
Monday, January 26th, 2026 AT 7:20 PM
Tiny
WIMMS77
  • MEMBER
  • 75 POSTS
When you say put or connect a jumper wire between the 2 wires the black and yellow or black and orange do you mean pull the prongs out of the harness im at a loss
Was this
answer
helpful?
Yes
No
Monday, January 26th, 2026 AT 8:17 PM
Tiny
STEVE W.
  • MECHANIC
  • 15,697 POSTS
Unplug the relay from the harness. Then look into the socket the relay was plugged into. Find those two wires and just put a piece of wire between them. That will bypass the relay and the switch. The idea is to eliminate those as the issue. If you put the jumper in and turn on the key that should tell the BCM to turn on the lights. If you get nothing, then we go to the PCM or the lights. However as you have said you can get the lights to come on by pulling the handle up, we know that the fuses and power to the lights is OK and that the high beam bulbs work. That leaves a bad dimmer switch or bad BCM. The bypass is just to eliminate some wiring to verify that there isn't an issue in the wire to the splice or an issue with the splice itself.
Next stop is going to be the dimmer switch for testing BCM will be last as it's harder to test and needs programming if it has to be replaced.
Was this
answer
helpful?
Yes
No
Tuesday, January 27th, 2026 AT 10:23 AM
Tiny
WIMMS77
  • MEMBER
  • 75 POSTS
I'm at a loss on what the dimmer switch is because the low beams work from the pull knob on my dash by the driver door and the brights work from the multiswitch on the steering wheel that I have to pull forward to make them work other then that nothing involving my lights is thru this switch mind you it controls the cruise turn signals and wipers that all are working fine but that fuse behind the glove box is connected to a metal pin and I can't get it off of it at all without breaking it I fear but I'm going to try to pull it apart from it's harness again hopefully it will be easier then it was the 1st time and then il lyk I did read up about this issue and came across the dash lights issue I mentioned and in most cases they say the same as you that it's most likely this relay but if not then it can be the bcm or wiring what's a burnt out bulb look like tho is it like a fuse and you will see something obvious
Was this
answer
helpful?
Yes
No
Friday, January 30th, 2026 AT 2:45 PM
Tiny
STEVE W.
  • MECHANIC
  • 15,697 POSTS
OK your description has changed. Let me see if I have the new one, earlier you said that the only lights that worked were the high beams and only when you moved the stalk for the flash to pass. "
So when I pull the knob for my headlights to come on nothing happens. When I push it back in the park lights will go off. When I turn on my brights with the turn signal switch I have to hold them on in order for them to stay on if I let it go they go off."

However now you say the items below, correct me where I'm wrong.
When you pull on the light switch the low beams both work, Correct?
When you pull up on the dimmer the high beams work, Correct?
You cannot select the high beams with the stalk and have them stay on, without holding the stalk, Correct?

If those three are correct then you have a bad dimmer switch. The internals have broken. The switch on those moves a set of contacts inside them and latches them in place either low beam or high beam. In your case you turn on the headlights and just cannot select high beams because the latch broke. As such it is a mechanical failure in the switch. The fuses and relays are all working or the lights wouldn't work at all. The fact that the low beams come on with the switch and not that only the parking lights come on shows that.

So you need to disconnect the negative battery terminal, wait at least 20 minutes then remove the air bag from the steering wheel, then the steering wheel. Then remove the shrouds from the steering column and remove the screws that retain the switch, Disconnect the harness connection and reverse the process with the new switch.

From service info -

First you need the J 44298 Driver Air Bag Removal Tool or go online and see how you can use a couple of flat tools to reach in and disconnect the retainers. Then -

1. Verify that the multifunction turn signal lever is in the center of the OFF position.
2. Disconnect the negative battery cable.
3. Disable the SIR system. (Pull the air bag fuse)
4. Remove the inflatable restraint steering wheel module. Using the tools

5. Remove the steering wheel. For this you remove the air bag, then lock the steering column, make a mark on the steering shaft and one on the wheel so you can line them up later, don't mark the nut as it has to come off. Now use the puller to pop the wheel off the shaft.

6. Remove the steering column trim covers. These are both clipped and screwed in place. Remove the screws and if you have a tilt column put it tilted down just a bit, then pull straight out at the base of the tilt lever and it should pop free. Remove the screws in the bottom cover and drop it off.

7. Remove the steering column wire harness (1) from the steering column wire harness retainer (2).
8. Remove the two wire harness straps from the steering column wire harness (1).
9. Remove the steering column bulkhead connector from the vehicle wire harness.
10. Disconnect the gray and black connectors from the multifunction turn signal lever steering column bulkhead connector.
11. Remove the retaining bolts (1) from the multifunction turn signal lever (2).
12. Remove the multifunction turn signal lever (2) from the staring column.

Reverse the process to install the new switch.
Was this
answer
helpful?
Yes
No
Friday, January 30th, 2026 AT 7:51 PM
Tiny
WIMMS77
  • MEMBER
  • 75 POSTS
I guess I must not have been as clear as I thought I was but yes that's exactly what I have been saying is that when I pull the knob on the dash I get nothing for headlights and the only way I get any lights at all is when I pull the multi switch that controls the cruise turn signals and wipers forward and hold it there constantly that what I have assumed were my brights until you referred to it as the flash to pass and I looked it up in the owners manual and that's what they refer to these lights as and these are the only ways to have any type of lights at all which now makes sense on why I have to keep it held forward to keep the f2p lights on constantly and the knob I just changed on my dash that when pulled has 2 levels it pulls out I guessed the 1st pull is for the low and the 2nd pull for the high beams to come on and back in completely to turn all lights off and the knob itself turns to the right to brighten the dash lights and to the left to darken them. But remember when I told you I changed the dash switch and 1 of the wires with the metal tips that stick down into the harness wasn't staying down inside completely and if it could have anything to do with the headlights or some areas of the dash lights not to be working? So to sum all that up #1. I have zero lights at all with both the old and the new installed dash pull knob for the headlights the only way any light to see at night comes from my headlights is only when I hold the flash to pass on the steering wheel forward constantly #2.I had dash lights except for the prndl and mileage before I installed the new switch on my dash and now none of my dash lights come on except the warning lights like check engine low coolant seat belts on both sides of the dash the radio doesn't light up now either but comes on I hope this better explains my issues lmk your thoughts
Was this
answer
helpful?
Yes
No
Saturday, January 31st, 2026 AT 2:19 AM
Tiny
STEVE W.
  • MECHANIC
  • 15,697 POSTS
The dash switch has three positions, Off which shuts off all lights.
Pull out to the first stop turns on the marker(parking) lights. The marker position also turns on the dash lights as well. The wire you referred to that was falling out is for those and it sounds like the retaining tab on the contact is bent and the contact is loose. If you pull it out you can crimp the area that holds the other connector and ion the back should be a small tab that you can bend out, then it should push in and click. That should fix the dash and marker lights if it's just the wire that is loose. Pull the switch fully out and use a small pick to push in on each connection in the block. Do any of them make a difference? Wondering if some have heated up and are not making contact.

Pull it out to the second position turn on the marker lights and the headlights, both high and low with the selected beam being decided by the dimmer switch.

If you pull up slowly on the dimmer stalk on the column the flash to pass should be about halfway up and should drop back when you take the pressure off, then you pull up farther and the switch should click as it switches the internal contacts from high to low beam. Do you hear it click?
Was this
answer
helpful?
Yes
No
Saturday, January 31st, 2026 AT 12:20 PM
Tiny
WIMMS77
  • MEMBER
  • 75 POSTS
I thought the dimmer switch is part of the pull knob on my dash because it literally says dimmer on it and before changing out the old one for the new 1 it made the dash lights light to dark however with both the new and old dash mounted switch I get zero headlights no matter what and on the column mounted switch no I don't hear any clicks I can think of but I will check tomoro when it's warmer and lyk 4 sure
Was this
answer
helpful?
Yes
No
Saturday, January 31st, 2026 AT 3:25 PM

Please login or register to post a reply.