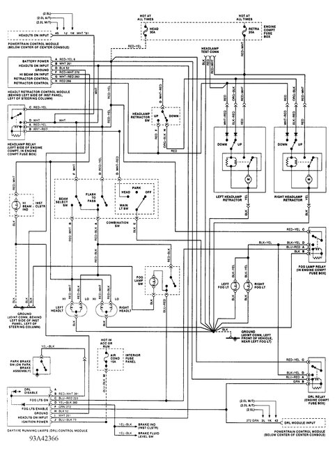
Headlights close on their own or just do not open

Tiny
DARLENELAVINA
  • MEMBER
  • 1993 FORD PROBE
  • 4 CYL
  • 2WD
  • AUTOMATIC
  • 78,000 MILES
Sometimes they just do not open, other times they are on and open but close on their own, often if I keep driving they pop back up but sometimes I have to put my hazards on and just keep driving.
Wednesday, May 31st, 2017 AT 1:20 PM

1 Reply

Tiny
STEVE W.
  • MECHANIC
  • 15,697 POSTS
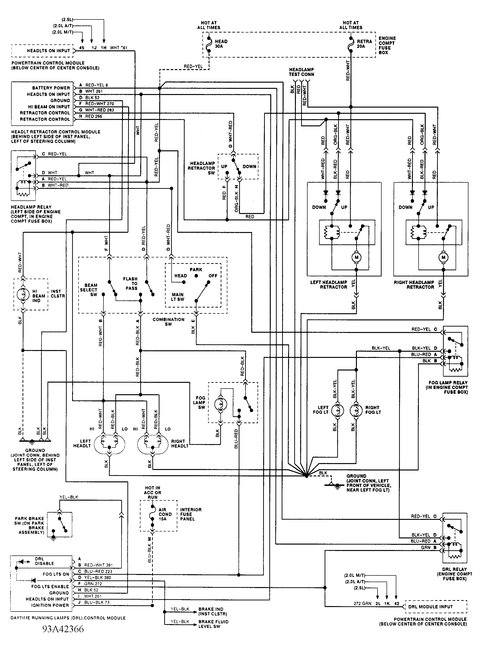
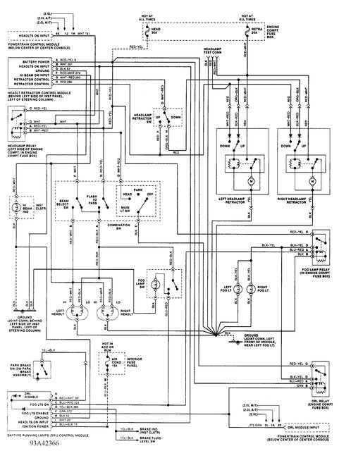
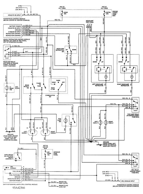
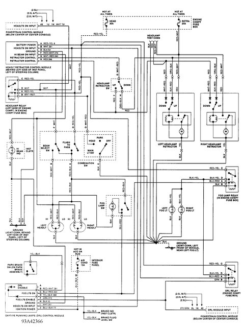
Headlight door motor issues are a common problem, have been since the early days of hidden headlights. In your case it sounds like a bad connection to the re-tractor module (behind the left side of the dash) or it is starting to fail.
If it was only one light I would say it is a motor but with both it has to be in the control circuit. It is not a hard system to test but the module test is basically, if it works it is good if not replace it. The "works but then does not" intermittent items are the worst to trace. Basically you pull every connector and clear it and test until you find the bad one.
Was this
answer
helpful?
Yes
No
+1
Wednesday, May 31st, 2017 AT 3:52 PM

Please login or register to post a reply.