Headlights wiring diagram needed

Tiny
BEN RODRIGUEZ
  • MEMBER
  • 2008 KIA OPTIMA
  • 2.4L
  • 4 CYL
  • 2WD
  • AUTOMATIC
  • 223,465 MILES
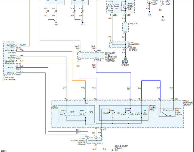
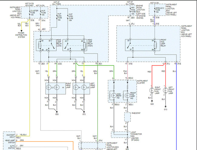
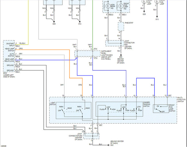
Need a wiring color diagram for high and low beam headlights. Please
Thursday, February 25th, 2021 AT 6:06 AM

1 Reply

Tiny
JACOBANDNICKOLAS
  • MECHANIC
  • 110,194 POSTS
Hi,

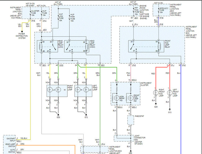
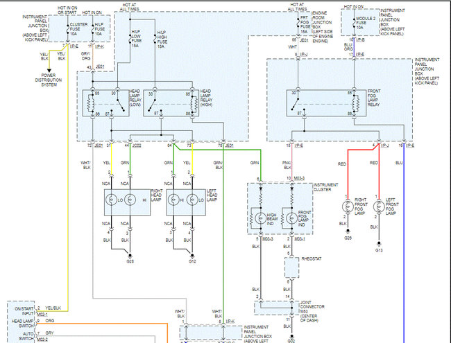
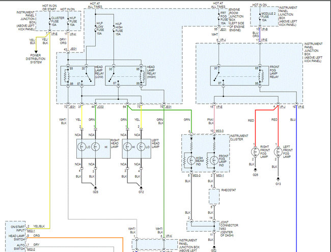
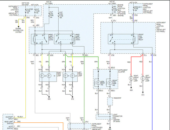
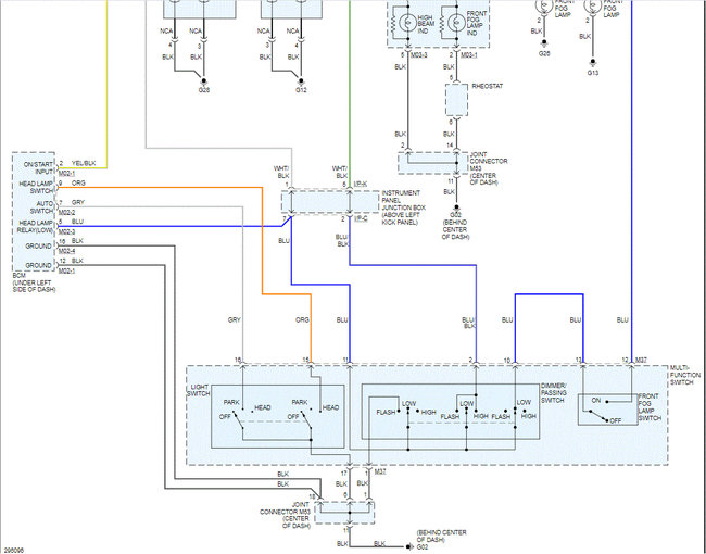
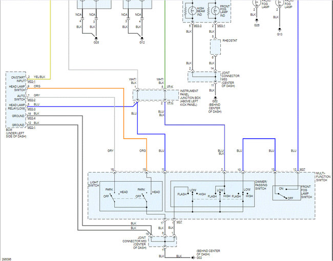
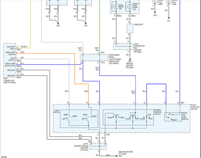
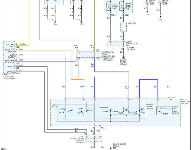
If you look at the pics below, I attached the entire wiring schematic for this vehicle without daytime driving lights. If you have daytime driving lights, I have to get a different schematic.

I had to cut the pic in half to make it readable, but I did overlap them so you can follow them easier.

Here is a link you may find helpful:

https://www.2carpros.com/articles/how-to-check-wiring

Let me know if this helps or if you have other questions.

Take care and God Bless,

Joe
Was this
answer
helpful?
Yes
No
-1
Thursday, February 25th, 2021 AT 6:15 PM

Please login or register to post a reply.