Headlights will not turn on

Tiny
KNIELSEN84
  • MEMBER
  • 2002 CADILLAC DEVILLE
  • V8
  • 2WD
  • AUTOMATIC
  • 200,000 MILES
The fuses are all good and relays are all good, but the parking lights come on?
Friday, January 29th, 2021 AT 6:32 PM

5 Replies

Tiny
DANNY L
  • MECHANIC
  • 5,648 POSTS
Hello, I'm Danny.

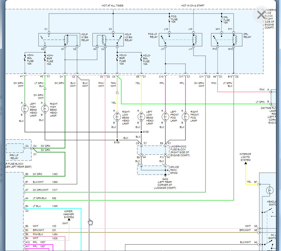
It sounds like you might be having an issue with the headlight low beam relay. Here is a tutorial showing how to test a relay:

https://www.2carpros.com/articles/how-to-check-an-electrical-relay-and-wiring-control-circuit

I've attached a picture of the under hood fuse block which houses the low beam relay in location #28. I've circled it in red. If you want to try this, Switch the high beam relay in location #27 below it and see if the low beams come on. That will let you know if the relay is bad or you have an electrical wiring problem. Let us know what you find out. Hope this helps and thanks for using 2CarPros.
Was this
answer
helpful?
Yes
No
Friday, January 29th, 2021 AT 11:28 PM
Tiny
KNIELSEN84
  • MEMBER
  • 3 POSTS
No, sorry that doesn't work.
Was this
answer
helpful?
Yes
No
Saturday, January 30th, 2021 AT 8:12 AM
Tiny
KASEKENNY
  • MECHANIC
  • 18,907 POSTS
Just to clarify what the issue is that you are dealing with, when you turn the head lights on, they do not come on but the parking lights do come on?

Do the high beams work? Either when you have the lights on and you turn the high beams on or the flash to pass?

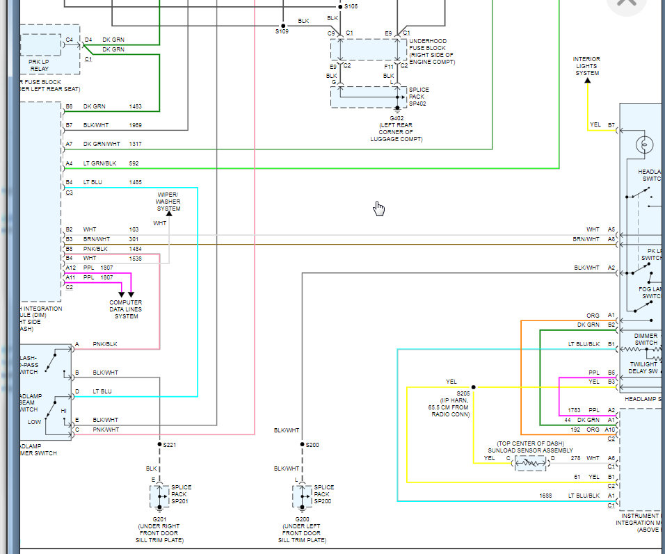
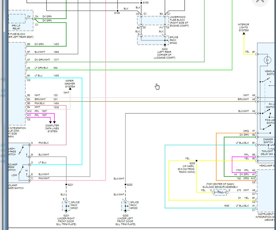
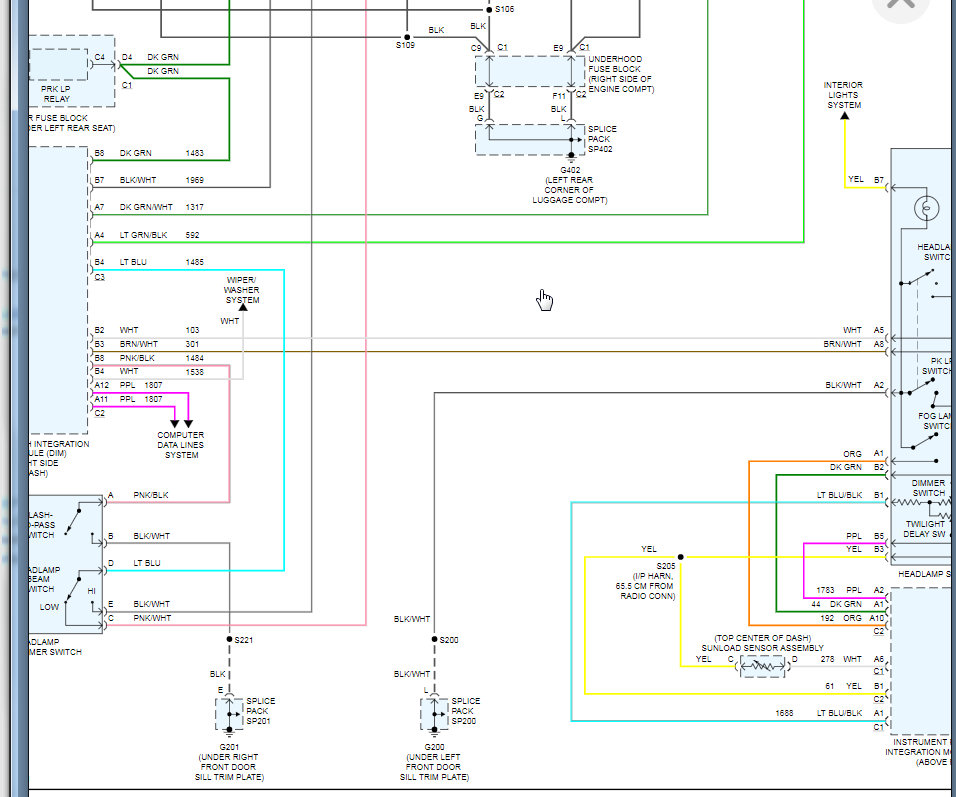
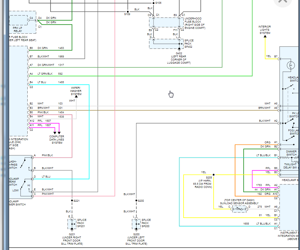
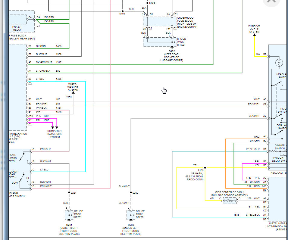
I would suggest starting with checking the signal from the switch to the relay. The last attachment below shows a close up on this wire from the switch to the relay. We need to test this by removing the relay and putting your red meter lead on battery positive and the black lead on the terminal of this wire and turn the headlights on. You should have 12 volts on the meter as the switch grounds this circuit to close the relay and that sends voltage to the headlights.

Let's run through this and see what turns up. Thanks
Was this
answer
helpful?
Yes
No
Tuesday, February 2nd, 2021 AT 3:34 PM
Tiny
KNIELSEN84
  • MEMBER
  • 3 POSTS
Okay, get back to you. Thanks
Was this
answer
helpful?
Yes
No
Tuesday, February 2nd, 2021 AT 7:35 PM
Tiny
DANNY L
  • MECHANIC
  • 5,648 POSTS
Hello again.

Just curious to know if you made any progress with wire testing. Let us know if you need anything else. Hope this helps and thanks again for using 2CarPros.

Danny-
Was this
answer
helpful?
Yes
No
Friday, February 5th, 2021 AT 9:24 PM

Please login or register to post a reply.