1996 Cadillac Deville headlight problem

Tiny
TAYLOR BARRETT
  • MEMBER
  • 1996 CADILLAC DEVILLE
  • V8
  • FWD
  • AUTOMATIC
  • 65,000 MILES
My cadillac's headlights recently stopped working. The daytime running lights come on as they should, but headlights will not come on. I checked the relay and it works. The maxifuse for the headlamps works as well. But the minifuses for the headlamps are not getting power. That made me think it was the headlamp switch, so I bought one and still did not fix the problem.

lastly, today I checked for loose wiring on the pcm. (Power control module) under the air cleaner. The wiring was in near-perfect condition.

could it be blinker switch on the steering column? Because the windshield wipers and windshield wiper fluid motor doesn't work either.

im 17 and need some advice ! Please help!
Thursday, July 7th, 2011 AT 1:38 AM

7 Replies

Tiny
FACTORYJACK
  • MECHANIC
  • 4,159 POSTS
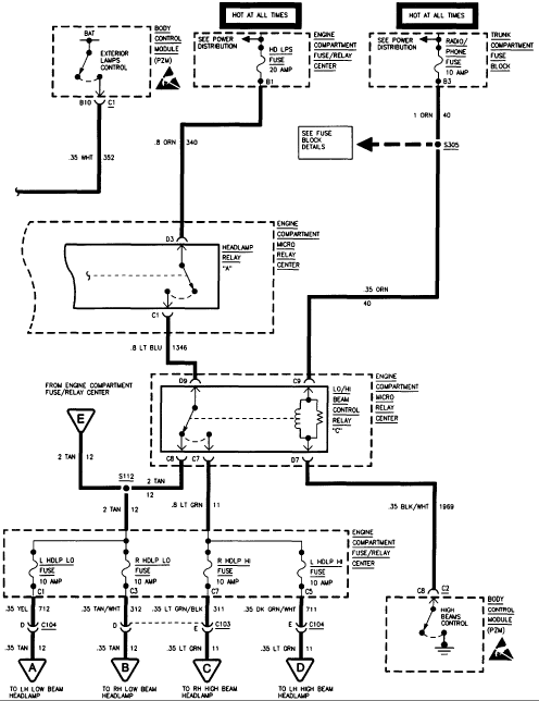
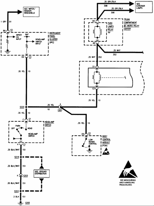
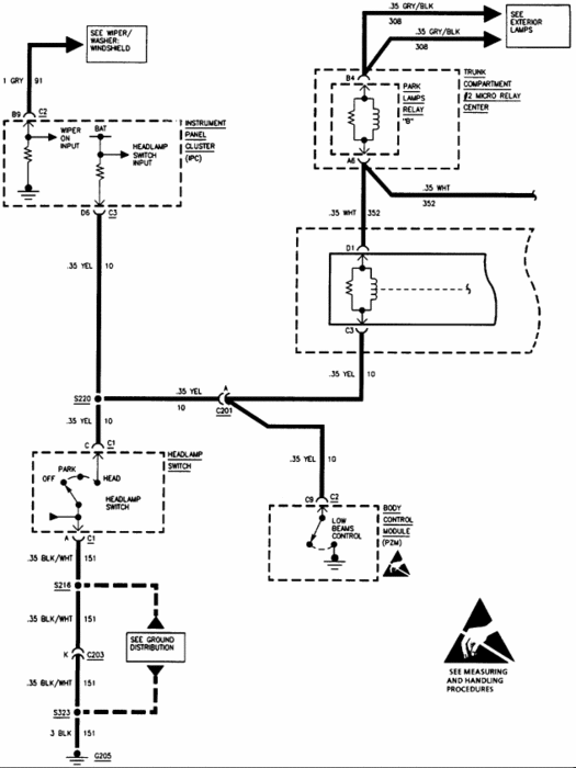
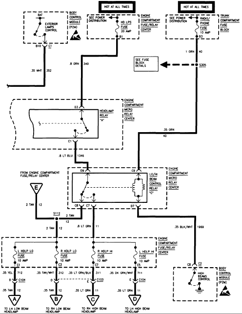
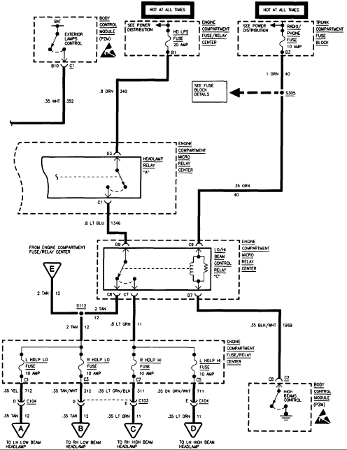
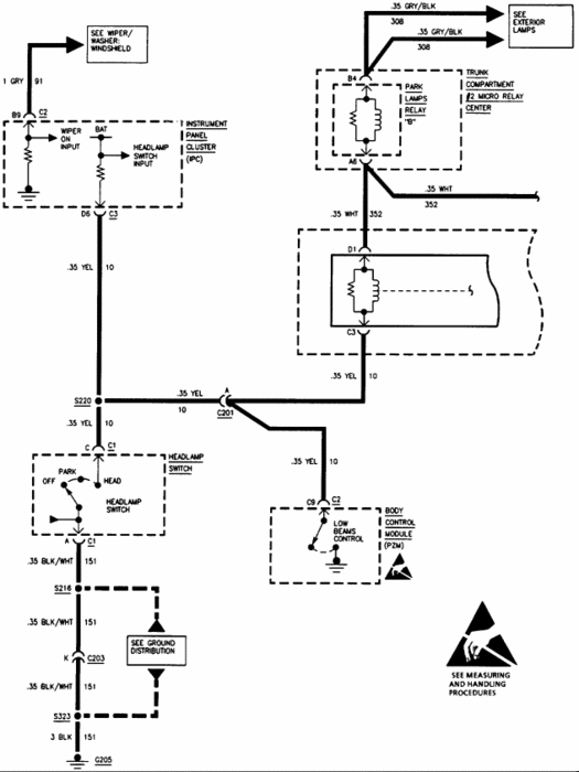
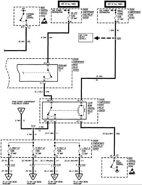
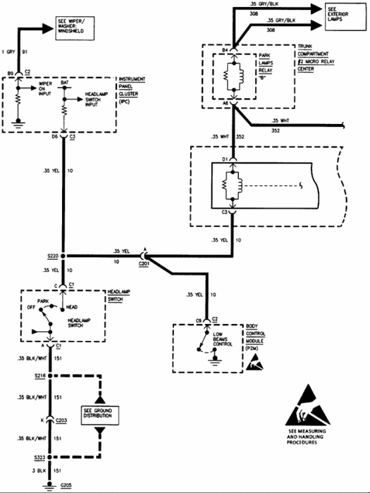
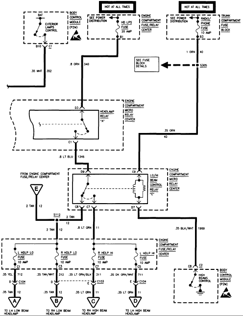
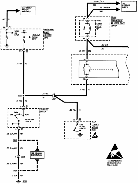
Hi Taylor, I can try and get you through this. You determined that the headlamp fuses are getting no power, what method did you use, and are both the high beam and low beams inoperative? If you have neither hi, nor low beams, check also the hdlps fuse that is in the same fuse block that the lo and hi fuses are in. Power from this fuse goes through the high/lo control relay via an assumed closed headlamp relay. The headlamp relay is closed by being grounded through the headlamp switch, and power to the switch comes from the IPC. Just out of curiousity, do the park lamps work? If the answer to what method is a test light, it should be simple to trace the circuit. Check the hd lps fuse, if that is good check and/or swap the lo/hi beam control relay. I have attached schmatic for the circuit. There is a lot of PZM(body control) module influence you will see in the circuit. This is for keyless entry flashing, and twilight functions. This is assuming you are manually pulling the stalk on the headlamp switch.
Was this
answer
helpful?
Yes
No
Thursday, July 7th, 2011 AT 2:13 AM
Tiny
TAYLOR BARRETT
  • MEMBER
  • 3 POSTS
The only time the headlights come on is when the daytime running lights are on. The 10amp fuses are getting no power, but the 20amp headlight fuse just underneath the 10amp fuses is getting power. I am using a test light to find these things out. And to answer your question, the park lamps do work. Every light works on the car except the headlights, or so i've found out so far. Is there anything else you need to know? I really appreciate the response!
Was this
answer
helpful?
Yes
No
-1
Thursday, July 7th, 2011 AT 6:49 PM
Tiny
FACTORYJACK
  • MECHANIC
  • 4,159 POSTS
In looking at the schematic, you would have to test the headlamp relay for closing, then feeding power to the double throw lo/hi relay. Unless the lo/hi relay is completely open, it would be assumed that something would light(hi or lo) if the headlamp relay closes. That 'E' with inside an arrow comes from the DRL relay through a resistor, to give you reduced intensity lo beams for DRL. If the park lamps work, that validates the ground at the switch, and you replaced the headlamp switch as well. You need to check that headlamp relay 'a' is closing, and that lo/hi relay has continuity through the switch contacts. If you can find the terminal at the lo/hi relay that goes to the headlamps, you could feed power at that terminal and verify the circuit to the lamps is functional. It sounds like if you don't have a faulty relay, you have a wiring or terminal problem.
Was this
answer
helpful?
Yes
No
+1
Thursday, July 7th, 2011 AT 10:48 PM
Tiny
TAYLOR BARRETT
  • MEMBER
  • 3 POSTS
I just checked the hi/lo relay as well as the headlamps relay by putting 12v at opposite ends and they clicked. So that would mean the wiring is bad or terminal problems. How to I check at the hi/lo relay terminal? Feed power from the terminal that is getting power to the diagonal end using a wire?
Was this
answer
helpful?
Yes
No
-1
Friday, July 8th, 2011 AT 4:14 AM
Tiny
FACTORYJACK
  • MECHANIC
  • 4,159 POSTS
It sounds like you checked the control side and they are functional. It depends on the switched side, as to whether or not they have open switch contacts. Usually on the side of the relay, there is a layout of what pins do what function, with appropriate pin numbers. The hi/lo relay is a double throw, meaning that when the relay is not energized, there should be continuity through one set of contacts, and when it is energized, contact through another. Both of the relays may be the same, I believe 5 pin. They should operate the same. If you can find the contacts of the hi/lo relay that have continuity de-energized, you can feed fused power down that leg of the fuse block and see that the lights come on. The fact that you don't have high or low beams, indicate that you have no power coming from the headlamp relay 'A' on light blue circuit 1346 to the hi/lo relay. Or, the power from the HD LPS fuse and ORN circuit 340 is interrupted. Or the headlamp relay is not being closed.
Was this
answer
helpful?
Yes
No
Friday, July 8th, 2011 AT 6:06 AM
Tiny
GREATGT
  • MEMBER
  • 1 POST
Taylor did you ever find the problem? Because Im having the same problem. Please advise
Was this
answer
helpful?
Yes
No
-2
Thursday, January 24th, 2019 AT 4:41 PM
Tiny
STEVE W.
  • MECHANIC
  • 15,697 POSTS
Welcome to 2CarPros. I don't believe he ever returned to give a report on the problem.
If you would please use this link https://www.2carpros.com/questions/new
to ask this as a new question and give your vehicle information and anything you have already tried like checking fuses or any other info that might help.
Thank you in advance.
Was this
answer
helpful?
Yes
No
Sunday, January 27th, 2019 AT 11:38 AM

Please login or register to post a reply.