When it is cold outside I have no dash or headlights

Tiny
THANSON
  • MEMBER
  • 1991 GMC SIERRA
  • 2WD
  • AUTOMATIC
  • 270,000 MILES
It takes any where from 15 -30 minutes before all of them will come on. I had repair on the light stitch about 6 months ago and it's been fine until the cold weather has come.
Thursday, October 31st, 2019 AT 4:58 AM

1 Reply

Tiny
MASTERWRENCH
  • MECHANIC
  • 258 POSTS
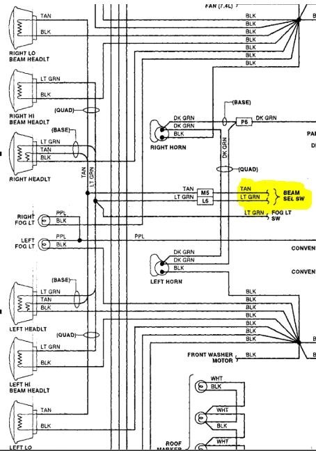
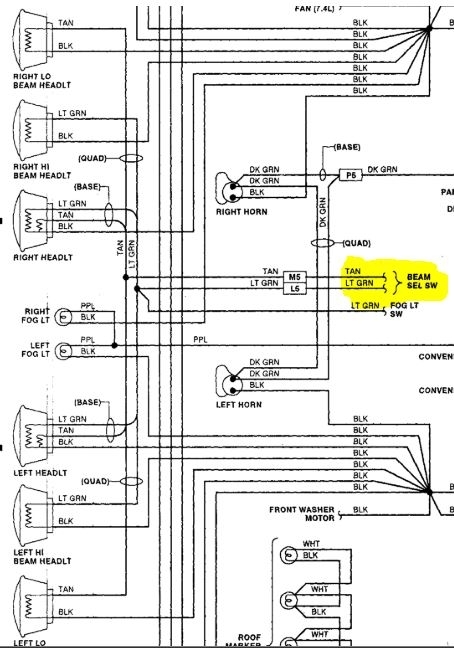
Let's start with the basics. When the issue is present, start by checking for power at the headlamp switch. This should be the red wire at the switch connector (see first attachment). From there, you can follow the circuit through the headlamp switch, to the beam selector switch and finally to the headlamp bulbs. The highlighted sections on both diagrams indicate where the circuit leads from the first page to the second. If you don't have power, you'll need to check the courtesy fuse to see if power is present there.

Let us know what you find!
Was this
answer
helpful?
Yes
No
Sunday, November 3rd, 2019 AT 4:12 PM

Please login or register to post a reply.