Dash lights are out?

Tiny
TANYAF
  • MEMBER
  • 2007 GMC SIERRA
  • V8
  • 4WD
  • AUTOMATIC
  • 38,000 MILES
Dash lights are out how fix it?
Tuesday, September 8th, 2009 AT 1:35 PM

1 Reply

Tiny
SQM
  • MECHANIC
  • 6,383 POSTS
Hello,

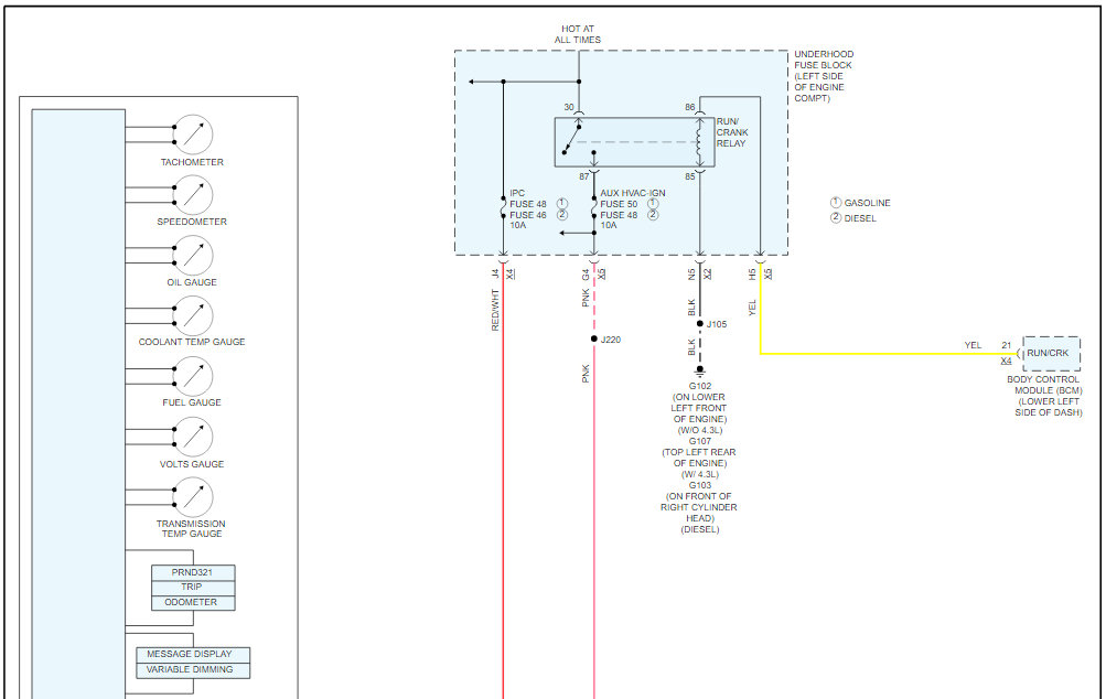
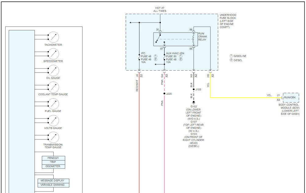
It is likely a blown fuse.
There should be a 10A fuse in the fuse box on the left side of the instrument panel.

https://www.2carpros.com/articles/how-to-check-a-car-fuse

If the fuse checks out, then the issue could be a faulty wire for the gauge cluster.

I have included the wiring schematics for your reference.

Please let me know of any questions.
Thank you.
Was this
answer
helpful?
Yes
No
Tuesday, October 5th, 2021 AT 8:10 PM

Please login or register to post a reply.