Monday, December 5th, 2011 AT 12:13 AM
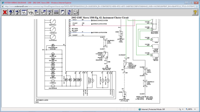
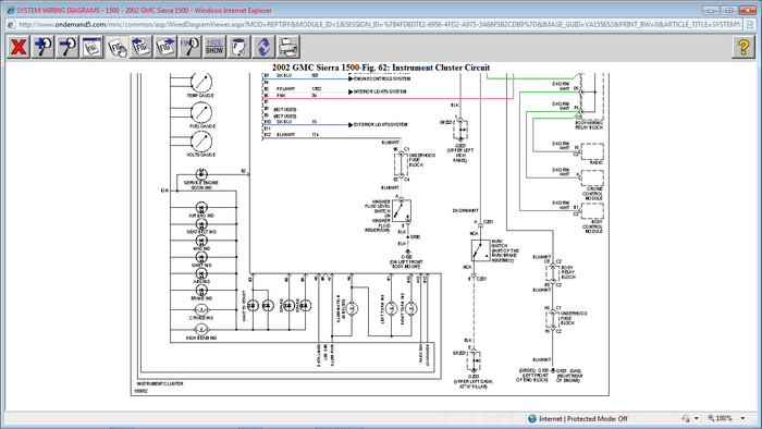
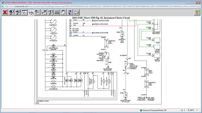
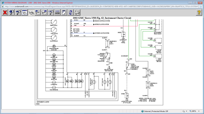
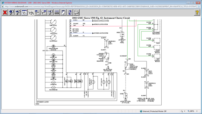
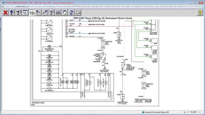
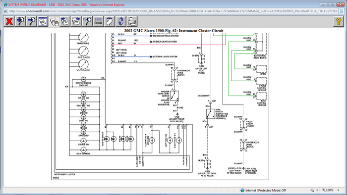
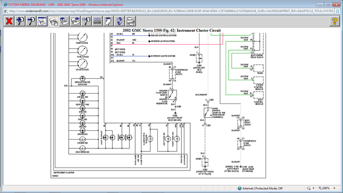
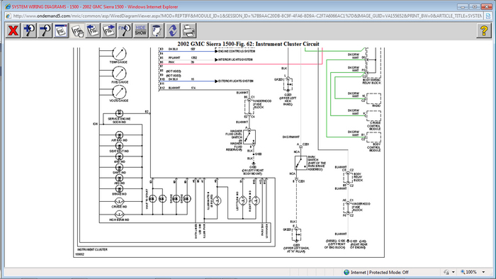
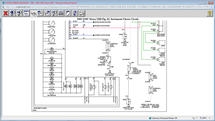
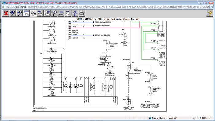
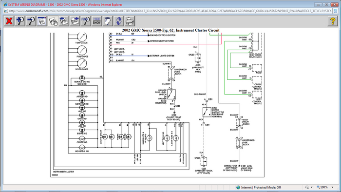
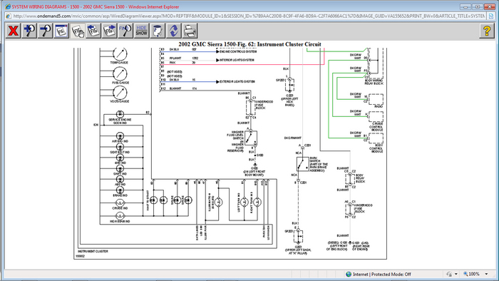
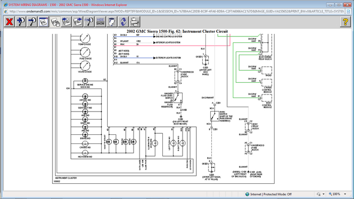
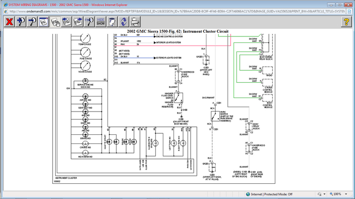
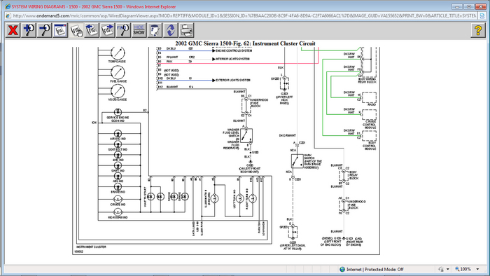
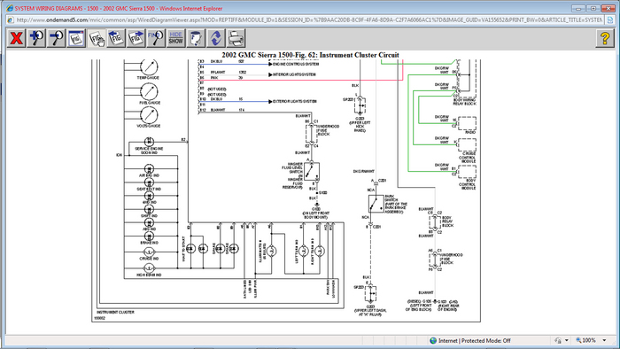
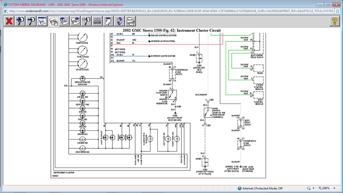
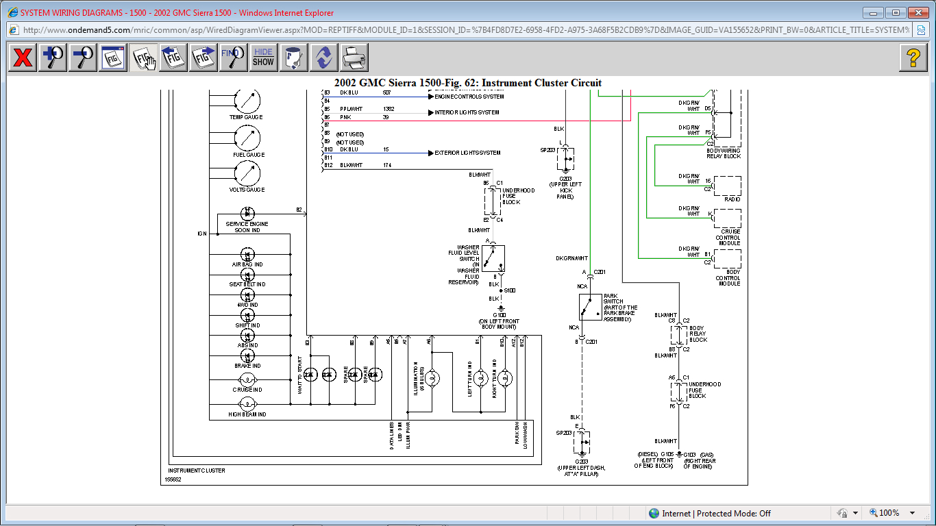
All of the illuminated icons cruise, seatbelt, blinkers, gear selection all work but the backlight does not work I checked most of the bulbs and they were fine. I can't find a fuse that is blown that would be for this. I am not exactly sure where to start with the wiring. Any idea where to go with finding the problem please help






