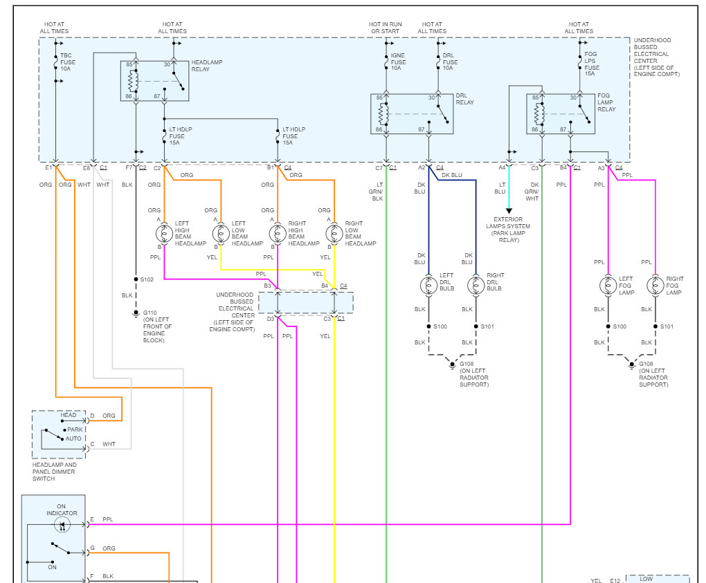
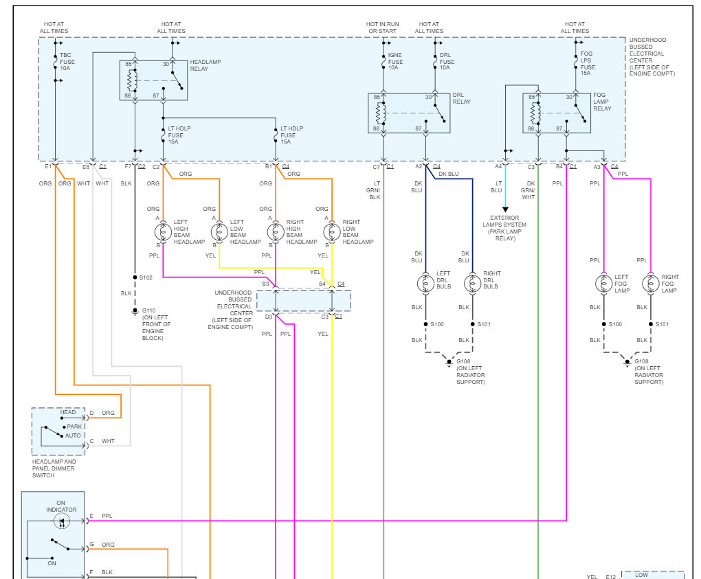
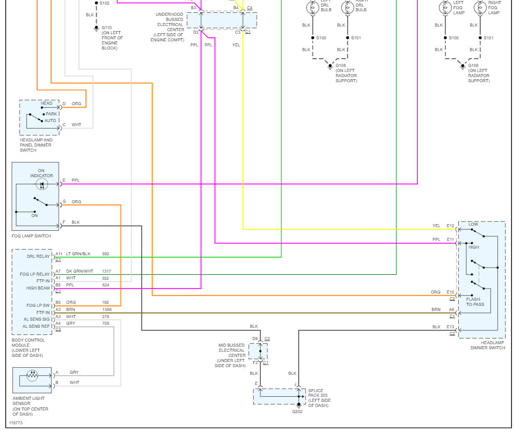
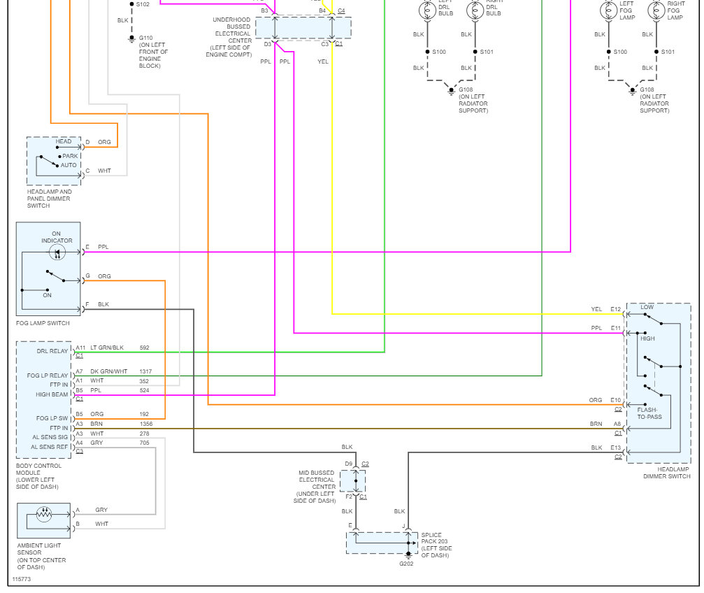
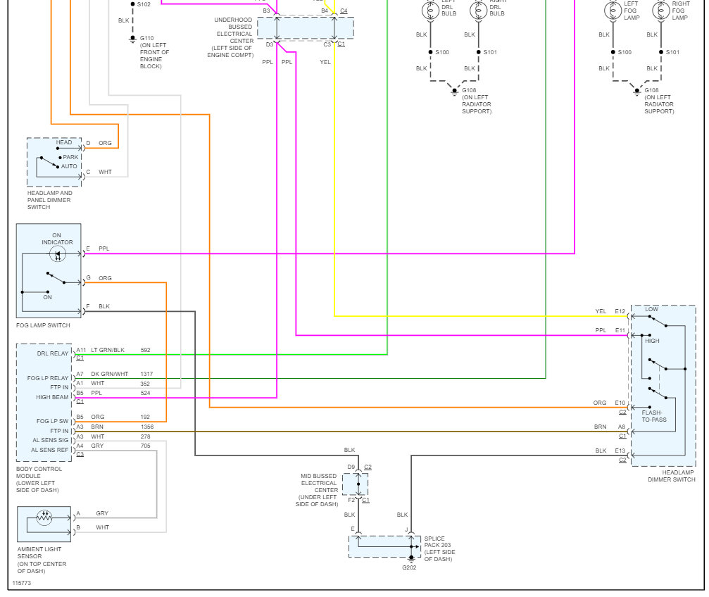
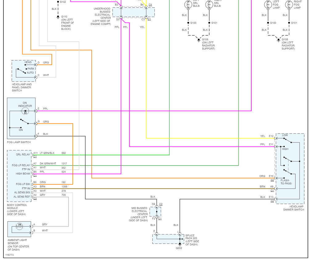
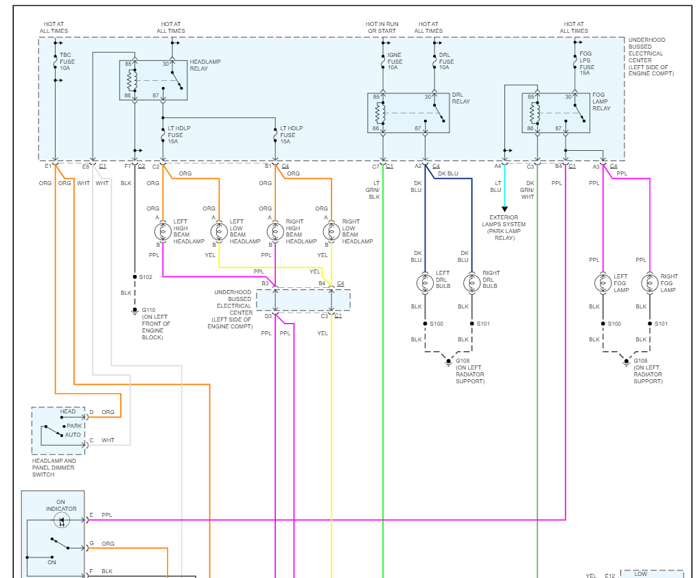
Monday, April 3rd, 2023 AT 7:18 AM
It has no headlights. I've traced the power issue to the dimmer switch in the turn signal multifunction switch. There's a burnt wire at the top right connector and I need wiring diagrams of the circuitry please!



