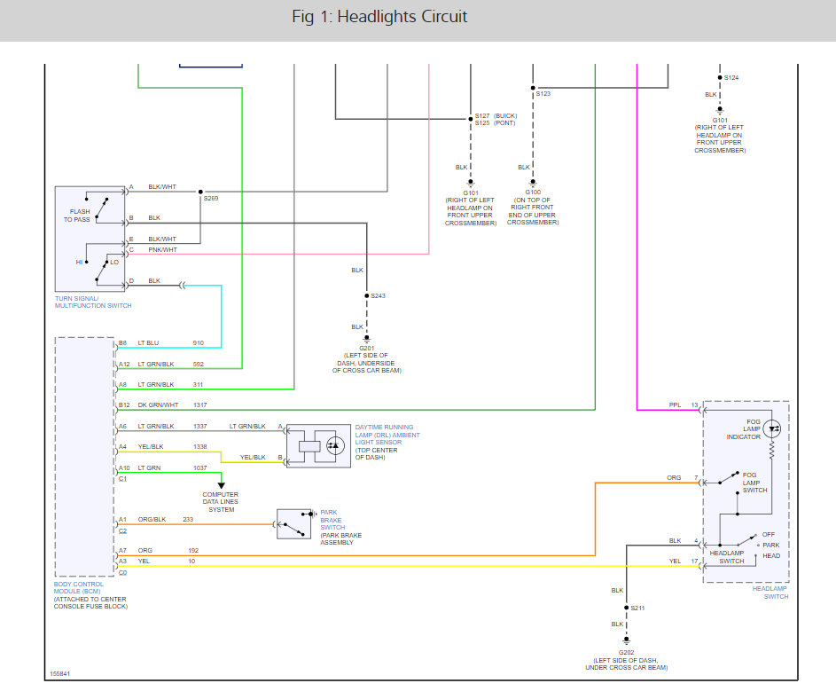
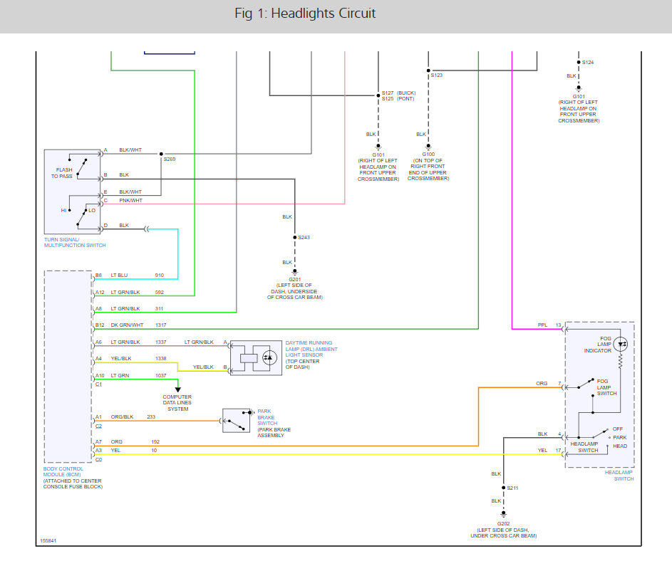
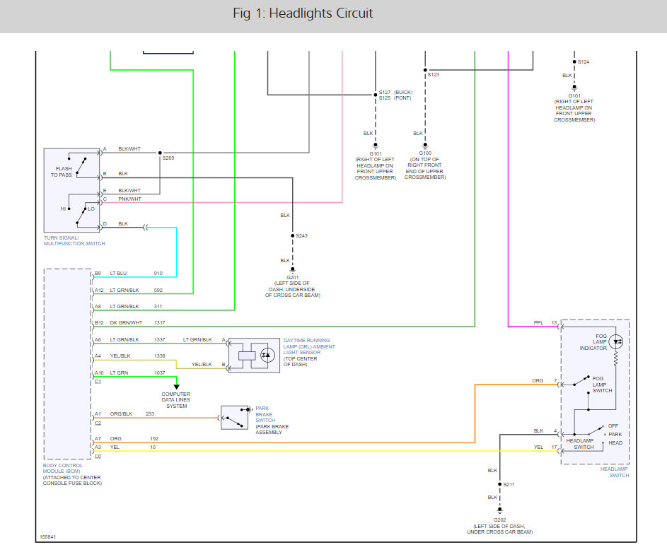
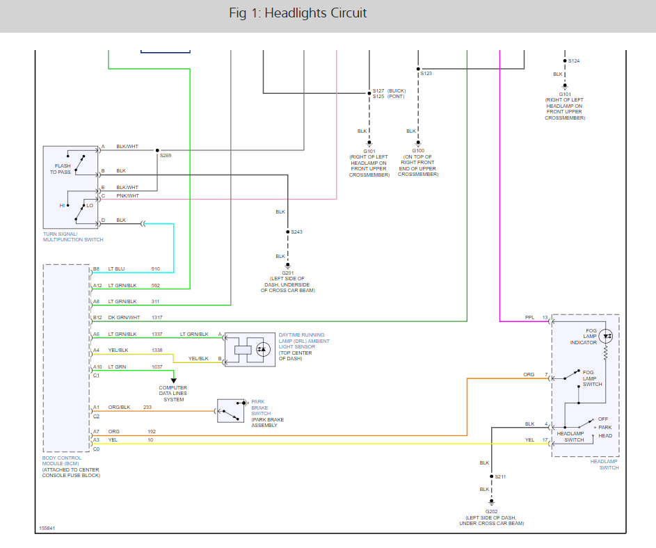
Sunday, January 24th, 2021 AT 6:36 PM
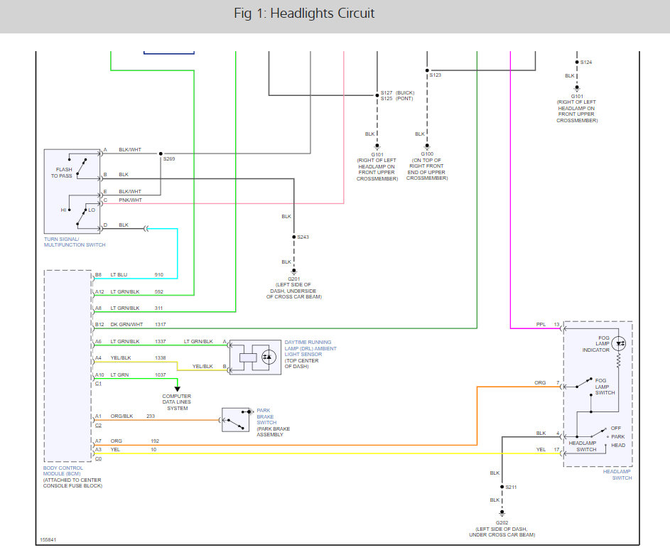
I have replaced multifunction switch, the relays, tested the fuses. I took a flip switch that was connected to my AC relay and put it to my lights, they turned on then started working but then it smelled like the relay was burning.















