Headlight problem?

Tiny
LANDON89
  • MEMBER
  • 2008 PONTIAC G6
  • 2.4L
  • 4 CYL
  • 2WD
  • AUTOMATIC
  • 113,000 MILES
My driver side headlight only works and only on high beam but when I turn my car off both headlights come on. I have had many people look at it but no solution.
Saturday, January 25th, 2025 AT 9:09 AM

13 Replies

Tiny
STEVE W.
  • MECHANIC
  • 15,688 POSTS
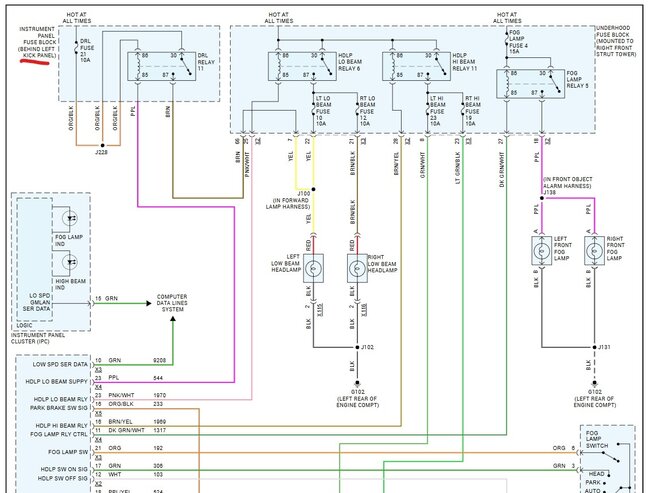
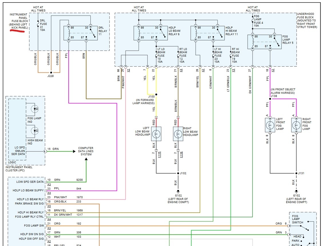
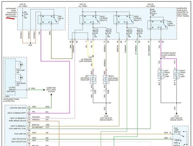
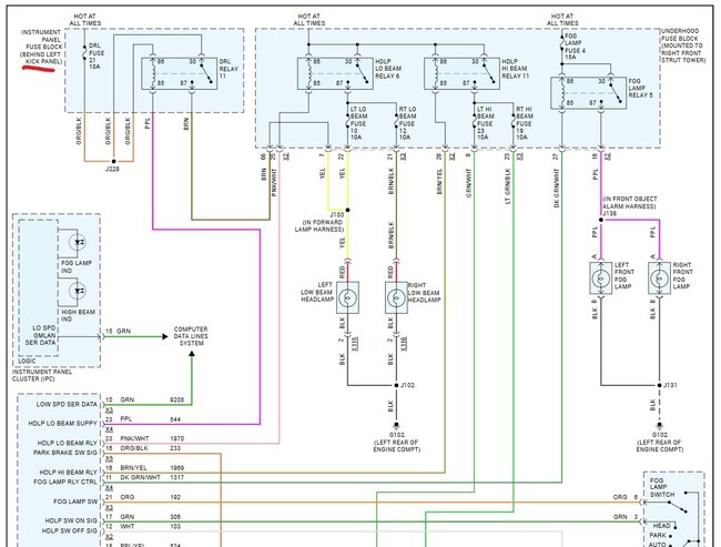
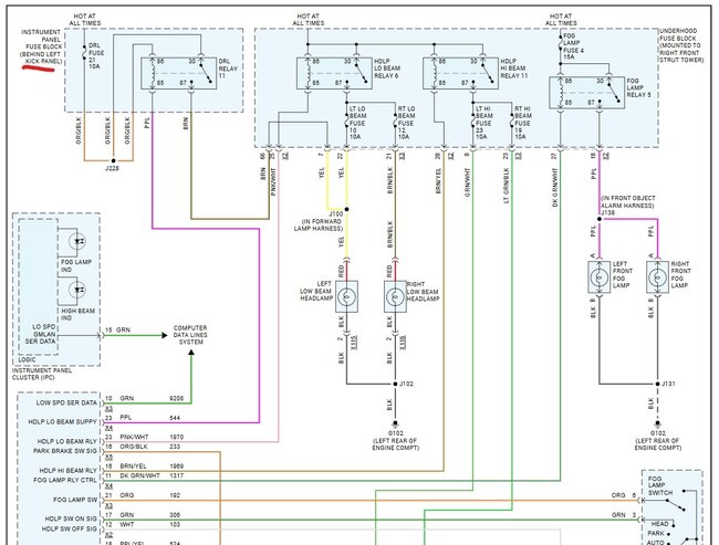
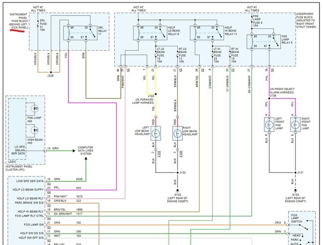
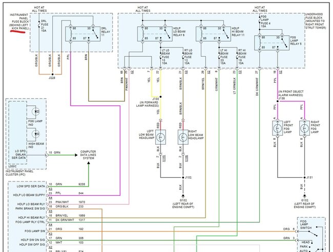
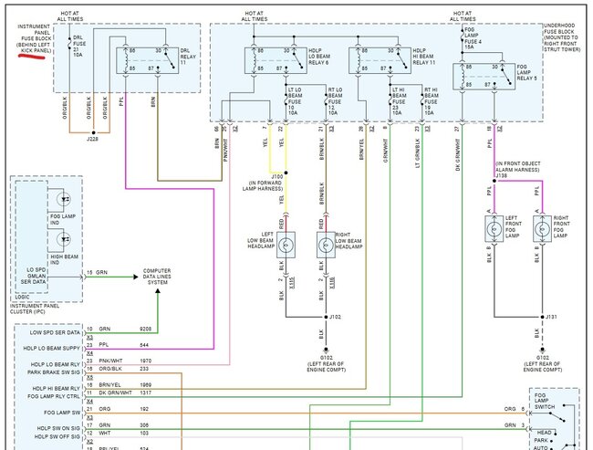
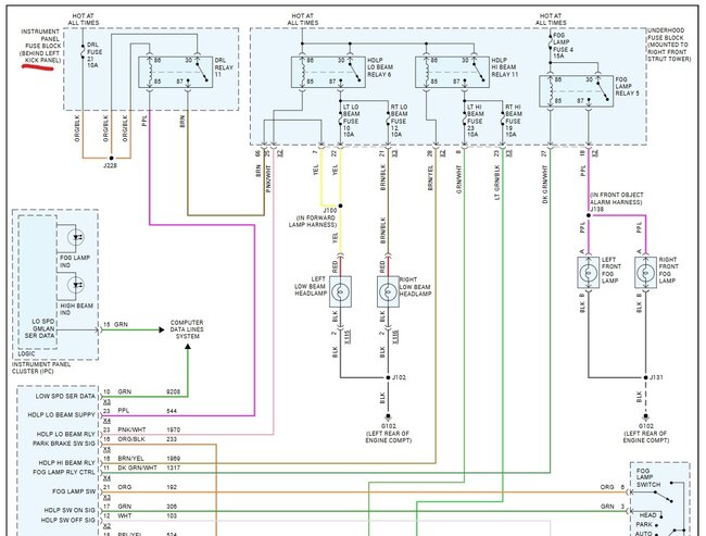
Okay, so with the key off and you turn on the headlights, both low beams work? Both high beams also work? But with the engine running only the driver's side high beam light comes on? That could be bad bulbs, bad fuses or one of the relays has failed. Or worse, the body control module has an internal problem. Step one would be to run the fuses for the lights, those are DRL fuse 21 in the fuse box under the left side of the dash behind the kick panel, then high and low beam fuses 10,12,19 and 23 in the fuse box under the hood. Use a test light and with the key off check them for power with the headlights on with the dimmer in low you should have power to fuses 10 and 12, with it in high there should be power to fuses 19 and 23.
https://www.2carpros.com/articles/how-to-check-a-car-fuse
I'm hoping you find at least one blown fuse in the high beams. If both have power, then it's likely you have at least one bad bulb. A quick way to verify the bulbs and the wiring to them would be to take a short wire, connect one end to battery positive and touch the other end to the 10,12,19 and 23 fuses and see if each light comes on as you apply power. If they all work, then you have a relay or a control problem. Run the fuse and power tests and reply back and we can continue from what you find.
Was this
answer
helpful?
Yes
No
+1
Saturday, January 25th, 2025 AT 11:03 AM
Tiny
LANDON89
  • MEMBER
  • 7 POSTS
I tested fuses and relays they are good I also tested the bulb it was good.
Was this
answer
helpful?
Yes
No
Friday, January 31st, 2025 AT 4:25 AM
Tiny
STEVE W.
  • MECHANIC
  • 15,688 POSTS
Okay, with the bulb being good that sounds like you have more than one possible issue. You say you checked the relays, and they all tested good, did you test the DRL relay as well? If yes, then it's more likely to be the body control module. If the DRL relay is good and using the regular headlight switch doesn't work, it leaves the BCM as the problem. It is somewhat common for those to fail for different things. Physical replacement isn't difficult; however, GM made those modules so they VIN lock. You cannot use a used part without having someone using a programmer on the chip to reset it to blank. Then you still need to program the new module using GM TIS and the correct crossover box.
Was this
answer
helpful?
Yes
No
Saturday, February 1st, 2025 AT 10:20 AM
Tiny
LANDON89
  • MEMBER
  • 7 POSTS
I have found the issue; the ground wire was cut and I connected it and they started working. I bought this car from a crackhead and he did a bunch of nonsense under the hood. Thank you for your time.
Was this
answer
helpful?
Yes
No
Saturday, February 1st, 2025 AT 2:15 PM
Tiny
STEVE W.
  • MECHANIC
  • 15,688 POSTS
That is strange, Could you tell me which ground? Might be useful to check what it does.
Was this
answer
helpful?
Yes
No
Sunday, February 2nd, 2025 AT 11:23 AM
Tiny
LANDON89
  • MEMBER
  • 7 POSTS
It was a ground wire that ran to the plug that plugs into the light enclosure and I grounded it and my lights started working.
Was this
answer
helpful?
Yes
No
Sunday, February 2nd, 2025 AT 11:30 AM
Tiny
STEVE W.
  • MECHANIC
  • 15,688 POSTS
Okay, thank you. Will look that over because a ground shouldn't do that unless there were other "alterations" made. I've seen what I call "crime cars" where they have set up the car so that different lights can be shut off and even different lights added in an attempt the confuse observers.
Was this
answer
helpful?
Yes
No
Sunday, February 2nd, 2025 AT 11:38 AM
Tiny
LANDON89
  • MEMBER
  • 7 POSTS
I did notice there was an added wire it was purple I didn't trace it back to check but I have no clue what it's to.
Was this
answer
helpful?
Yes
No
Sunday, February 2nd, 2025 AT 11:47 AM
Tiny
STEVE W.
  • MECHANIC
  • 15,688 POSTS
You might want to talk to the police and have them run the VIN before you go much farther. You don't want a surprise driving it someday.
Was this
answer
helpful?
Yes
No
Sunday, February 2nd, 2025 AT 3:36 PM
Tiny
LANDON89
  • MEMBER
  • 7 POSTS
Well it's been to the tag office and I have it registered it my name wouldn't it have been flagged during me registering it?
Was this
answer
helpful?
Yes
No
Sunday, February 2nd, 2025 AT 3:38 PM
Tiny
STEVE W.
  • MECHANIC
  • 15,688 POSTS
Usually they would catch it. Just wanted to be sure you didn't have other issues given past ownership.
Was this
answer
helpful?
Yes
No
Sunday, February 2nd, 2025 AT 6:53 PM
Tiny
LANDON89
  • MEMBER
  • 7 POSTS
I have had a few issues with it there was a lot of rigging done to it.
Was this
answer
helpful?
Yes
No
Sunday, February 2nd, 2025 AT 6:54 PM
Tiny
STEVE W.
  • MECHANIC
  • 15,688 POSTS
Yeah, I've run into that a few times. We are here if you run into something else.
Was this
answer
helpful?
Yes
No
Sunday, February 2nd, 2025 AT 7:43 PM

Please login or register to post a reply.