Headlight keeps going out and then on

Tiny
BUBBZYSHIZZAM27
  • MEMBER
  • 2007 CHEVROLET SILVERADO
  • 130,000 MILES
My passenger side headlight on my truck keeps going out. Several times when I go to change it out it starts working again. How can I fix this?
Sunday, October 13th, 2019 AT 4:12 PM

1 Reply

Tiny
KASEKENNY
  • MECHANIC
  • 18,907 POSTS
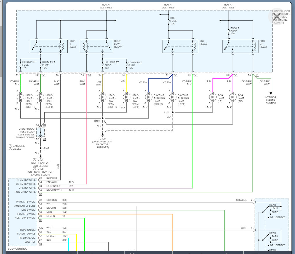
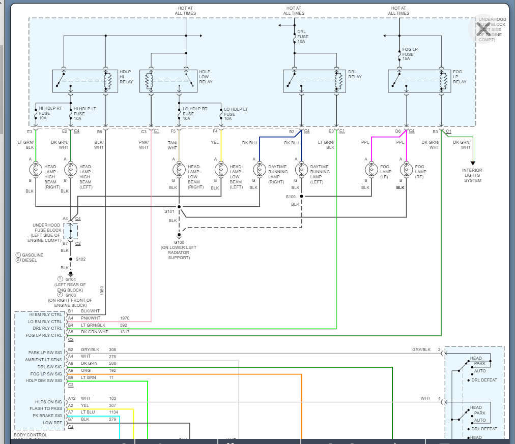
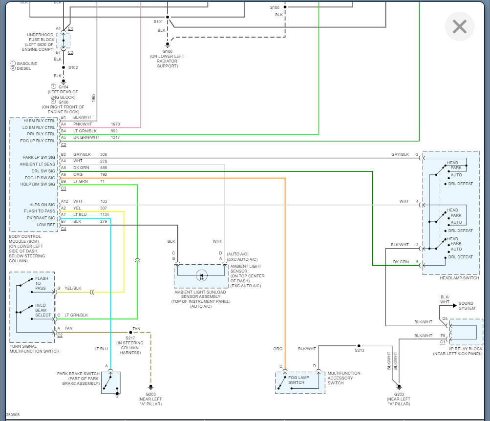
More than likely, you have an issue with the connector, and it has corrosion or some other issue that is creating a path to ground and it is blowing the bulb, or it can blow the fuse as well.

If it were me, I would change the bulb again if it is blow and then use this guide to change the connector as well.

https://youtu.be/PxA5wczsCVo

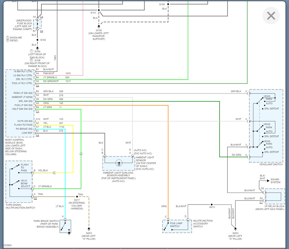
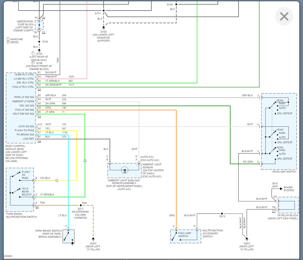
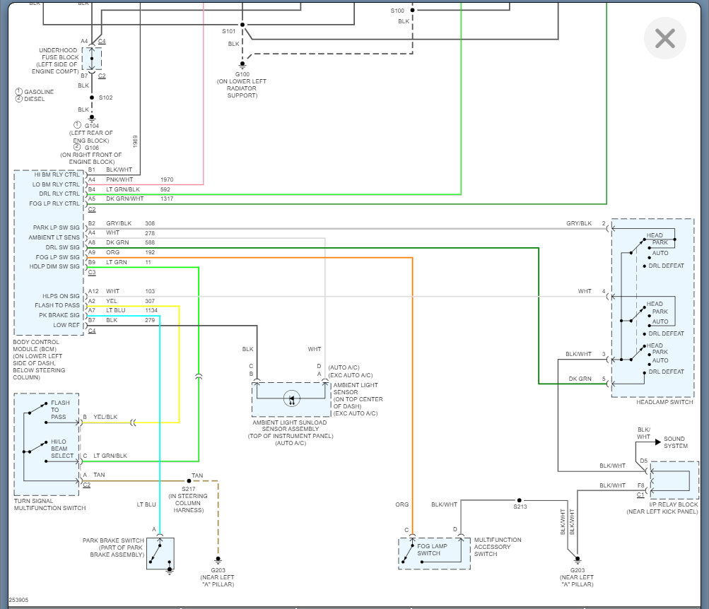
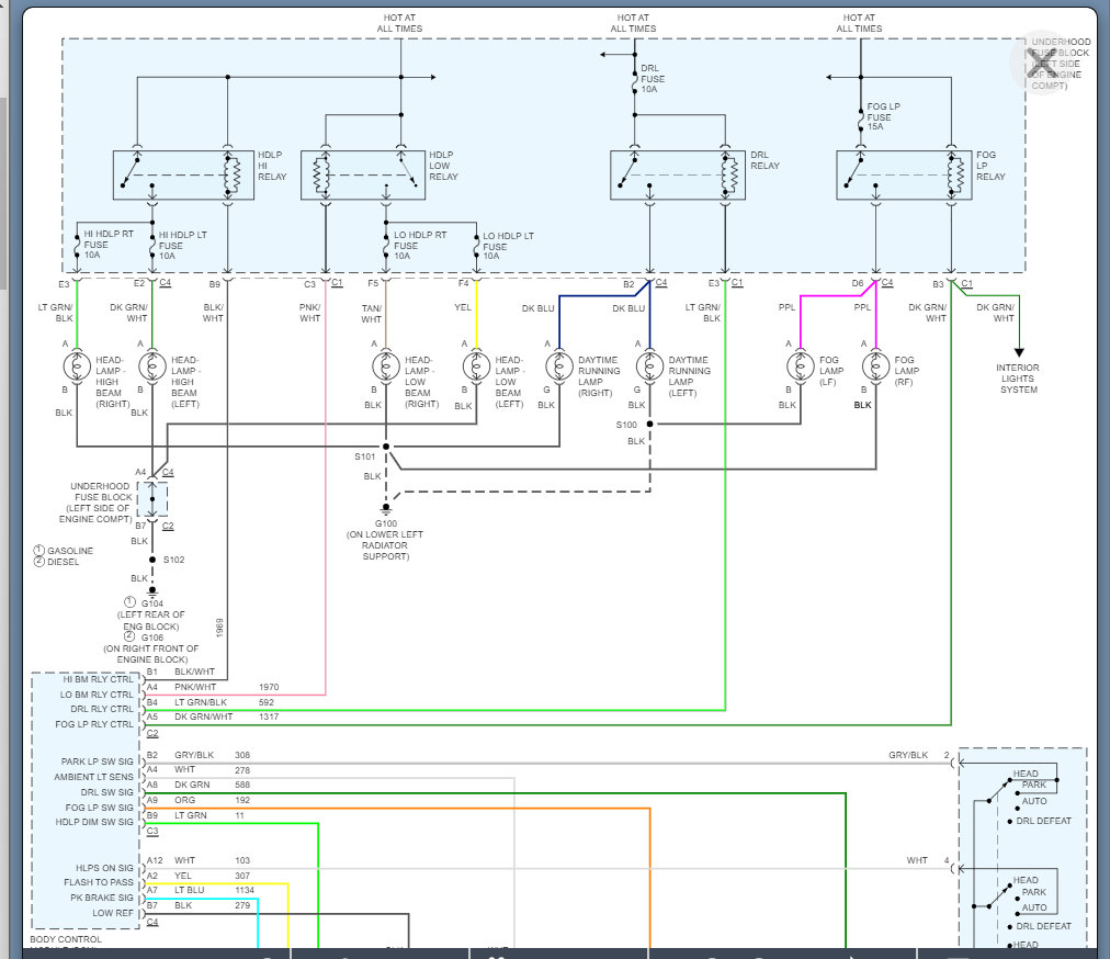
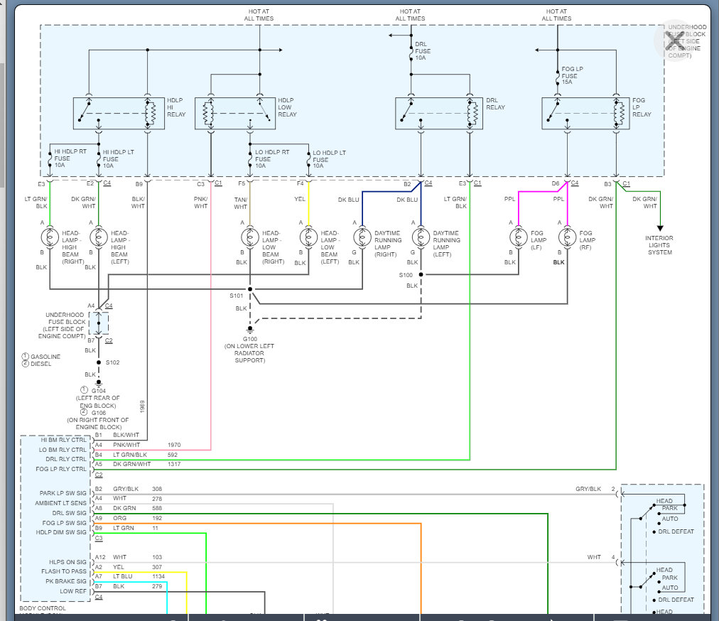
I am attaching the wiring diagram below as well just in case you need to refer to it for wiring layouts.

Please run through this info and let us know what happens.

If the connector is not the issue, then we need to monitor the voltage at the bulb to find out if you are getting an over voltage situation.

https://www.2carpros.com/articles/how-to-check-wiring

Please let me know what questions you have. Thanks
Was this
answer
helpful?
Yes
No
Sunday, November 21st, 2021 AT 5:29 PM

Please login or register to post a reply.