Tuesday, June 20th, 2017 AT 3:51 PM
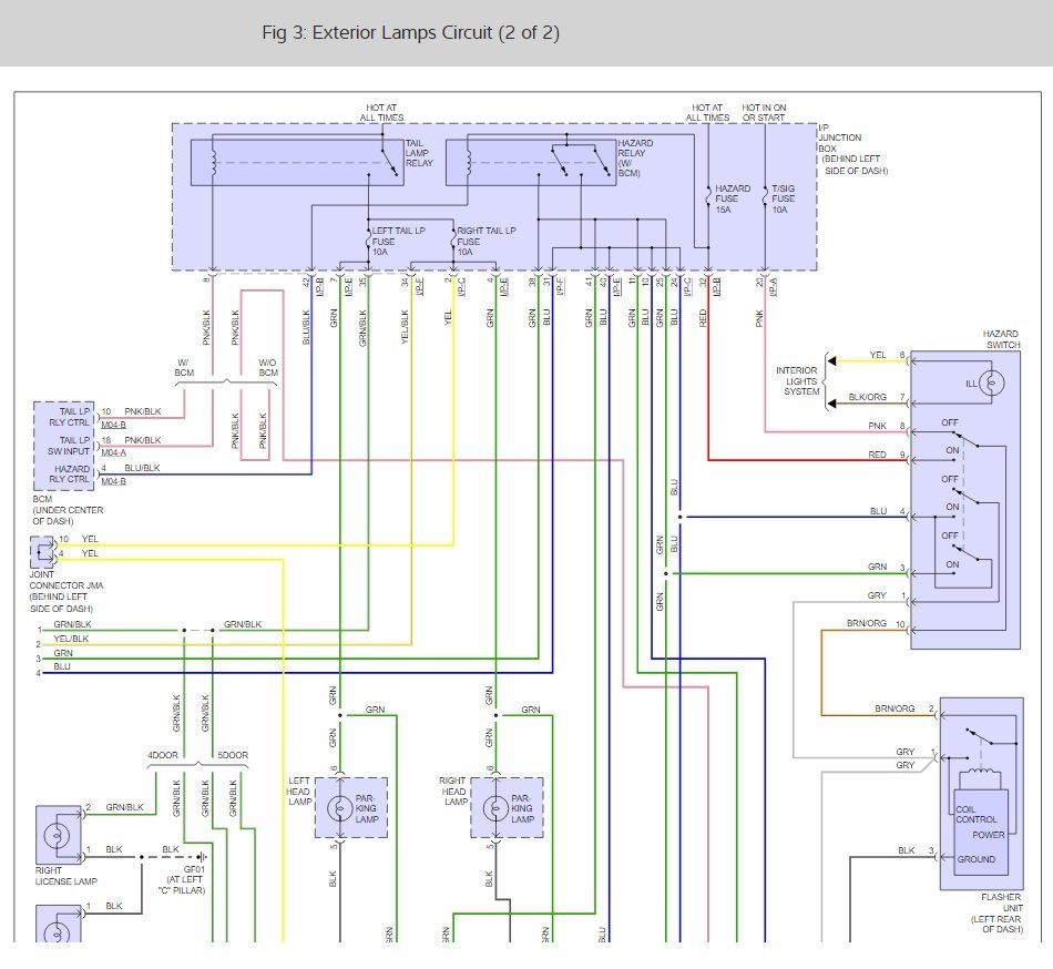
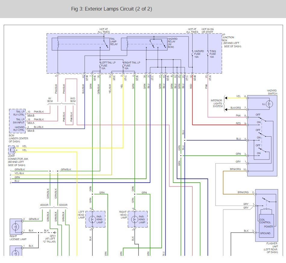
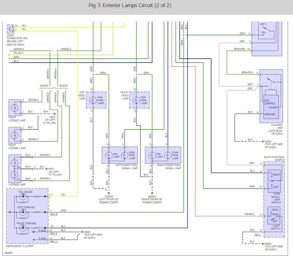
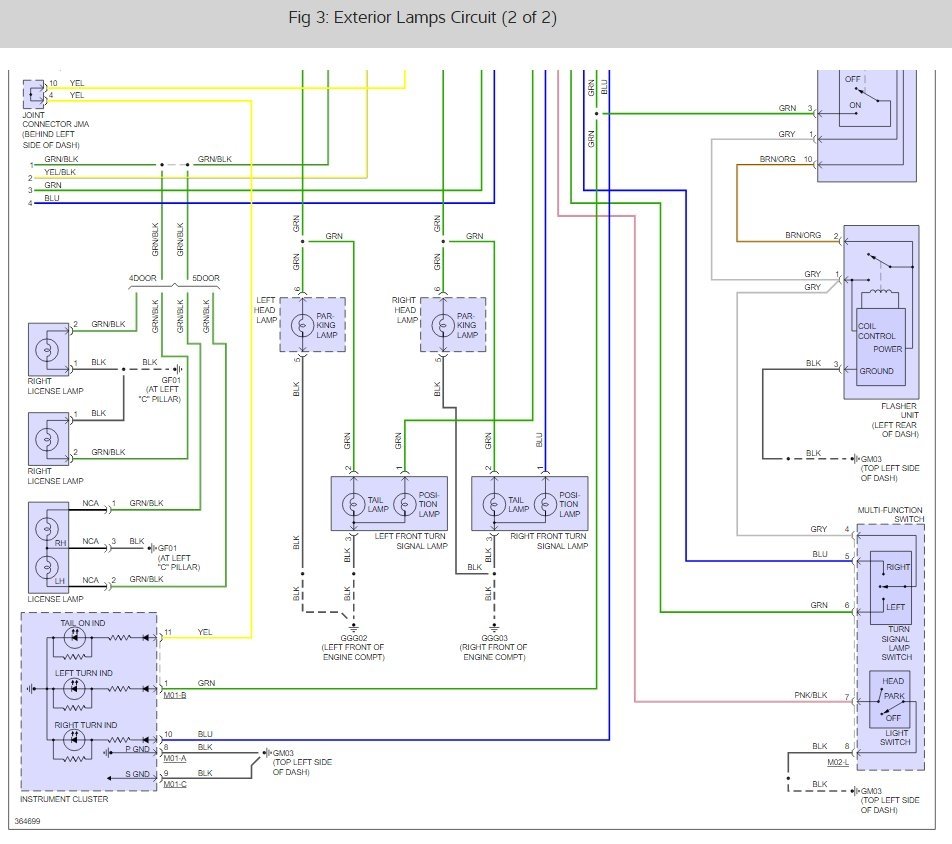
I recently changed my left headlight bulbs and as soon as I did, both my turn signals stop working, but when I turn on my hazards they work. Could this be a fuse or relay If so could anybody tell me what to check on the fuse number and relay? I do not have my owner manual to tell which is what. If that is not the problem what could it be?




