Hazard lights do not work in the front

Tiny
KIKER74
  • MEMBER
  • 2010 NISSAN ROGUE
  • 2.0L
  • 4 CYL
  • 2WD
  • AUTOMATIC
  • 110,000 MILES
Hello group,

Blinkers blink very fast. Hazard only work in the back but not in the front.
Also when the hazard lights are on the stereo light flashes like the hazard lights.
I checked for blown fuses. There are no burned light bulbs. I don't know where the flasher is perhaps this is the issue.
Please help.
Saturday, June 20th, 2020 AT 3:43 PM

3 Replies

Tiny
JACOBANDNICKOLAS
  • MECHANIC
  • 110,192 POSTS
Hi,

That is an interesting one. What happens when you use the turn signals? Does the radio flash also?

What I think is happening is you have a bad ground under the dash. This is only theory at this point, but I believe the flasher switch has either shorted internally or has lost ground and is allowing power to back feed through the switch and to the interior lighting or radio.

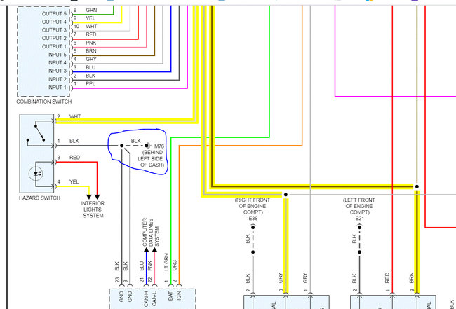
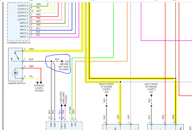
Take a look at the attached pic. Why exactly this would only affect the front lights is a question at this point. However, check the ground that I circled in the attached picture. Make sure it is tight and not corroded or damaged. If that isn't an issue and you are sure the front bulbs are good, we need to perform a CAN scan on the vehicle. CAN stands for computer area network. If you notice there are wires which are part of the computer area network (data lines). Here is a link that shows how it's done.

https://youtu.be/InIlnsjOVFA

Let me know what you find.

Joe
Was this
answer
helpful?
Yes
No
Saturday, June 20th, 2020 AT 8:34 PM
Tiny
KIKER74
  • MEMBER
  • 9 POSTS
Thank you for the suggestions.
I wasn't able to try this as I have been busy instead one night I noticed that the hazard did have some light in the front it was just very low very low you couldn't tell like we all did at first that it was on.
So I opened the hood took the light out put some pressure on the light bulb to the connector and tried it again and there, that's all it needed I did the same for the other side and it got fixed the hazard lights were super strong in the front again and the turn signal started working as it should without the rapid blink sound and the radio no longer flashes when the hazard lights are on. The front light bulbs had been replaced a long time ago when my wife took the car to have it serviced and I figured they knew what they were doing.
I only replaced the ones in the back and never touched the front ones.

Thanks again for the advice.
Was this
answer
helpful?
Yes
No
Friday, July 3rd, 2020 AT 5:56 PM
Tiny
JACOBANDNICKOLAS
  • MECHANIC
  • 110,192 POSTS
Hi,

You are very welcome. Thanks for letting me know, and I'm glad to hear it's fixed. I was thinking a bad ground was the cause, but it sounds like there was just a loose connection.

Regardless, I'm glad it's fixed. Please feel free to come back in the future if you have questions or need anything.

Joe
Was this
answer
helpful?
Yes
No
Friday, July 3rd, 2020 AT 11:07 PM

Please login or register to post a reply.