Hazard lights

Tiny
BRIAN WILLESS
  • MEMBER
  • 1995 CHEVROLET SUBURBAN
  • 5.7L
  • V8
  • 4WD
  • AUTOMATIC
  • 184,000 MILES
The hazard lights do not work unless the key is switched to on.
Saturday, January 13th, 2018 AT 10:07 AM

7 Replies

Tiny
KEN L
  • MASTER CERTIFIED MECHANIC
  • 55,522 POSTS
Hello,

it sounds like you have a fuse #1 or 16 that is out. Can we start by checking these?

https://www.2carpros.com/articles/how-to-check-a-car-fuse

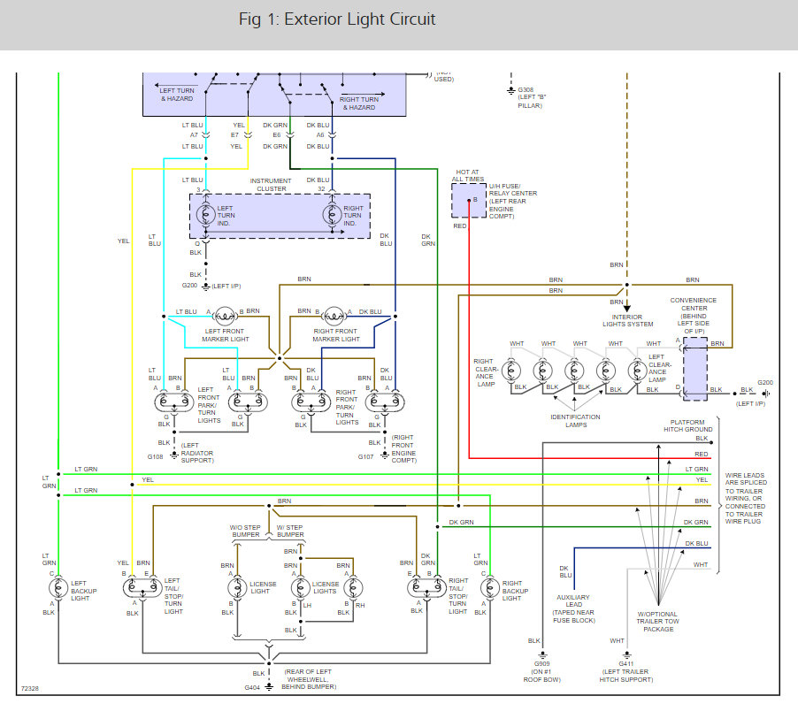
Below are diagrams to help us get the job done.

Check out the diagrams (below).

Please let us know what you find.

Cheers, Ken
Was this
answer
helpful?
Yes
No
Monday, January 15th, 2018 AT 12:22 PM
Tiny
BRIAN WILLESS
  • MEMBER
  • 5 POSTS
Thanks, the fuses are fine. But I did not mention the button will not stay down you gotta hold it down. So I ordered a new button.

https://www.amazon.com/gp/product/B003S15WQU/ref=ox_sc_act_title_2?smid=ATVPDKIKX0DER&psc=1

It should arrive tomorrow. I am wondering if this could be part of the problem and thus fix it?

Also, while driving when I turn on a turn signal the voltage gauge needle dances with the flash.
Was this
answer
helpful?
Yes
No
Monday, January 15th, 2018 AT 7:03 PM
Tiny
KEN L
  • MASTER CERTIFIED MECHANIC
  • 55,522 POSTS
That can be normal, please check the engine to frame ground to make sure it is tight and free of corrosion.
Was this
answer
helpful?
Yes
No
Tuesday, January 16th, 2018 AT 9:54 AM
Tiny
BRIAN WILLESS
  • MEMBER
  • 5 POSTS
I replaced the multifunction switch that has the Cruze control, wipers, and turn signals and it works fine now. What was weird in shopping for one the most expensive one had a 1 yr limited warranty and the cheap one had a lifetime warranty. If you purchase with your credit card if the seller does not honor the warranty the credit card will so long as you keep the original card you purchased it with. Well you will get your money back, in the end, is all)
Was this
answer
helpful?
Yes
No
Friday, January 19th, 2018 AT 7:52 AM
Tiny
BRIAN WILLESS
  • MEMBER
  • 5 POSTS
Well, the voltage meter still dances so I will check the ground as you suggested. Thanks so much.
Was this
answer
helpful?
Yes
No
Friday, January 19th, 2018 AT 7:58 AM
Tiny
KEN L
  • MASTER CERTIFIED MECHANIC
  • 55,522 POSTS
The cheap stuff all has a lifetime warranty. We have a joke that we say which is they have a lifetime warranty because you will be changing them for a lifetime. I always use the 1 year warranty that are better parts they live by realistic business model.

A battery, cables or alternator can cause the voltage gauge to fluctuate can I ask if you can see the headlights do the same?

Best. Ken
Was this
answer
helpful?
Yes
No
Friday, January 19th, 2018 AT 11:25 AM
Tiny
BRIAN WILLESS
  • MEMBER
  • 5 POSTS
The headlights do not flash like the voltage meter when the turn signal is on.
Was this
answer
helpful?
Yes
No
Monday, January 29th, 2018 AT 10:53 AM

Please login or register to post a reply.