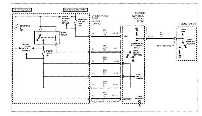
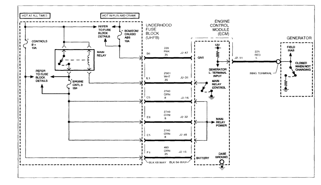
Me as well. I have the car listed above 4 door. I got it used with 169,000 miles in September. My boyfriend replaced the two head gaskets that were leaking. Now everything’s fixed but while he did the head gaskets he took the battery out we bought a used battery and put it back in weeks later after the valve covers were done.
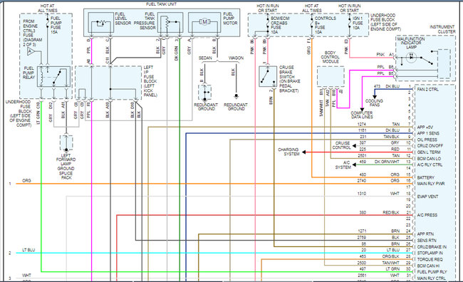
Now, once he fired up the car after the job the car was running for a good minute or two and then shut off. He started and restarted the car but it would turn on then shut off. Now we hear a noise buzzing noise coming from the throttle body, the gas gauge malfunctions when the buzzing from the throttle body is on the gauge is normal at a half a tank when there isn’t any noise the gas gauge says empty with service engine soon, empty tank etc. We sometimes don’t hear the fuel pump humming and then sometimes when he puts it on run we hear it. The car doesn’t start but cranks now tonight we unplugged the throttle body and the car started for a few minutes again then shut off. When we plugged the throttle body back in the car would crank but not start.
1) The car cranks but doesn’t start with throttle body plugged in.
2) Sometimes hearing the fuel pump humming sometimes not.
3) Buzzing sound coming from the throttle body.
4) Car fires up when throttle body is unplugged.
Please help !
Wednesday, November 13th, 2019 AT 3:55 PM









































