Have you ever seen sway bar linkage like this

Tiny
SAWYER NELSON
  • MEMBER
  • 1992 DODGE RAM
  • 5.2L
  • V8
  • RWD
  • AUTOMATIC
  • 149,900 MILES
My sway bar is not connected, and the links seem to be nothing I have ever seen, or can find on the web. I have pictures I will send, you will probably know more than me.

Also, front left is lower than rest of truck, do I need new springs? Suspension?
Saturday, November 5th, 2016 AT 1:43 PM

2 Replies

Tiny
JIS001
  • MECHANIC
  • 3,412 POSTS
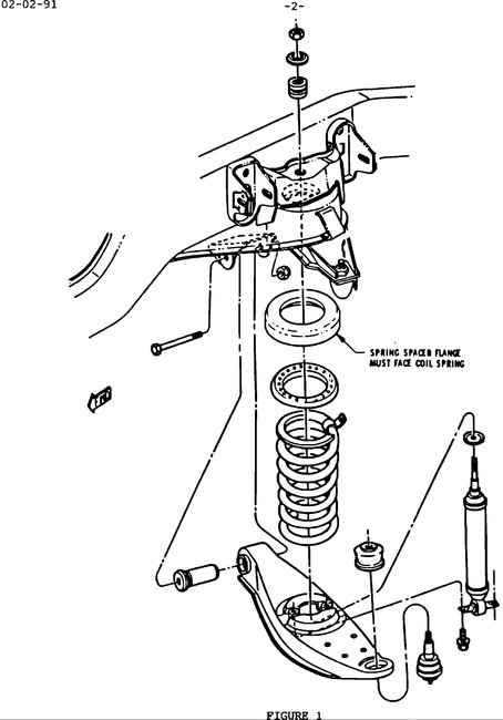
The rust ate away at the bracket causing it to snap off. As for it leaning on the left corner, there was a bulletin to add a spacer on the coil. Here is what the bulletin says.

Front Spring Spacer
Two (2) Wheel Drive AD Trucks

NOTE:
THIS BULLETIN APPLIES TO TWO (2) WHEEL DRIVE VEHICLES ONLY.

MODELS:

1992 (AD) RAM PICKUP/RAM CAB & CHASSIS/RAMCHARGER

SYMPTOM/CONDITION:

Vehicle leaning or low on the left front corner.

PARTS REQUIRED:

1 Spring Spacer 4322629

NOTE: ONLY ONE (1) SPACER IS TO BE USED. DO NOT STACK.

This repair involves installation of a spacer on the left coil spring. Spring spacer, PN 4322629, is available to raise the left front corner by approximately 25 mm (1 inch). The spacer is to be installed on the top of the coil spring, Figure 1. Refer to the 1992 Rear Wheel Drive Truck Service Manual, Publication # 81-370-2108, page 2-9, for spring removal and installation.
NOTE: THE VEHICLE MUST HAVE FRONT END ALIGNED AFTER RE-ASSEMBLY.
Was this
answer
helpful?
Yes
No
+1
Saturday, November 5th, 2016 AT 2:04 PM
Tiny
KEN L
  • MASTER CERTIFIED MECHANIC
  • 55,488 POSTS
How did this turn out?
Was this
answer
helpful?
Yes
No
Monday, November 7th, 2016 AT 10:07 AM

Please login or register to post a reply.