Engine will not crank and brake is stiff

Tiny
DWEBB1995
  • MEMBER
  • 2003 JEEP GRAND CHEROKEE LAREDO
  • 6 CYL
  • 2WD
  • AUTOMATIC
  • 175,000 MILES
When I turn my key to the "on" position it has power, all the dash lights work, radio, everything. But when I turn to start it doesn't do anything. It has happened once before, but I could put it in neutral and it would start right up. The car has had no other mechanical problems at all. It was running just an hour before. I plugged it up to code reader and it's in not throwing anything.
Saturday, March 5th, 2022 AT 2:52 PM

1 Reply

Tiny
JACOBANDNICKOLAS
  • MECHANIC
  • 110,192 POSTS
Hi,

The brake pedal is hard to press because the engine isn't running. The booster requires engine vacuum for it to assist.

As far as the no start, it could be a few things. If you were having issues with starting it that required placing it in neutral, that is related to the park/neutral switch on the transmission. Does the gear indicator show the correct gear? Let me know.

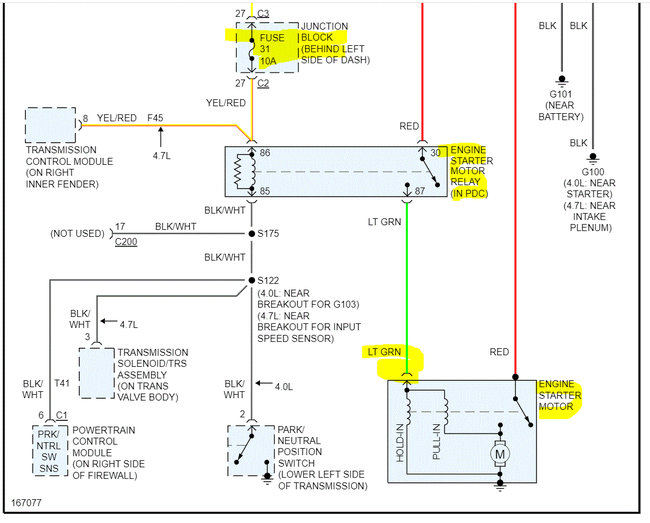
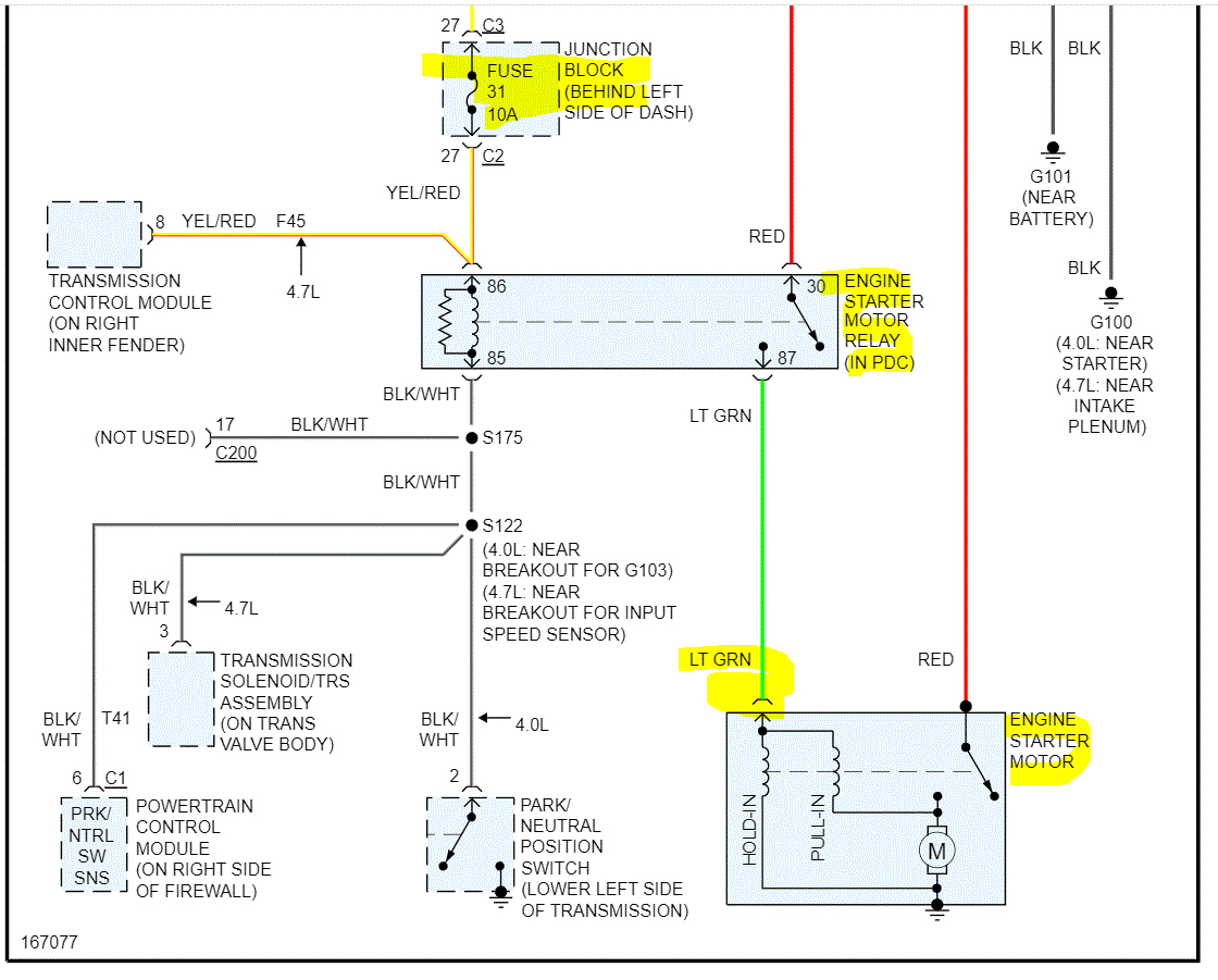
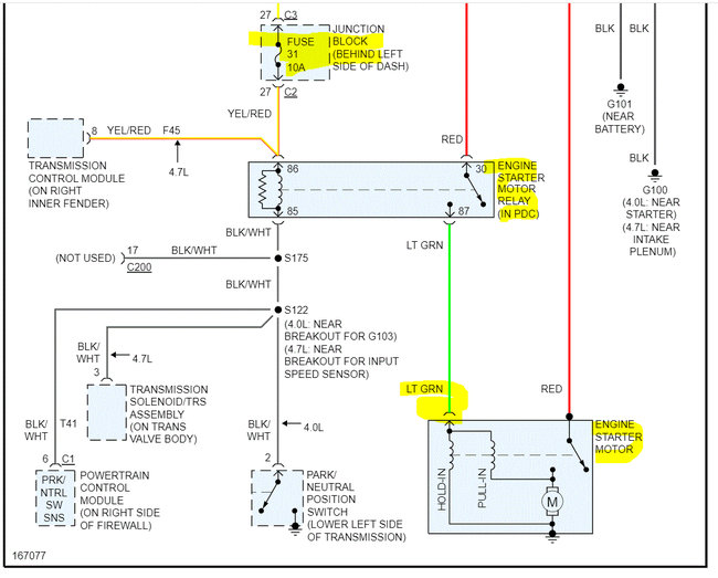
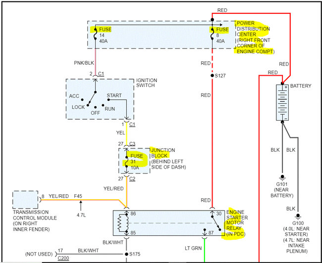
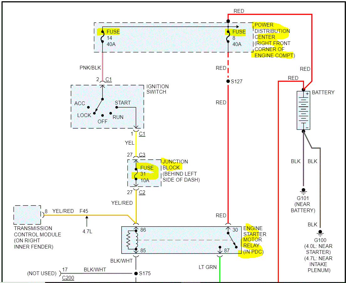
Next, there are three fuses I need you to check. First, there are two in the under-hood fuse box, fuses 8 and 14. Also, there is one fuse in the interior fuse box, fuse 31.

I need you to check each of these fuses. In addition to checking the fuse, please also confirm there is power to and from them. Here is a link you may find helpful:

https://www.2carpros.com/articles/how-to-check-a-car-fuse

If the fuses all check out good, we need to check the starter relay. It is located under the hood in the power distribution box. If there is a different relay with the same part number, switch them to see if it helps. If there isn't, here is a link that explains how to test one:

https://www.2carpros.com/articles/how-to-check-an-electrical-relay-and-wiring-control-circuit

If everything I mentioned checks good, then we need to see if there is power at the starter itself. At the starter, there will be a heavy gauge wire straight from the battery that has 12v at all times. There will be a smaller wire, light green in color, which should only have power when the key is in the start position. Have a helper turn the key to the start position and see if there is power to that wire. If there is, replace the starter. Here is a link that you may find helpful when testing the starter:

Pics 3 and 4 below show the fuses boxes and the fuses to check. Pic 3 is under the hood and 4 is in the vehicle.

https://www.2carpros.com/articles/starter-not-working-repair

Let me know what you find or if you have other questions.

Take care,

Joe

See pics below.

Was this
answer
helpful?
Yes
No
Saturday, March 5th, 2022 AT 9:30 PM

Please login or register to post a reply.