Harmonic balancer replacement?

Tiny
DANIEL STROTHER
  • MEMBER
  • 2002 HONDA ACCORD
  • 2WD
  • AUTOMATIC
  • 190,000 MILES
Harmonic balancer came off. It loosened itself up. Replaced the part put the car back together and it doesn't even want to begin to fire. You turn the key and absolutely nothing.
Monday, December 21st, 2020 AT 8:06 PM

18 Replies

Tiny
JACOBANDNICKOLAS
  • MECHANIC
  • 110,194 POSTS
Hi,

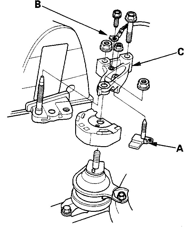
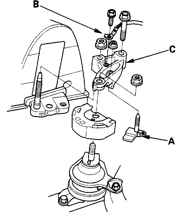
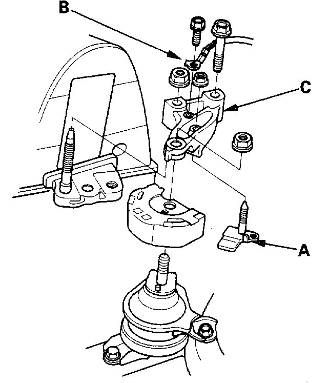
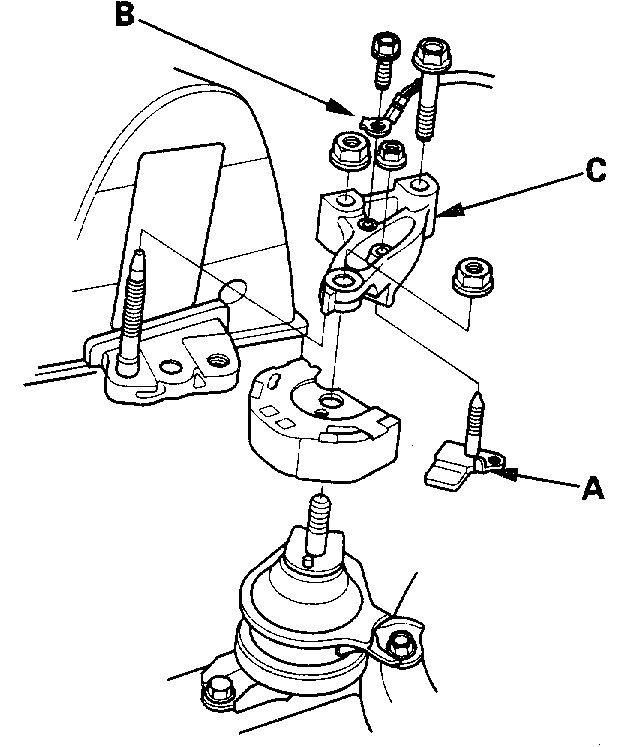
I have a feeling it is related to the crankshaft position sensor. There is a chance it was damaged or disconnected. If you take a look at pic 1, it shows what I'm referring to. It is located behind the crank pulley which fell off. Check it first.

To help confirm that it is likely this sensor, see if there is spark to the plugs. If the sensor is bad, there won't be spark. Here is a link that explains how to check for spark:

https://www.2carpros.com/articles/how-to-test-an-ignition-system

Let me know what you find or if you have other questions.

Take care,
Joe
Was this
answer
helpful?
Yes
No
Monday, December 21st, 2020 AT 10:16 PM
Tiny
DANIEL STROTHER
  • MEMBER
  • 12 POSTS
Okay, I've got everything off now and I'm sure you know I had to take off the balance belt to get to the sensor. My next question is, do I have to remove the timing belt and line everything back up with it also or just that belt?
Was this
answer
helpful?
Yes
No
Tuesday, December 29th, 2020 AT 5:27 PM
Tiny
JACOBANDNICKOLAS
  • MECHANIC
  • 110,194 POSTS
Hi,

I need to confirm the engine size. Is it the 2.3L SOHC? If it is the aforementioned engine, the balance shaft belt needs to be removed. Here are the directions. This would actually be a good time to replace the timing belt. Here are the directions for both. The attached pics correlate with the directions.

____________________________________________

2002 Honda Accord DX Sedan L4-2254cc 2.3L SOHC MFI
Procedures
Vehicle Engine, Cooling and Exhaust Engine Cylinder Block Assembly Balance Shaft Belt Service and Repair Procedures
PROCEDURES
Timing Belt and Balancer Belt

Removal

Special Tools Required
Holder Handle 07JAB-001020A
Holder Attachment, 50 mm, Offset 07MAB-PY3010A
Socket, 19 mm 07JAA-001020A or a commercially available 19 mm socket

1. Make sure you have the anti-theft code for the radio, then write down the frequencies for the radio's preset buttons.
2. Disconnect the battery negative terminal first, then the positive terminal.

Pic 1

3. Turn the crankshaft pulley so its TDC mark (A) lines up with the pointer (B).
4. Remove the front tires/wheels.

Pic 2

5. Remove the splash shield.

Pic 3

6. Loosen the mounting bolts (A), then remove the P/S belt (B).

Pic 4

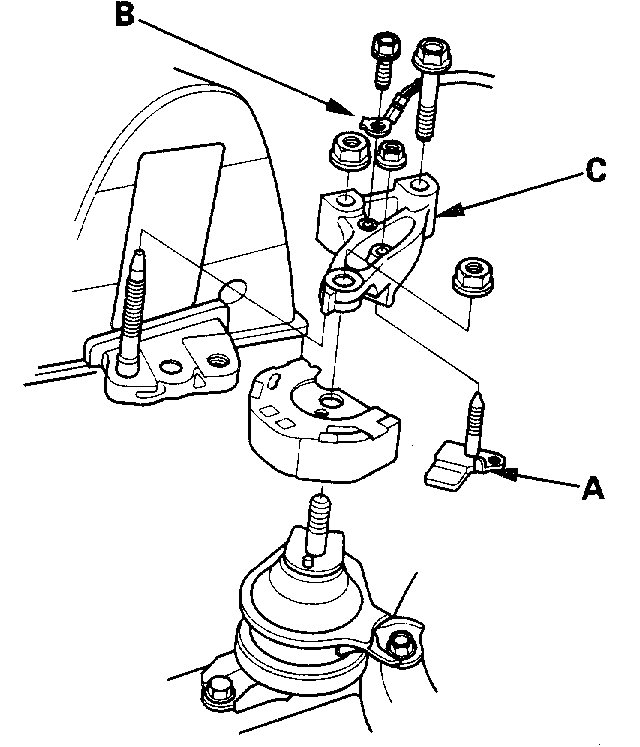
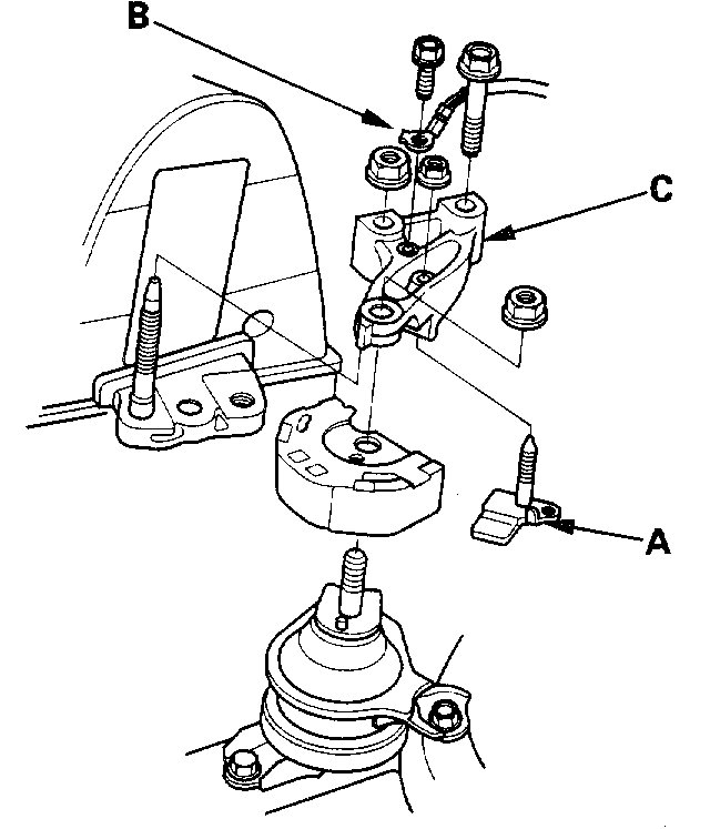
7. Disconnect the alternator wire harness.
1 Pull up the lock (A), then release the wire harness tie (B).
2 Pull back the boot and remove the 6 mm nut (c).
3 Disconnect the connector (D) from the alternator.
8. Remove the alternator.
9. Remove the alternator bracket.
10. Support the engine with a jack and wood block under the oil pan.

Pic 5

11. Remove the stopper (A) and ground cable (B), then remove the upper bracket (C).
12. Remove the cylinder head cover.

Pic 6

13. Remove the upper cover.

Pic 7

14. Remove the dipstick and tube (A). Discard the O-ring (B).

Pic 8

15. Hold the pulley with holder handle (A) and holder attachment (B).
16. Remove the bolt with a heavy duty 19 mm socket (c) and breaker bar.

Pic 9

17. Remove the rubber seal from the adjusting nut, then remove the lower cover.
18. If you are removing only the balancer belt, go to step 19. If you are removing both the balancer belt and the timing belt, go to step 20.

Pic 10

19. Release tension from the balancer belt:
1 Install a 6 mm bolt (A)(from the timing cover) through the hole in the end of the timing belt adjuster arm to temporarily lock the arm in place.
2 Loosen the adjusting nut (B) 2/3 - 1 turn.
3 Push the tensioner (c) up to take tension off the balancer belt.
4 Retighten the adjusting nut (B).

Pic 11

20. Release tension from the balancer belt and the timing belt:
1 Loosen the adjusting nut (A) 2/3 - 1 turn.
2 Push the balancer belt tensioner (B) up to take tension off the balancer belt.
3 Push the timing belt tensioner (c) down to take tension off the timing belt.
4 Retighten the adjusting nut (A).
21. Remove the balancer belt.
22. Remove the timing belt.

Installation

Special Tools Required
Holder Handle 07JAB-001020A
Holder Attachment, 50 mm, Offset 07MAB-PY3010A
Socket, 19 mm 07JAA-001020A or a commercially available 19 mm socket

NOTE:
If you are installing the timing belt and the balancer belt, go to step 1.
If you are installing only the balancer belt, go to step 7.

1. Remove and clean the balancer belt drive pulley.
2. Clean the timing belt pulleys, and the upper and lower timing cover.

Pic 12

3. Set the crankshaft to TDC. Align the dimple (A) on the tooth of the timing belt drive pulley with the pointer (B) on the oil pump.

Pic 13

4. Clean the camshaft pulley and set it to TDC.
1 The "UP" mark (A) on the camshaft pulley should be at the top.
2 Align the TDC grooves (B) on the pulley with the too edge of the head.

Pic 14

5. Install the timing belt in a counterclockwise sequence, starting with the drive pulley.
1 Drive pulley (A).
2 Tensioner pulley (B).
3 Water pump pulley (C).
4 Camshaft Pulley (D).
6. Loosen and retighten the adjusting nut to tension the timing belt.
7. Clean any oil off both faces of the balancer belt drive pulley.
8. Check the lower cover rubber seal for cracks and other damage.

NOTE:
If the rubber seal is coming off, apply liquid gasket to the lower cover and reinstall the rubber seal. Wipe off any liquid gasket that is pressed out.
When replacing the rubber seal, clean the lower cover groove, cut the repair rubber seal to length, and put the rubber seal into the groove evenly.

9. Install the balancer belt drive pulley and the lower cover.
10. Temporarily install the crankshaft pulley and bolt.
11. Rotate the crankshaft pulley five or six turns counterclockwise to seat the timing belt on the pulleys.

Pic 15

12. Adjust the belt tension.
1 Loosen the adjusting nut (A) 2/3 - 1 turn.
2 Rotate the crankshaft counterclockwise three teeth on the camshaft pulley (B).
3 Tighten the adjusting nut to 44 Nm (4.5 kgf-m, 33 ft. Lbs.)

pic 16

13. Turn the crankshaft pulley so its TDC mark (A) lines up with the pointer (B).

Pic 17

14. Check the camshaft pulley marks.
If the camshaft pulley marks are also at TDC, go to step 15.
If the camshaft pulley marks are not at TDC, remove the timing belt and repeat steps 3, 4 and 5.
15. Remove the crankshaft pulley and the lower cover.
16. Turn the crankshaft to TDC again.
17. Lock the timing belt adjuster arm in place with one of the 6 mm timing cover bolts.
18. Loosen the adjusting nut 2/3 - 1 turn, and make sure the balancer belt tensioner moves freely. Then push the tensioner up and retighten the adjusting nut.

Pic 18

19. Align the rear balancer shaft pulley with a 6 x 100 mm bolt (or equivalent).
1 Remove the bolt (A) and washer (B) from the maintenance hole (C).
2 Scribe a line on a 6 x 100 mm bolt, 74 mm (2.9 inch) from the end.
3 Insert the bolt in the maintenance hole and into the hole in the balancer shaft (D) up to the line you scribed.

Pic 19

20. Align the groove (A) on the front balancer shaft with the pointer (B) on the oil pump housing as shown.
21. Install the balancer belt. Loosen the adjusting nut 2/3 - 1 turn to tension the balancer belt. Retighten the bolt.
22. Remove the 6 x 100 mm bolt from the maintenance hole and reinstall the sealing bolt. Tighten the bolt to 29 Nm (3.0 kgf m, 22 ft. Lbs.).
23. Adjust the balancer belt.
1 Temporarily reinstall the crankshaft pulley.
2 Loosen the adjusting nut 2/3 - 1 turn.
3 Turn the crankshaft pulley 1 turn counterclockwise, then tighten the adjusting nut.
24. Remove the 6 mm bolt from the timing bolt adjuster arm.
25. Check the lower cover rubber seal for cracks and other damage.

NOTE:
If the seal is coming off, reattach it with liquid gasket. Wipe off any excess liquid gasket.
When replacing the seal, clean out the groove in the cover, cut the repair strip to length, and press the new piece into the groove.

26. Remove the crankshaft pulley and reinstall the lower cover.
27. Install the rubber seal around the adjusting nut.
28. Clean the crankshaft pulley bolt and washer.

Pic 20

29. Clean all oil off the inside face (A) of the crankshaft pulley, and apply lubricant to the pulley bolt (B) and washer (C).

Pic 21

30. Install the crankshaft pulley, and hold with holder handle (a) and holder attachment (B).
31. Tighten the bolt to 245 Nm (250 kgf-m, 181 ft. Lbs.) With a torque wrench and 19 mm socket (c). Do not use an impact wrench.

Pic 22

32. Install the dipstick and tube (A) with a new O-ring (B).

Pic 23

33. Install the upper cover.
34. Install the cylinder head cover.
35. Install the alternator bracket.
36. Install the alternator.
37. Connect the alternator harness.
38. Install and adjust the power steering pump belt.
39. Install and adjust the alternator belt.

Pic 24

40. Install the upper bracket (A), then tighten the bolt and nuts in the numbered sequence shown.
41. Install the stop (B).
42. Install the battery. Clean the battery posts and cable terminals with sandpaper, then assemble them and apply grease to prevent corrosion.
43. Enter the anti-theft code for the radio, then enter the customer's radio station presets.

_____________________________

Let me know if this helps. If it is a different engine, let me know.

Take care,
Joe
Was this
answer
helpful?
Yes
No
Tuesday, December 29th, 2020 AT 11:27 PM
Tiny
DANIEL STROTHER
  • MEMBER
  • 12 POSTS
Hi, it's a 2.3 4 cylinder I'm not sure about the sohc it's not my car and I'm not crazy knowledgeable. I'm more of a YouTube guy that didn't want to spend big money on smaller jobs that I could handle. I've done water pumps powers steering pumps fuel injectors, front end work etc, but this is my first time with this type of stuff. I've gotten in a little deeper water than I prefer but the more knowledge the better I suppose.
With all that said I've already got the balance belt off to and replaced the crank position sensor. What I need to know is if I have to take the timing belt off and realign everything. I should add I didn't put some lock bolt in that step 19 pic 10 rookie mistake I guess. I asked if he wanted me to pull the timing belt too because the balancer belt was cracking he said no he had it done but I would assume they would have both been changed the same time. I just don't want to destroy his engine.
Was this
answer
helpful?
Yes
No
Thursday, December 31st, 2020 AT 11:54 AM
Tiny
JACOBANDNICKOLAS
  • MECHANIC
  • 110,194 POSTS
I would suggest checking both. If you removed one, the other needs to be in the correct position to get the lower balance belt on correctly.
Was this
answer
helpful?
Yes
No
Thursday, December 31st, 2020 AT 7:54 PM
Tiny
DANIEL STROTHER
  • MEMBER
  • 12 POSTS
Me again. So, I guess I messed up at the beginning. With the balancer already off I didn't line up the the TDC mark's on the crank before removal. So I'm not sure what to do. Do I put it all back together to line up those marks first or?
Was this
answer
helpful?
Yes
No
Sunday, January 3rd, 2021 AT 12:05 PM
Tiny
DANIEL STROTHER
  • MEMBER
  • 12 POSTS
I've also now run into another problem. The sensor that they say is for this car does not match up. The left one plugs in fine but the right one the bolt hole does not line up with how it fits. When it twist it to line the hole it doesn't fit right anymore. Everything looks good by eye but I don't want to crank it down and mess it up.
Was this
answer
helpful?
Yes
No
Sunday, January 3rd, 2021 AT 1:26 PM
Tiny
JACOBANDNICKOLAS
  • MECHANIC
  • 110,194 POSTS
Dan,

You will need to do it over. I would suggest putting it back at TDC and confirm the marks for the cam are correct. Now, as far as the sensor, we need to confirm if it is a Vtec engine or not. That is likely what is causing the variation in the crankshaft position sensor. Usually, it will say Vtec on the valve cover or engine cover.

Let me know.

Joe
Was this
answer
helpful?
Yes
No
Sunday, January 3rd, 2021 AT 6:40 PM
Tiny
DANIEL STROTHER
  • MEMBER
  • 12 POSTS
It's a v tech. So after I get the right sensor installed, put it all back together line the mark up take it back apart and line everything else up. That mark appears to be on the balancer itself. Do I put the balancer belt back on first also? Or just get the balancer back on?
Was this
answer
helpful?
Yes
No
Sunday, January 3rd, 2021 AT 8:56 PM
Tiny
KEN L
  • MASTER CERTIFIED MECHANIC
  • 55,481 POSTS
You install the balancer so the marks line up then then remove the balancer to install the belt, then reinstall the balancer. Let us know what happens and please upload pictures or videos.
Was this
answer
helpful?
Yes
No
Wednesday, January 6th, 2021 AT 11:06 AM
Tiny
DANIEL STROTHER
  • MEMBER
  • 12 POSTS
This is turning out to be a big pain. I can't find the right part for nothing.
Was this
answer
helpful?
Yes
No
-1
Tuesday, January 12th, 2021 AT 12:08 PM
Tiny
KEN L
  • MASTER CERTIFIED MECHANIC
  • 55,481 POSTS
Here is the part number for the crankshaft sensor but I would call around to see if you can get an aftermarket or used one.

Crankshaft Position Sensor
37840P0AA01
$455.41

Also if you try to see the video what you are trying to show does not enter the screen.
Was this
answer
helpful?
Yes
No
Wednesday, January 13th, 2021 AT 9:46 AM
Tiny
DANIEL STROTHER
  • MEMBER
  • 12 POSTS
I got the old part back I'm not sure why the other video cut short. Here's what I mean without the cut it doesn't clear that black ring thing I pointed to. If he can't find a used one I'm just going to tell him to bring a tow truck and junk it at that price.
Was this
answer
helpful?
Yes
No
Wednesday, January 13th, 2021 AT 5:09 PM
Tiny
KEN L
  • MASTER CERTIFIED MECHANIC
  • 55,481 POSTS
I still can't see what you are talking about. Can you look at the video please? Also which phone are you using?
Was this
answer
helpful?
Yes
No
Thursday, January 14th, 2021 AT 8:54 AM
Tiny
DANIEL STROTHER
  • MEMBER
  • 12 POSTS
Using an Android. Not sure why it says error I guess I'll have to draw it and see if that works. But I do have another question, my neighbor seems to think it's a different thing wrong all together. He says that if this was bad it would still crank just not start. I wasn't getting anything when turned the key. So I just want to be sure I'm still heading the right direction.
Was this
answer
helpful?
Yes
No
Friday, January 15th, 2021 AT 9:32 AM
Tiny
KEN L
  • MASTER CERTIFIED MECHANIC
  • 55,481 POSTS
Yep, if the engine does not crank over the harmonic balancer will have nothing to do with that. These guides can help us fix it:

https://www.2carpros.com/articles/starter-not-working-repair

and

https://www.2carpros.com/articles/car-battery-load-test

Please run down these guides and report back.
Was this
answer
helpful?
Yes
No
Friday, January 15th, 2021 AT 9:46 AM
Tiny
DANIEL STROTHER
  • MEMBER
  • 12 POSTS
I will try on Sunday on my day off. My first message on here I explained what happened. His balancer fell off I put it all back together couldn't get the car to turn over at all even charged the battery. They said when the balancer came off it could have damaged the sensor. But now I have someone telling me the sensor would still let it crank just not start. So if the crank position sensor is bad will it not turn over at all or just crank and crank? I get all the dings and lights just no sign of crank.
Was this
answer
helpful?
Yes
No
Friday, January 15th, 2021 AT 10:28 AM
Tiny
KEN L
  • MASTER CERTIFIED MECHANIC
  • 55,481 POSTS
Can you turn the engine over by using the front balancer bolt? Also did you go over the guides I sent? See if you have power to the trigger wire of the starter when the key is in the crank position.
Was this
answer
helpful?
Yes
No
Saturday, January 16th, 2021 AT 9:12 AM

Please login or register to post a reply.