Hard starting once engine is warm

Tiny
DUB305
  • MEMBER
  • 2002 CHEVROLET SUBURBAN
  • 5.3L
  • V8
  • 2WD
  • AUTOMATIC
  • 261,000 MILES
So far, I have replaced the fuel vapor canister, fuel pressure regulator, spark plugs, fuel filter, and fuel pump never had this problem until my truck gave out on me one day. After that I changed the fuel pump, and it was fine turned right on first crank but the next day after driving to the store coming back out 30 minutes later, I experienced hard starting and it been a couple of days now. Keep in mind every morning it turns on first crank just has hard starting once engine is warm



Also, I have checked the fuel pressure after turning it off 30 seconds later it seems to have no pressure just a little bit of air which comes out and no fuel. Also, I tried with ignition on and still no pressure or fuel shoots out of the fuel rail valve.
Wednesday, June 15th, 2022 AT 10:38 PM

3 Replies

Tiny
JACOBANDNICKOLAS
  • MECHANIC
  • 110,194 POSTS
Hi,

If you are not getting fuel pressure, something is preventing the pump from running.

I need to better understand. First, when you say it's hard to start when warm, does it even try to start, or does it have an extended cranking period?

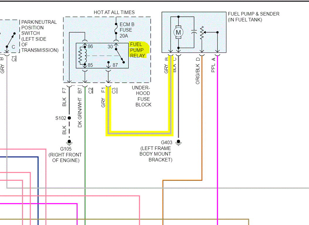
Also, have you checked the fuel pump relay? It may be failing. It's in the under-hood fuse box. Try this: Switch the relay with a different one in the box having the same part number to see if it changes things. If there isn't one, here is a link that explains how to check one:

https://www.2carpros.com/articles/how-to-check-an-electrical-relay-and-wiring-control-circuit

Let me know what you find. I attached the wiring schematic for the relay for your reference. Also, pic 2 shows the relay to check. Note this is in the under-hood fuse box.

Let me know if you hear the fuel pump run when you have no pressure at the fuel rail.

Take care,

Joe

See pics below.
Was this
answer
helpful?
Yes
No
+1
Wednesday, June 15th, 2022 AT 11:31 PM
Tiny
DUB305
  • MEMBER
  • 4 POSTS
Yes, when it’s warm it has extended cranking.

Early mornings it turns on first crank and has no problems at idle or getting on the gas I went on the highway at 80MPH with no problems I will try that fuel pump relay and I’ll let you know what happens thanks.
Was this
answer
helpful?
Yes
No
Thursday, June 16th, 2022 AT 12:17 AM
Tiny
DUB305
  • MEMBER
  • 4 POSTS
Hi Joe, I did switch the relay but I’m still experiencing the extended cranking.
Was this
answer
helpful?
Yes
No
Thursday, June 16th, 2022 AT 12:24 PM

Please login or register to post a reply.