Saturday, June 24th, 2023 AT 7:34 AM
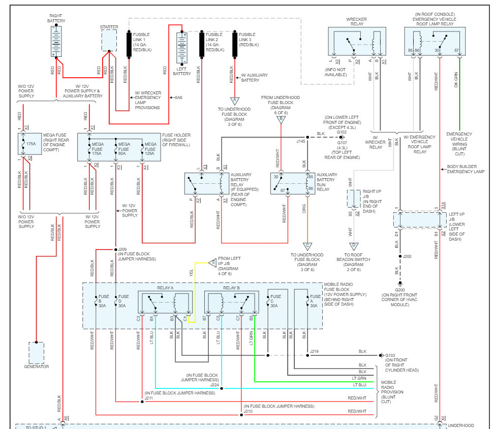
Purchased the truck listed above 2500 used and after a week started having electrical issues. The first thing was the wipers and fluid came on without me initiating it. The truck had 2 batteries witch one started to boil while on a road trip. I disconnected it and went on my way. Next, I noticed I have power to only 1/2 of my fuse panel under the hood. Driver seat motor is good but won't work?

