H1 LED headlights not working properly

2005 ACURA RSX
120,000 MILES • 2.0L • 4 CYL • 2WD • MANUAL
Avatar
BRAD GROSS
  • MEMBER
  • 2 POSTS
I already had LED's, the passenger side was dim so i ordered a new set and put one in the passenger side. Worked great for about 30-45 seconds then flickered for a few seconds and went dim.. So i took the second one out and the same thing happened. When i take it out of the actual headlight and squeeze the LED i get them to flicker and get brighter until i let go... anyone have an idea? i'm not much of an electric guy so i'm thinking maybe a bad ground? also i'm assuming the old LED wasn't the issue. Because it also does the same under pressure.

I have not taken anything apart yet to look. Figured i would post quick to see if anyone might know beforehand.
Jul 6, 2020 at 7:29 PM
Repair Safety Notice: This information is for general instructional purposes only. Vehicle repair can be dangerous. Verify all information, follow manufacturer service procedures, use proper tools and safety equipment, and consult a qualified repair shop when needed.
Advertisement
Avatar
STEVE W.
  • AUTOMOTIVE REPAIR CONTRIBUTOR
  • 15,146 POSTS
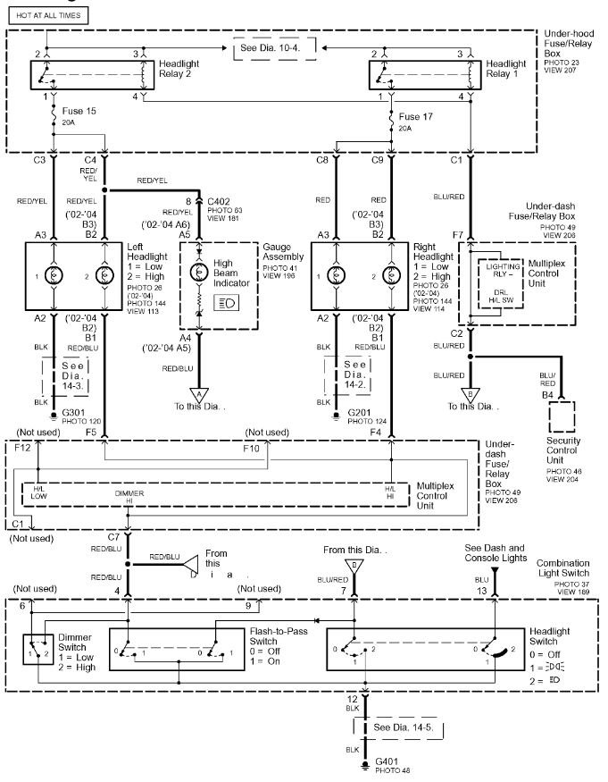
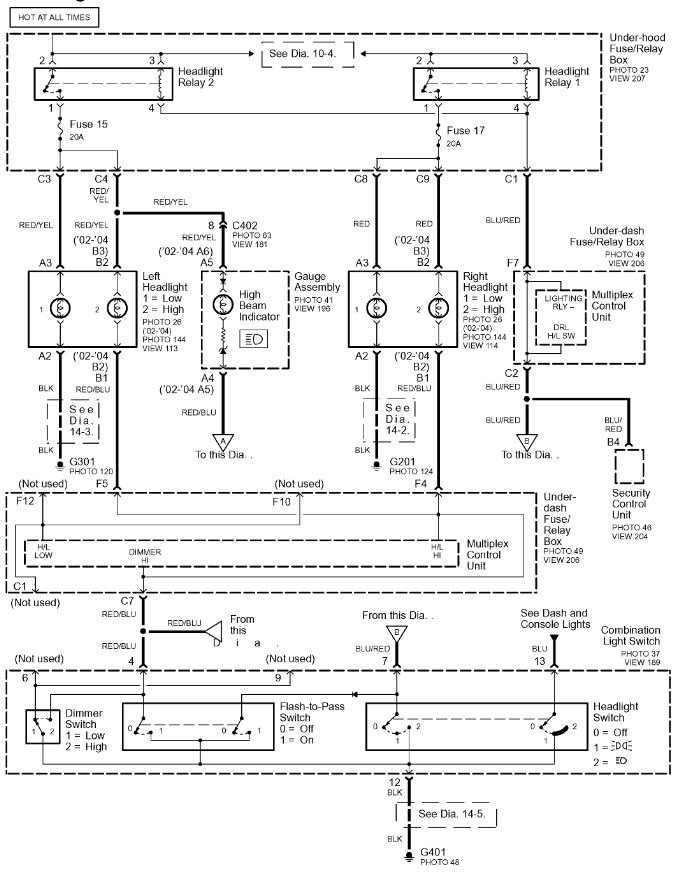
Are these replacement light assemblies that use a single bulb to replace the individual high and low bulbs the stock system used or do you still have a high and a low beam bulb? The OEM system only uses the ground wire for the low beam bulb with the high beam being grounded through the multiplex unit. Do your LED's use 4 wires to connect to the factory system? If so are both the high and low beams dim or is it just the low beam?
If both then I would check fuse 17 for good contact and swap headlight relay one and two and see if the problem switches sides. If it does the relay is bad.
If the issue is only the low beam being dim then it could be a bad ground, it is the black wire and it goes to a ground point below the light behind the bumper.
Jul 7, 2020 at 2:54 AM
Advertisement
Avatar
BRAD GROSS
  • MEMBER
  • 2 POSTS
The issue is only the low beam. Each light is a two wire.
Jul 7, 2020 at 4:41 AM
Avatar
STEVE W.
  • AUTOMOTIVE REPAIR CONTRIBUTOR
  • 15,146 POSTS
Okay, then take a look at the ground wires to both, if one is failing they both may be.
Jul 7, 2020 at 6:42 AM