All of the gauges not working

Tiny
CWEST1313
  • MEMBER
  • 2010 HYUNDAI SANTA FE
  • 4WD
  • AUTOMATIC
  • 150,000 MILES
None of the gauges work.
Flashing AWD symbol looked it up and it said AWD disconnected.
Help
Thursday, February 28th, 2019 AT 5:39 AM

5 Replies

Tiny
SCGRANTURISMO
  • MECHANIC
  • 4,897 POSTS
Hello.

This could be a blown cluster fuse (10A). I have sent you a link down below to go to.

https://www.2carpros.com/articles/how-a-car-fuse-works
https://www.2carpros.com/articles/how-to-check-a-car-fuse

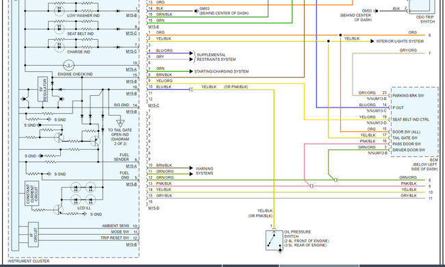
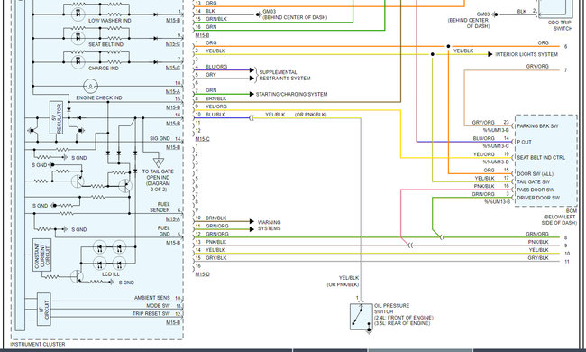
Also below I have sent vehicle specific diagrams in the diagrams below. Please go through them and get back to us with what you find out.

Thanks,
Alex
2CarPros
Was this
answer
helpful?
Yes
No
Thursday, February 28th, 2019 AT 7:45 AM
Tiny
CWEST1313
  • MEMBER
  • 3 POSTS
Checked all fuses they are all okay.
Was this
answer
helpful?
Yes
No
Thursday, February 28th, 2019 AT 11:08 AM
Tiny
SCGRANTURISMO
  • MECHANIC
  • 4,897 POSTS
Hello again,

Okay. Let's check the Body Control Module.

Thanks,
Alex
2CarPros
Was this
answer
helpful?
Yes
No
Thursday, February 28th, 2019 AT 10:24 PM
Tiny
CWEST1313
  • MEMBER
  • 3 POSTS
Have you heard of a smart box that all the wiring goes to?
Was this
answer
helpful?
Yes
No
Thursday, March 7th, 2019 AT 3:52 PM
Tiny
SCGRANTURISMO
  • MECHANIC
  • 4,897 POSTS
Hello again,

Okay here's what I got on the Body Control Module(BCM). The flowchart I already gave you in the first set of diagrams. Everything else is in the diagrams down below. Please go through them and get back to us with what you find out please.

Thanks,
Alex
2CarPros
Was this
answer
helpful?
Yes
No
Friday, March 8th, 2019 AT 11:03 PM

Please login or register to post a reply.