Replaceing an injector is not to bad,Remove the wire harness bracket nut (2).
Disconnect the evaporative emission (EVAP) purge solenoid electrical connector (1).
Disconnect the generator electrical connector (3).
Disconnect the following electrical connectors:
"Â Manifold absolute pressure (MAP) sensor (1)
"Â Knock sensor (2)
Remove the knock sensor harness connector from the intake manifold.
Disconnect the electronic throttle control (ETC) electrical connector (2), preform the following:
7.1. Disengage the gray retainer.
7.2. Push down the black clip.
7.3. Disconnect the connector.
Remove the connector position assurance (CPA) retainer (5).
Disconnect the following electrical connectors from the right side of the engine:
"Â Main coil (4)
"Â Fuel injectors (3)
Remove the harness clips from the fuel rail (1).
Remove the CPA retainer from the left side of the engine.
Disconnect the following electrical connectors from the left side of the engine:
"Â Main coil (2)
"Â Fuel injectors
Remove the harness clips from the fuel rail (1).
Reposition the engine wire harness aside.
Perform the following steps in order to disconnect the fuel injector electrical connectors.
15.1. Mark the connectors to their corresponding injectors to ensure correct reassembly.
15.2. Pull the connector position assurance (CPA) retainer (2) on the connector up 1 click.
15.3. Push the tab (1) on the connector in.
15.4. Disconnect the fuel injector electrical connector.
15.5. Repeat the steps for each injector electrical connector.
Remove the positive crankcase ventilation (PCV) hose.
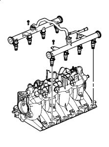
Disconnect the fuel feed pipe (1) from the fuel rail.Remove the fuel rail bolts.Remove the fuel injector lower O-ring seal (4) from each injector, if necessary.

https://www.2carpros.com/forum/automotive_pictures/147643_intake_1.jpg" alt=",
https://www.2carpros.com/forum/automotive_pictures/147643_intake_1.jpg" />you can replace just one and no special tools,just basic hand tools.
Thursday, June 11th, 2009 AT 8:27 PM