4 wheel drive does not engage.

Tiny
PCMCKEC
  • MEMBER
  • 1995 GMC SIERRA
  • V8
  • 4WD
  • AUTOMATIC
  • 207,000 MILES
The 4 wheel drive on my 1995 GMC Sierra does not engage. Can you give me an idea what the problem might be and how to go about fixing it myself if possible.

Thanks
Sunday, December 21st, 2008 AT 1:30 PM

1 Reply

Tiny
KASEKENNY
  • MECHANIC
  • 18,907 POSTS
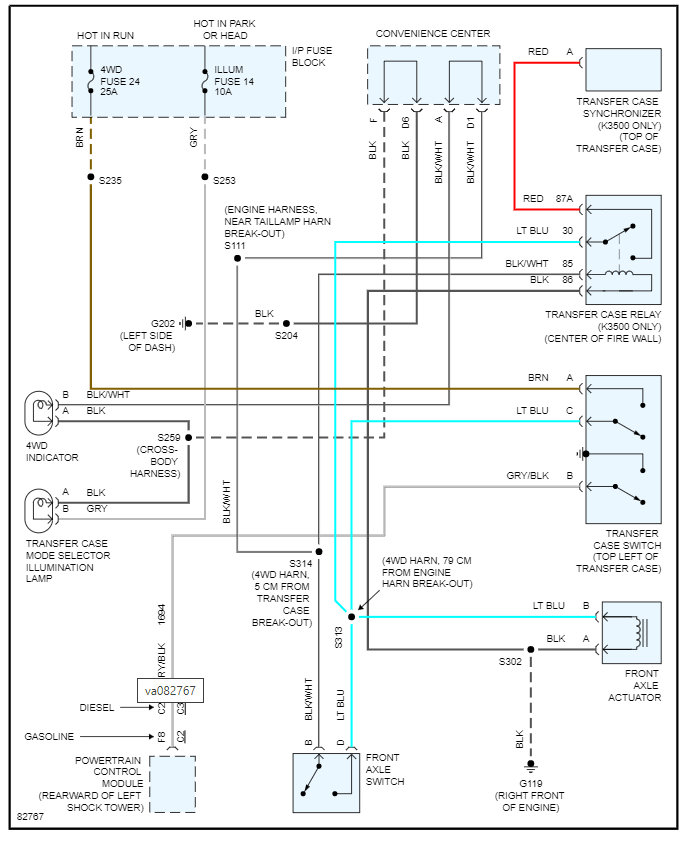
There are a number of things that can cause this, so we need to start with a little more info. Does the 4WD indicator come on when you are shifting into 4WD?

If it does, then the switch and relay are working, and we need to suspect the synchronizer is the issue or even the front axle actuator.

So, the way to check this is to go to the actuators and check for power getting to them. If it is, then they need to be replaced.

If not, then we need to back track in the system. Here is a guide that will help with this:

https://www.2carpros.com/articles/how-to-check-wiring

I am attaching the wiring diagram below as well.

If the lamp does not come on, then we could have a relay or switch issue so let's start running through this and we can go from there.

Thanks
Was this
answer
helpful?
Yes
No
Monday, March 28th, 2022 AT 7:05 PM

Please login or register to post a reply.