Wednesday, February 3rd, 2010 AT 5:19 PM
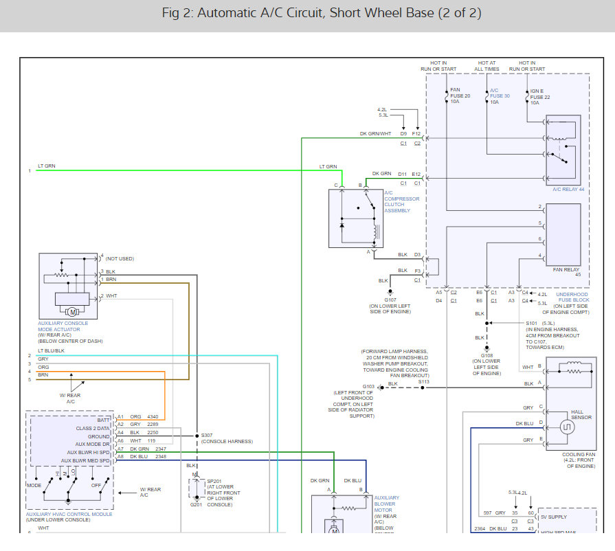
My heater blower motor stopped working, I replaced the Climate Control Assy and the motor worked. I reinstalled all components and did something wrong because I lost all power and could not remove my key. I jumped my GMC removed my key and charged the battery. The next morning I started my GMC and the blower motor would not work. I pulled the blower motor and jumped it to my batter and it worked fine. I installed the blower motor and it will not operate via the control assy. I checked and double checked all blower motor/HVAC fuses and swapped the relay under the good with another function relay but still no blower motor operation. Suppestions please.









