Can I retrofit with Halogen headlamp assemblies and bypass the ballast?

Tiny
MOONIAC
  • MEMBER
  • 2000 GMC ENVOY
  • 6 CYL
  • 4WD
  • AUTOMATIC
  • 128,000 MILES
I have HID lowbeams. One is out. Dealer tells me the part cost $619.00 plus tax. Bulb, igniterand cable to ballast are all one unit. Can I retrofit with Halogen headlamp assemblies and bypass the ballast and igniter to provide 12v to the halogen low beam. If one side is out the other side is not far behind and I cannot justify spending over $1200.00 on two new lowbeams in a truck that Blue books for about $4K.
Does anyone know of a kit to do this or do I have to search the salvage yards for the correct halogen assemblies? Thanks.
Wednesday, December 31st, 2008 AT 2:44 PM

1 Reply

Tiny
KASEKENNY
  • MECHANIC
  • 18,907 POSTS
Yes you can. However, you are going to have to make sure you are using the protected circuit from the fuse and switch.

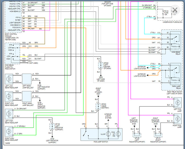
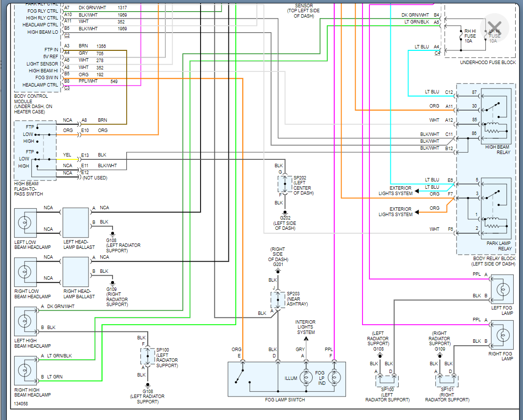
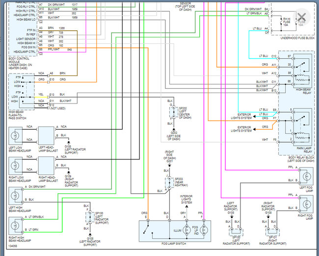
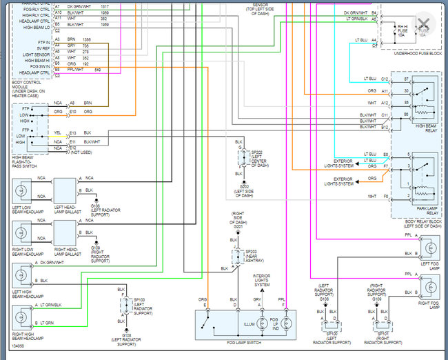
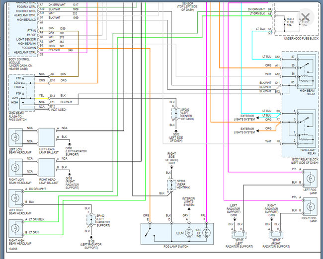
Basically these bulbs only require 12volts to run so I would suggest monitoring the voltage on the wiring coming into the ballast that is shown below in the wiring diagrams. They label the color NCA which means no color assigned. This means it could be any color.

However, a simple voltage check to make sure it is 12 volts will show that you just need to run a new wire from this to you bulb socket bypassing the ballast.

https://www.2carpros.com/articles/how-to-check-wiring

You are also going to have to run a new ground that bypasses the ballast as well.

Please see the wiring diagram below that will help with this.

Let me know if you have questions on this and we can go from there.

Thanks
Was this
answer
helpful?
Yes
No
Monday, August 23rd, 2021 AT 2:43 PM

Please login or register to post a reply.