No low beam headlights

Tiny
JBARSE1272
  • MEMBER
  • 2004 GMC ENVOY

The low beams quit working. High beams work fine, but when you switch to low beams they just shut off. Park lights and fog lights are still on though.
Monday, May 10th, 2010 AT 11:09 AM

29 Replies

Tiny
HMAC300
  • MECHANIC
  • 48,601 POSTS
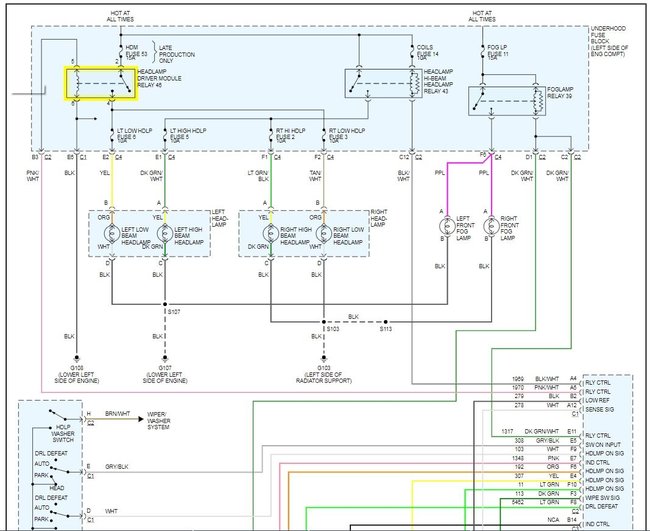
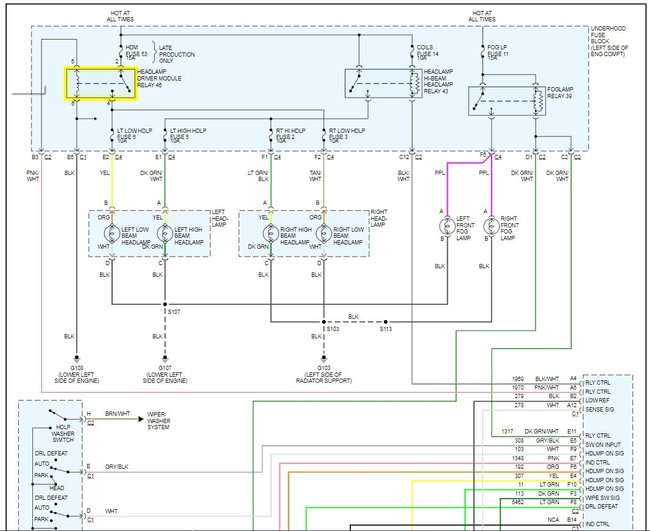
Check the relay and fuse under the fuse panel under hood. it'a s big rectangular thing you'll see it. it should be marked what is what on the inside top.

Read the guide below on testing relays

https://www.2carpros.com/articles/how-to-check-an-electrical-relay-and-wiring-control-circuit

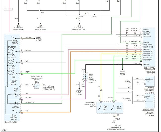
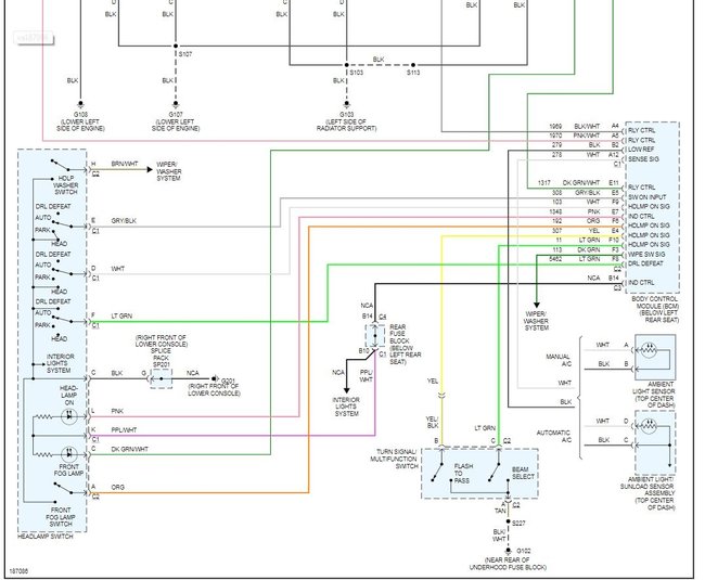
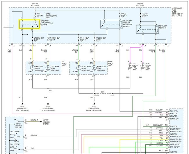
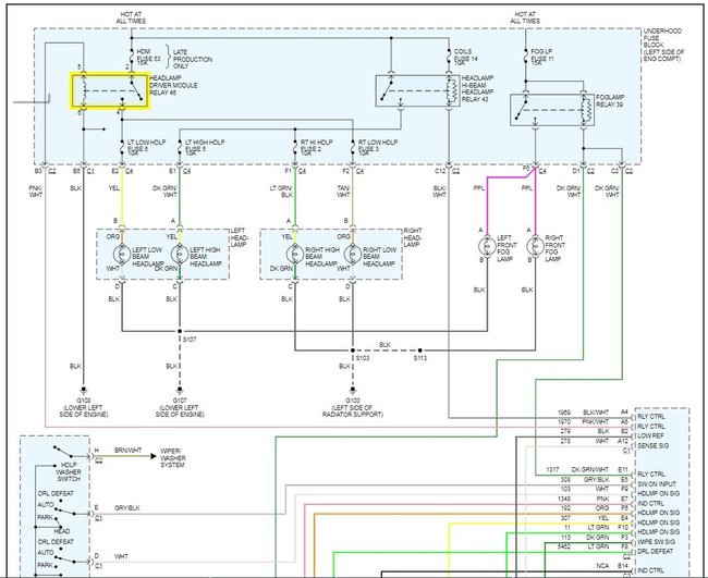
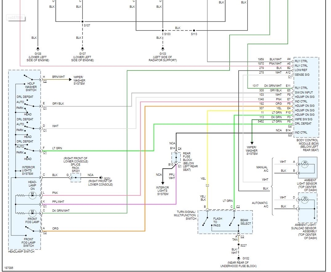
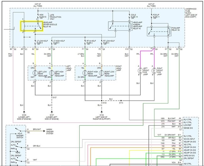
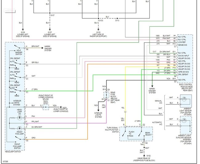
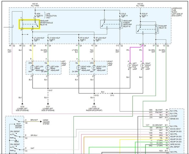
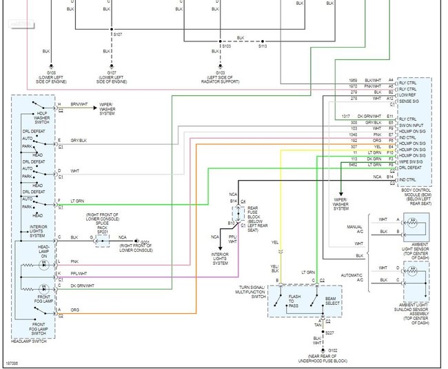
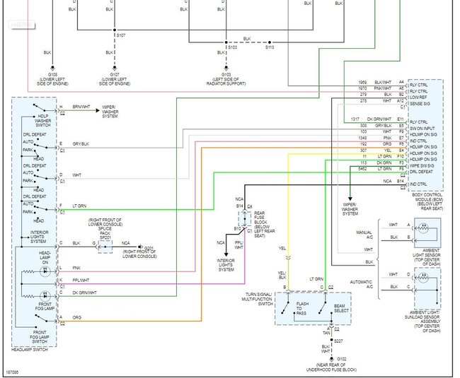
Attached below ore the wiring diagrams for you headlights, the low beam relay is highlighted n yellow
Was this
answer
helpful?
Yes
No
-1
Sunday, May 23rd, 2010 AT 6:36 PM
Tiny
MELISSA_MOORE
  • MEMBER
  • 2 POSTS
  • 2004 GMC ENVOY
  • 2WD
  • AUTOMATIC
My low beams won't work on my 2004 gmc envoy
Was this
answer
helpful?
Yes
No
-1
Saturday, November 17th, 2018 AT 9:33 AM (Merged)
Tiny
MELISSA_MOORE
  • MEMBER
  • 2 POSTS
Btw. Chased the electrical to the fuse box. No power going to the fuse box for the low beams. High beams getting power.
Was this
answer
helpful?
Yes
No
+14
Saturday, November 17th, 2018 AT 9:33 AM (Merged)
Tiny
ERICKK
  • MEMBER
  • 1 POST
  • 2004 GMC ENVOY
  • 6 CYL
  • 2WD
  • AUTOMATIC
  • 51,000 MILES
My headlights wont come on I checked the fuses and the fuses are fine, I changed the headlamps and the lowbeams still will not come on on either side, but the high beams work on both sides, can someone please help me figure out whats wrong?
Was this
answer
helpful?
Yes
No
+8
Saturday, November 17th, 2018 AT 9:33 AM (Merged)
Tiny
KLSHIEL
  • MECHANIC
  • 163 POSTS
Bad connections, corrosion, or a bad switch are all suspects. Where the sockets corroded when you changed the bulbs? Since both lights are out I would test the switch to make sure it is working. Look for any loose connections.
Was this
answer
helpful?
Yes
No
Saturday, November 17th, 2018 AT 9:33 AM (Merged)
Tiny
TJB405
  • MEMBER
  • 1 POST
  • 2008 GMC ENVOY
  • 47,000 MILES
Both low beams would not work after I started the car last night. Only the high beams would work. When the high/low beam control would be placed in the low beam position there were no lights at all.
Was this
answer
helpful?
Yes
No
+8
Saturday, November 17th, 2018 AT 9:33 AM (Merged)
Tiny
SATURNTECH9
  • MECHANIC
  • 30,869 POSTS
Do you have a multi meter to do some testing?Also a scan from a professional scan tool that can read all the computers would really help. Not a diyer scan tool or auto parts scanner They can't read all the computers. Also get me the exact code numbers you have not code descriptions?
Was this
answer
helpful?
Yes
No
-1
Saturday, November 17th, 2018 AT 9:34 AM (Merged)
Tiny
FILIPO
  • MEMBER
  • 1 POST
  • 2005 GMC ENVOY
  • 6 CYL
  • 4WD
  • AUTOMATIC
  • 122,000 MILES
My low beam headlights on my GMC Envoy cut out. What could be causing this? My fog lights, parking lights, and high beam headlights works fine except for the low beam headlights.
Was this
answer
helpful?
Yes
No
+9
Saturday, November 17th, 2018 AT 9:34 AM (Merged)
Tiny
HMAC300
  • MECHANIC
  • 48,601 POSTS
This cold be a relay, ground or light bulbs themselves in the headlights. Check your underhood electrical center for a bad relay. If the under hood center cover doesn't list the relays then your owners handbook should.
Was this
answer
helpful?
Yes
No
-1
Saturday, November 17th, 2018 AT 9:34 AM (Merged)
Tiny
XPRBILL
  • MEMBER
  • 2 POSTS
  • 2006 GMC ENVOY
  • 6 CYL
  • 2WD
  • AUTOMATIC
  • 45,000 MILES
Low beams dont work, but high beams & running lites are ok, fuses are ok
Was this
answer
helpful?
Yes
No
+5
Saturday, November 17th, 2018 AT 9:34 AM (Merged)
Tiny
IMPALASS
  • MECHANIC
  • 3,112 POSTS
Hello -

To better assist you is your model just the Envoy or the XLK? Also what is your engine size in liter?

Not trying to insult you... Just making sure you and I are on the same page..... Are you sure both light bulbs are still good?

Next, I show fuses 3 and 6 are 10amp for the low beams and fuses 5 and 2 are 10 amp for the high. You did check them with an ohm meter and they are good.......

Next, I also see Relay number 46 is a relay for the low beams. Have you checked that?
Was this
answer
helpful?
Yes
No
+6
Saturday, November 17th, 2018 AT 9:34 AM (Merged)
Tiny
XPRBILL
  • MEMBER
  • 2 POSTS
Replaced relay 46 with 45 (not needed) works perfectly!
Was this
answer
helpful?
Yes
No
+3
Saturday, November 17th, 2018 AT 9:34 AM (Merged)
Tiny
IMPALASS
  • MECHANIC
  • 3,112 POSTS
Hello -

Fantastic! Glad that worked out for you.

Have a great day.
Was this
answer
helpful?
Yes
No
Saturday, November 17th, 2018 AT 9:34 AM (Merged)
Tiny
IMPALASS
  • MECHANIC
  • 3,112 POSTS
Hello -

Hey one other thing while I have you on the line. . .. . .. . .. . ..

Also, it looks like you may have some recalls on your vehicle. The dealer may fix these for free. Please contact the dealer service department, give them the VIN number of your car and have them check on these to see if they apply to you.


https://www.2carpros.com/forum/automotive_pictures/248015_Recalls_34.jpg

Was this
answer
helpful?
Yes
No
Saturday, November 17th, 2018 AT 9:34 AM (Merged)
Tiny
WUNS24
  • MEMBER
  • 2 POSTS
  • 2000 GMC ENVOY
Electrical problem
2000 GMC Envoy 6 cyl Four Wheel Drive 150000 miles

the low beam hid headlight went out. Fuses are ok.
The cost of repair parts for this is 900.00 for ignitor & balast. Obviously this is insane for one headlight. Can this headlight system be replaced reasonably by a more conventional halogen system safely. The high beams are halogen, and there are plenty of housings from that style of jimmys and blazers.
Thank you
Was this
answer
helpful?
Yes
No
Saturday, November 17th, 2018 AT 9:34 AM (Merged)
Tiny
2CARPRO JACK
  • MECHANIC
  • 11,533 POSTS
Not sure on that one. Never heard of someone going from HID to regular lights. Might want to compare the wiring diagram for the two differnet trucks, dont see why it wouldnt work, all of the HID stuff is located in the housing.
Was this
answer
helpful?
Yes
No
Saturday, November 17th, 2018 AT 9:34 AM (Merged)
Tiny
MHDORE
  • MEMBER
  • 1 POST
Hi,
Have the same problem on my Envoy.
Tried to take light bulb out but cant unless I break it I guess.
Now checking to converting to a new kit out.
Wondering if you manage to get yours repaired and how?
Thanks
Was this
answer
helpful?
Yes
No
-1
Saturday, November 17th, 2018 AT 9:34 AM (Merged)
Tiny
BOGO53
  • MEMBER
  • 2 POSTS
  • 2005 GMC ENVOY
  • 6 CYL
  • 4WD
  • AUTOMATIC
  • 80,000 MILES
2005 gmc envoy no low beam headlights?
Was this
answer
helpful?
Yes
No
+2
Saturday, November 17th, 2018 AT 9:34 AM (Merged)
Tiny
MCSGARAGE
  • MEMBER
  • 12 POSTS
There is a wiring harness in the steering column that controls the daytime running lights, it is most likely that this is the cause of that problem, these wires are known for breaking because of the tilt wheeel. I assume you checked the fuses in the car and under the hood first!
Was this
answer
helpful?
Yes
No
+1
Saturday, November 17th, 2018 AT 9:34 AM (Merged)
Tiny
BLACK97DODGE
  • MEMBER
  • 1 POST
  • 2002 GMC ENVOY
Electrical problem
2002 GMC Envoy 6 cyl Four Wheel Drive Automatic

I've replaced a dim headlight bulb already. The new bulb is dim too
Was this
answer
helpful?
Yes
No
+1
Saturday, November 17th, 2018 AT 9:34 AM (Merged)

Please login or register to post a reply.