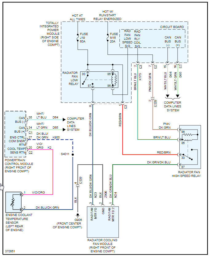
It has a new water pump and cross over tube.
New oil pan.
New oil filter housing unit.
New thermostat.
It’s like whatever is supposed to kick in to cool the engine is taking extra long to kick on, but once it does it’s fine.
Saturday, February 20th, 2021 AT 4:04 PM




