Transmission will not shift to fourth gear and overdrive has no voltage?

Tiny
RODWAN
  • MEMBER
  • 2000 TOYOTA CRESSIDA
  • 2.0L
  • 6 CYL
  • 2WD
  • AUTOMATIC
  • 44,455 MILES
I have 1G FE engine Automatic transmission the gear won't shift into the fourth gear the overdrive button hasn't got any Voltage.
How can I rewire It and where?
Saturday, July 23rd, 2022 AT 1:57 PM

1 Reply

Tiny
KEN L
  • MASTER CERTIFIED MECHANIC
  • 55,505 POSTS
We need to check for codes, here is a guide that will help:

https://www.2carpros.com/articles/checking-a-service-engine-soon-or-check-engine-light-on-or-flashing

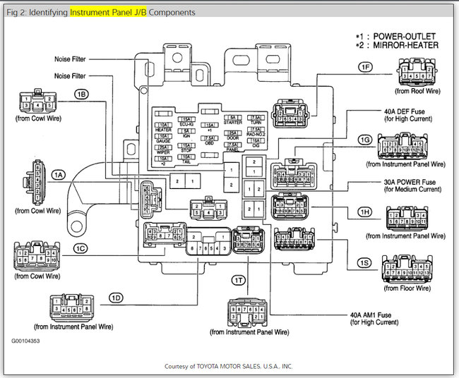
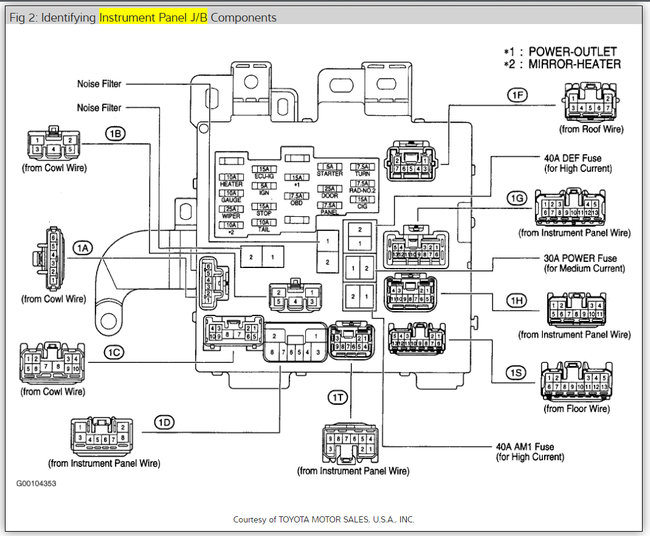
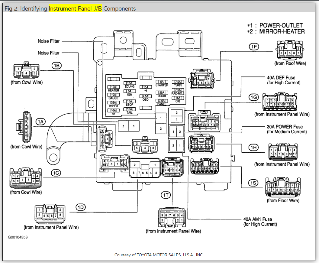
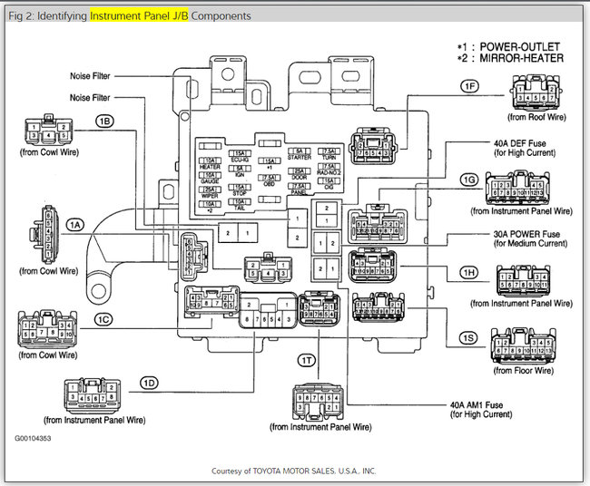
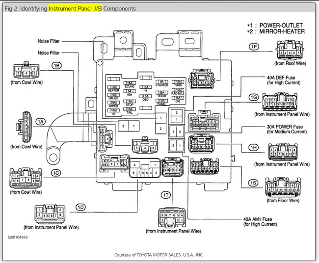
Also, have you checked the fuses? This guide will help with that and the fuse location or in the diagrams below along with the wiring diagrams for the transmission so you can see how the system works:

https://www.2carpros.com/articles/how-to-check-a-car-fuse

Check out the diagrams (below). Please let us know what happens.
Was this
answer
helpful?
Yes
No
Sunday, July 24th, 2022 AT 10:39 AM

Please login or register to post a reply.