Gear shifter is stuck in reverse

Tiny
DAVIDEISEN
  • MEMBER
  • 2006 CHEVROLET TRAILBLAZER
  • 153,000 MILES
Gear shift is stuck in reverse, car wont start, the knob to move shifter will not depress. All the lights come on in the car, the gear shift is stuck in the reverse position. What can I do to try and fix it? How do I remove the gear shift? What else could it be. The car was running great earlier today, then tonight this happened out of the blue.
Friday, September 13th, 2013 AT 9:34 PM

21 Replies

Tiny
KEN L
  • MASTER CERTIFIED MECHANIC
  • 55,291 POSTS
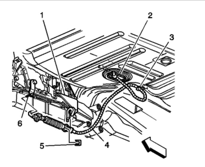
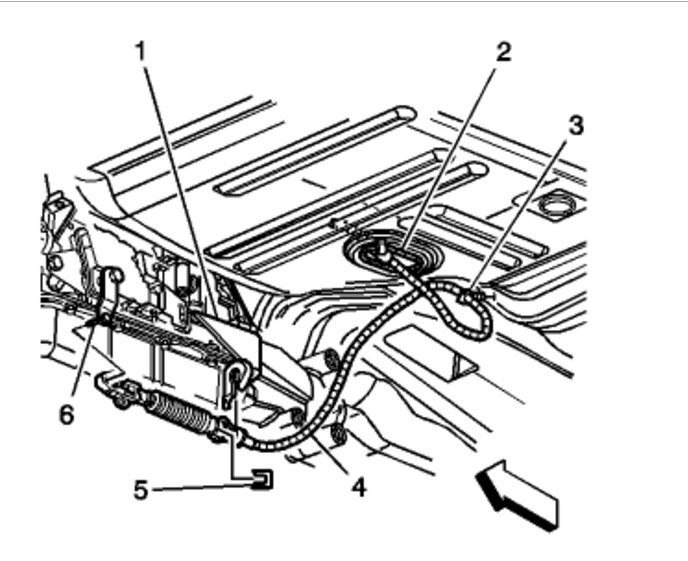
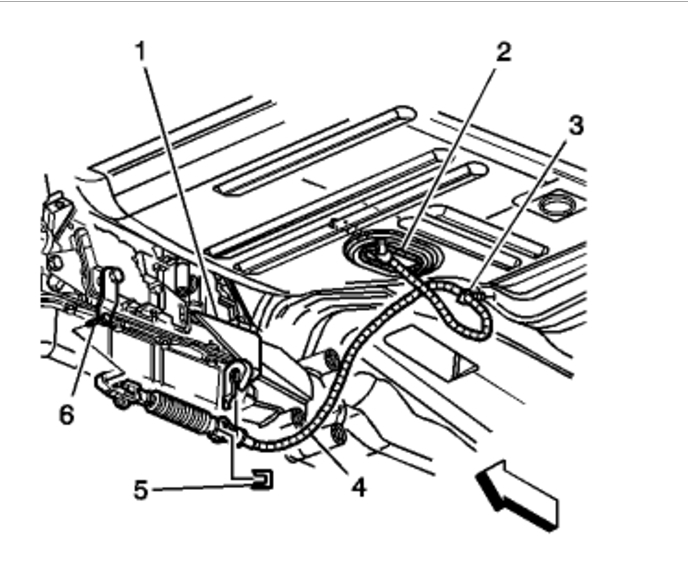
This can be one of two things. Either the interlock solenoid is not working or the shift cable is broken or seized down at the transmission which is common. Get under the car by the selector shaft at the transmission and have someone move the shift lever back and fourth you will see the cable is separated from the mount.

Here is a guide so you can jack up the car safely and some diagram (below) to show you the repair

https://www.2carpros.com/articles/jack-up-and-lift-your-car-safely

I would also check the fuses to make sure the solenoid is getting power.

https://www.2carpros.com/articles/how-to-check-a-car-fuse

Here is the shift cable for $47.00 on Amazon.

https://www.amazon.com/gp/product/B0013FW68K/ref=as_li_qf_sp_asin_il_tl?ie=UTF8&tag=2carprcom-20&camp=1789&creative=9325&linkCode=as2&creativeASIN=B0013FW68K&linkId=fb75f5b4c858cb6c29ac94c0eb061d89

Check out the diagrams (Below)

Let us know how it goes, we are here to help at 2CarPros

Best, Ken
Was this
answer
helpful?
Yes
No
+18
Thursday, August 11th, 2016 AT 10:51 AM
Tiny
ALBERTO TORRES DROZ
  • MEMBER
  • 1 POST
I had the same problem with my trailblazer I check the shifter cable and it was the shifter cable bushing that's that small rubber piece on the shifter
Was this
answer
helpful?
Yes
No
+29
Tuesday, July 11th, 2017 AT 10:04 AM
Tiny
KEN L
  • MASTER CERTIFIED MECHANIC
  • 55,291 POSTS
Great addition to this thread! Please feel free to help out whenever you are on the site :)

Cheers, Ken
Was this
answer
helpful?
Yes
No
+1
Tuesday, July 11th, 2017 AT 4:24 PM
Tiny
RICK EOBINSON
  • MEMBER
  • 1 POST
  • 2005 CHEVROLET TRAILBLAZER
  • 6 CYL
  • 2WD
  • AUTOMATIC
  • 98,000 MILES
My wife backed in the garage and when she tried to put it in park it was stuck in reverse. We tried gently rocking in but still could not move the shifter. Of course we cannot start the car. How can I fix the problem or am I going to call a tow truck?
Was this
answer
helpful?
Yes
No
+7
Tuesday, January 22nd, 2019 AT 2:01 PM (Merged)
Tiny
KEN L
  • MASTER CERTIFIED MECHANIC
  • 55,291 POSTS
It sounds like the shifter cable or the mount has lets go or come loose, look underneath the car while she moves the shifter back and fourth too see what is going on, please let me know what you find.

Best, Ken
Was this
answer
helpful?
Yes
No
+3
Tuesday, January 22nd, 2019 AT 2:01 PM (Merged)
Tiny
MERRILL10096212
  • MEMBER
  • 0 POST
You are correct. It is a broken cable. Cost to repair - $404. Thanks for the help!

Rick Eobinson.
Was this
answer
helpful?
Yes
No
+8
Tuesday, January 22nd, 2019 AT 2:01 PM (Merged)
Tiny
KEN L
  • MASTER CERTIFIED MECHANIC
  • 55,291 POSTS
Good to know, Please use 2Carpros anytime.
Was this
answer
helpful?
Yes
No
+1
Tuesday, January 22nd, 2019 AT 2:01 PM (Merged)
Tiny
BIGMIKE7580
  • MEMBER
  • 1 POST
  • 2005 CHEVROLET TRAILBLAZER
  • 110,000 MILES
My wife has a 2005 Trailblazer with a I6.  She backed out of the garage 20 ft before trying to shift into drive.  However the vehicle wouldn't shift out of reverse.  She killed the engine, but only to lock the vehicle in reverse and now unable to start it.  The key was also stuck in the ignition in the run position.  Check engine light now on.

1. First I checked the shifter linkage.  GOOD at Trans.
2. Read that not enough volts would cause the shifter lockout solenoid to activate. Â
3. Hooked up my vehicle by booster cables.   (Quick attempt to move vehicle out of the alley we were blocking). NOTHING
4. Removed top of center console to access the shifter lockout solenoid. Manual shifted into neutral to push the vehicle out of the alley.  WORKED - linkage is GOOD.
5. Shifted into park, but indicator stayed in Reverse.
6. Next day, I borrowed a Scan Tool, but battery was dead now.
7. Charged battery overnight and ran scan tool, but no codes registered on the tool.

I'm thinking the neutral park module on the Trans but why no Code?  Any other
suggestions?
Was this
answer
helpful?
Yes
No
Tuesday, January 22nd, 2019 AT 2:01 PM (Merged)
Tiny
MADMIKE1735
  • MECHANIC
  • 951 POSTS
It sounds like the cable fell apart at the steering column, can you see if the the calve housing has come undone? Please let us know want happens so it will help others,

Best, Mike
Was this
answer
helpful?
Yes
No
-1
Tuesday, January 22nd, 2019 AT 2:01 PM (Merged)
Tiny
TWINDRAGON73
  • MEMBER
  • 3 POSTS
When the battery went dead overnight that cleared the code(s).
If you have a good scan tool use it to activate and deactivate the parts you suspect. If you have access to a lab scope this will help you a lot in finding out if you have a bad sensor or module
Was this
answer
helpful?
Yes
No
-2
Tuesday, January 22nd, 2019 AT 2:01 PM (Merged)
Tiny
KEN L
  • MASTER CERTIFIED MECHANIC
  • 55,291 POSTS
How did things turn out? I was thinking it could be inside the transmission, the selector shaft is broken or jammed?

Best, Ken
Was this
answer
helpful?
Yes
No
-1
Tuesday, January 22nd, 2019 AT 2:01 PM (Merged)
Tiny
YOHANCAR
  • MEMBER
  • 1 POST
  • 2004 CHEVROLET TRAILBLAZER
  • 3.0L
  • V6
  • 4WD
  • AUTOMATIC
  • 200,000 MILES
When I was reversing the car it will not come out reverse and I can not start the engine
Was this
answer
helpful?
Yes
No
+1
Tuesday, January 22nd, 2019 AT 2:01 PM (Merged)
Tiny
JACOBANDNICKOLAS
  • MECHANIC
  • 110,192 POSTS
Have you checked the linkage to the transmission to make sure nothing is damaged or disconnected?
Was this
answer
helpful?
Yes
No
-1
Tuesday, January 22nd, 2019 AT 2:01 PM (Merged)
Tiny
DAN47CT
  • MEMBER
  • 1 POST
  • 2007 CHEVROLET TRAILBLAZER
  • 97,500 MILES
2007 Chevy Trailblazer gear lever is stuck between reverse & park. I can't start the car but can remove keys. What can I do to free up gear shift?
Was this
answer
helpful?
Yes
No
+3
Tuesday, January 22nd, 2019 AT 2:01 PM (Merged)
Tiny
JACOBANDNICKOLAS
  • MECHANIC
  • 110,192 POSTS
Check the linkage under the vehicle where it attaches to the transmission.
Was this
answer
helpful?
Yes
No
-1
Tuesday, January 22nd, 2019 AT 2:01 PM (Merged)
Tiny
RAFI2466
  • MEMBER
  • 2 POSTS
  • 2002 CHEVROLET TRAILBLAZER
  • 114,100 MILES
I drove my 2002 trailblazer LTZ home. When I parked and put the car in park, the shifter moved but the car remained in drive. I can not get the shifter to move or the car started now because it is in drive. What can I do?
Was this
answer
helpful?
Yes
No
Thursday, August 8th, 2019 AT 6:35 PM (Merged)
Tiny
HMAC300
  • MECHANIC
  • 48,601 POSTS
You'll hav eto check and see if hte cable is broken. Crawl under neath and have someone move the selector, if the lever on trans doesn't move then the cable broke an dneeds replacing. You can manually move the lever to get in park or neutral but it will stay there then. Make sure to turn the key on to get the shift lever out of park.
Was this
answer
helpful?
Yes
No
+1
Thursday, August 8th, 2019 AT 6:35 PM (Merged)
Tiny
RAFI2466
  • MEMBER
  • 2 POSTS
I can't move the selector, it's in park and the dash indicates its in drive.
Was this
answer
helpful?
Yes
No
+2
Thursday, August 8th, 2019 AT 6:35 PM (Merged)
Tiny
HMAC300
  • MECHANIC
  • 48,601 POSTS
The cable or shift lock has to be broken then you have to take teh console off to change the cable an di really think that is your problem. Crawl under the truck and move the lever on the trans all the way forward. If it won't move tehn disconnect the cable and it will then. Then have a pro fix this for you.
Was this
answer
helpful?
Yes
No
Thursday, August 8th, 2019 AT 6:35 PM (Merged)
Tiny
KMELQUIST
  • MEMBER
  • 23 POSTS
  • 2005 CHEVROLET TRAILBLAZER
  • 125,000 MILES
Have a 2005 chevy trailblazer that will not shift out of park. The display on the instrument cluster reads that the vehicle is in reverse or switches to 3 gear spot when the vehicle is clearly in park. It also will not let me start it but I have full power to everything Already Tried:
stepping on the brake turning the key until all the lights on the dash went on and then start engine and tried to shift out of park. Disconnecting the battery and then reconnecting, trying to start and shift. Rocking car back and forth.
Was this
answer
helpful?
Yes
No
Thursday, August 8th, 2019 AT 6:35 PM (Merged)

Please login or register to post a reply.