Wednesday, January 23rd, 2019 AT 5:44 AM
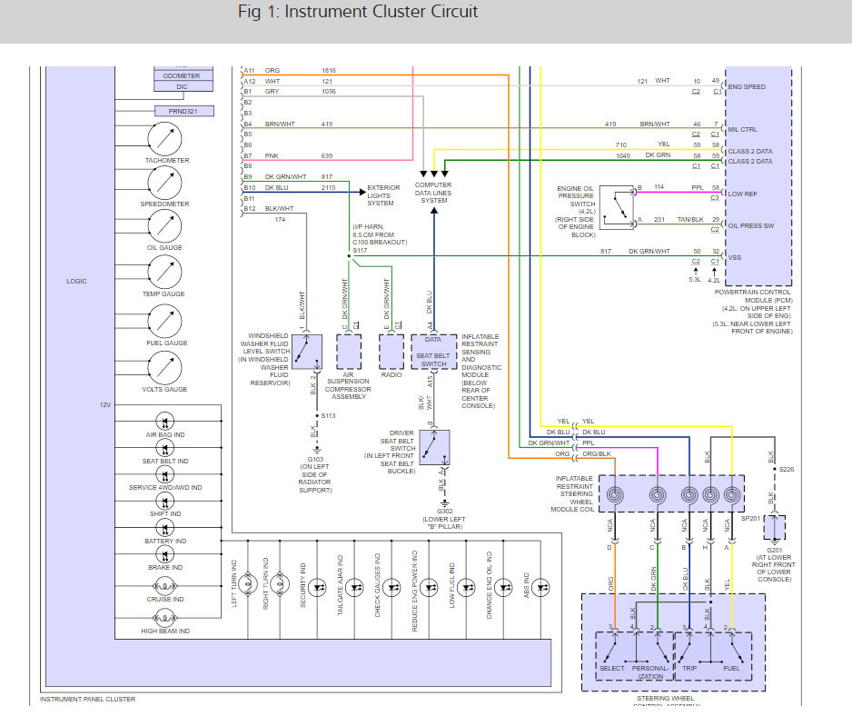
I have a 2004 Chevy Trailblazer and when I start up the vehicle sometime the lights won't come on neither do the gauges would move. Could this be the Body Control Module need to be replace or something? How can this issue be repair?




