Gauges not working?

Tiny
ABBYJ198521
  • MEMBER
  • 1998 DODGE DAKOTA
  • 0.6L
  • 6 CYL
  • 4WD
  • AUTOMATIC
  • 140,000 MILES
None of my dash gauges are working.
Sunday, September 11th, 2022 AT 3:01 PM

3 Replies

Tiny
JACOBANDNICKOLAS
  • MECHANIC
  • 110,192 POSTS
Hi,

Does anything related to the instrument cluster work? For example, does the speedometer or tachometer work? Do the lights on it work? Is there anything else electrical not working?

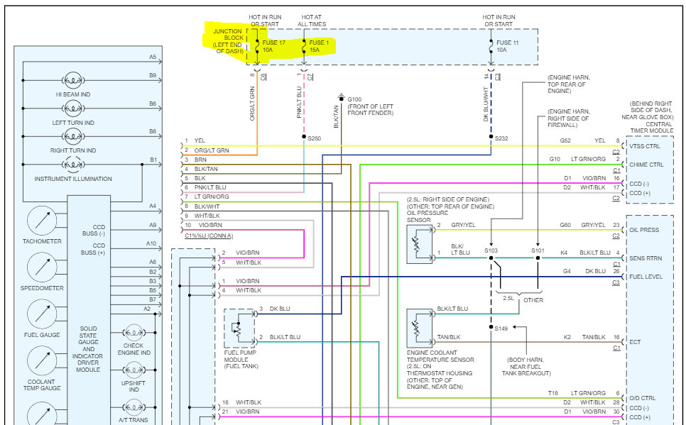
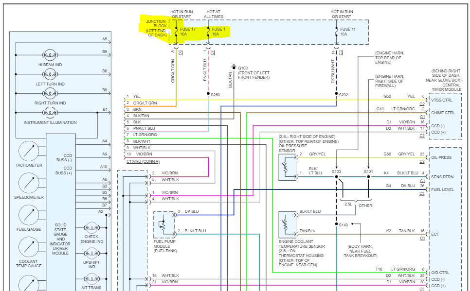
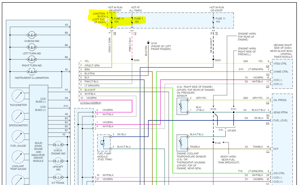
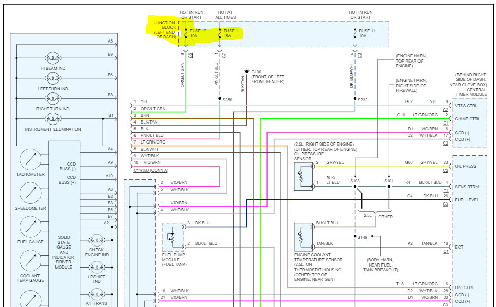
If you look up under the dash, you will see an electrical connector to the cluster. Check to make sure it isn't loose or damaged. If it appears to be good, I need you to check two fuses located in the vehicle fuse box at the end of the dash.

Fuses 1 and 17 power the cluster. Check to see if they are both good. Additionally, confirm there is power to and from them as well.

Here is a link you may find helpful:

https://www.2carpros.com/articles/how-to-check-a-car-fuse

I attached two pics below showing the wiring circuit and fuse locations. Let me know what you find or if you have other questions.

Take care,

Joe

See pics below.
Was this
answer
helpful?
Yes
No
Sunday, September 11th, 2022 AT 6:53 PM
Tiny
ABBYJ198521
  • MEMBER
  • 2 POSTS
Thank you so much, I will let you know if it works!
Sincerely,
Abby
Was this
answer
helpful?
Yes
No
Sunday, September 11th, 2022 AT 7:35 PM
Tiny
JACOBANDNICKOLAS
  • MECHANIC
  • 110,192 POSTS
You are very welcome. Hopefully, it will be something simple.

Take care,

Joe
Was this
answer
helpful?
Yes
No
Sunday, September 11th, 2022 AT 8:25 PM

Please login or register to post a reply.