Thursday, March 17th, 2022 AT 8:14 PM
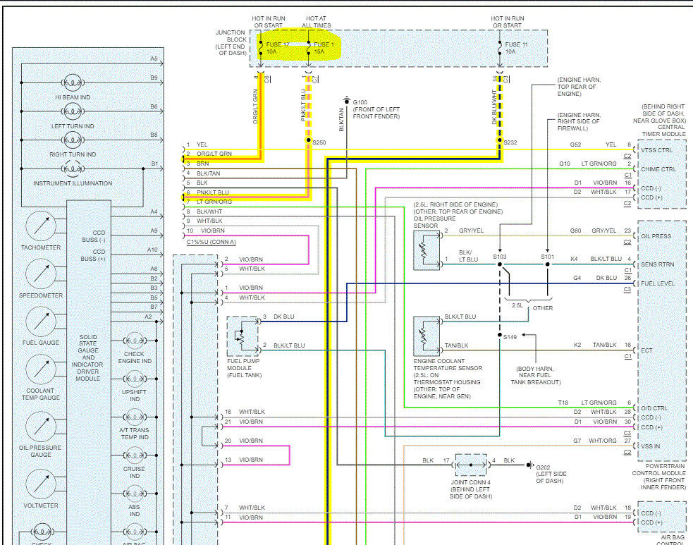
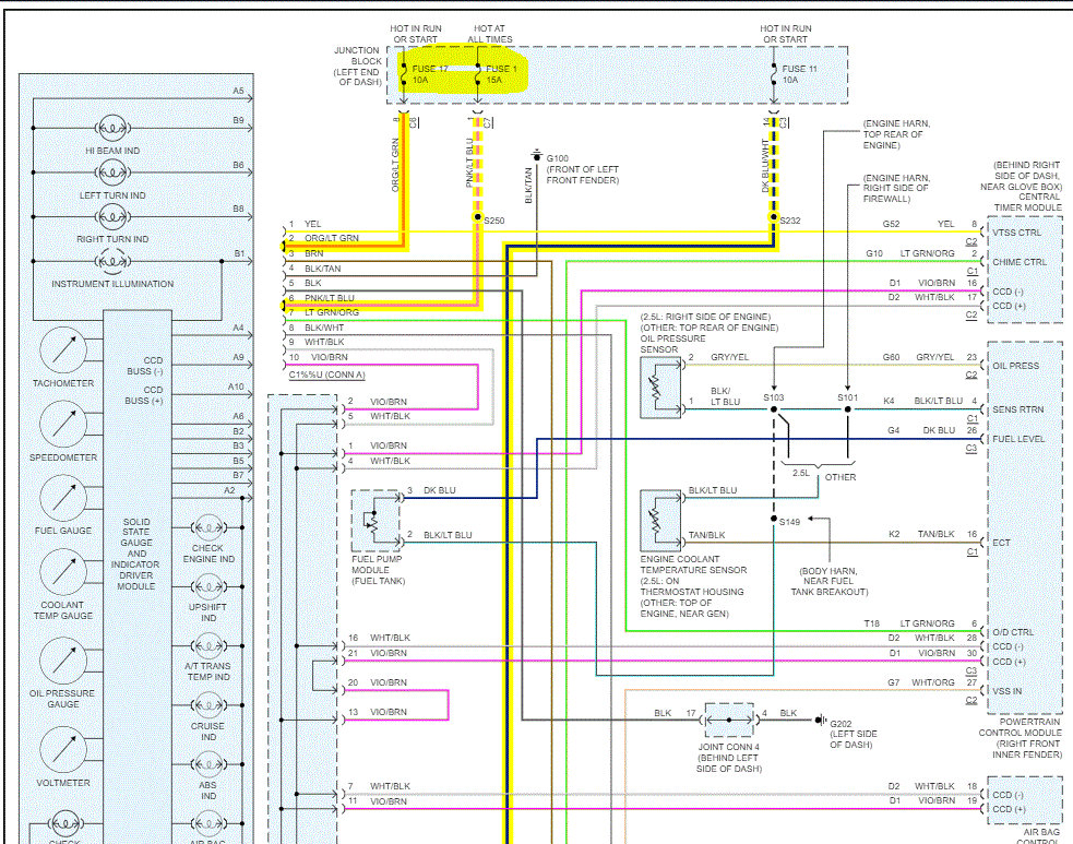
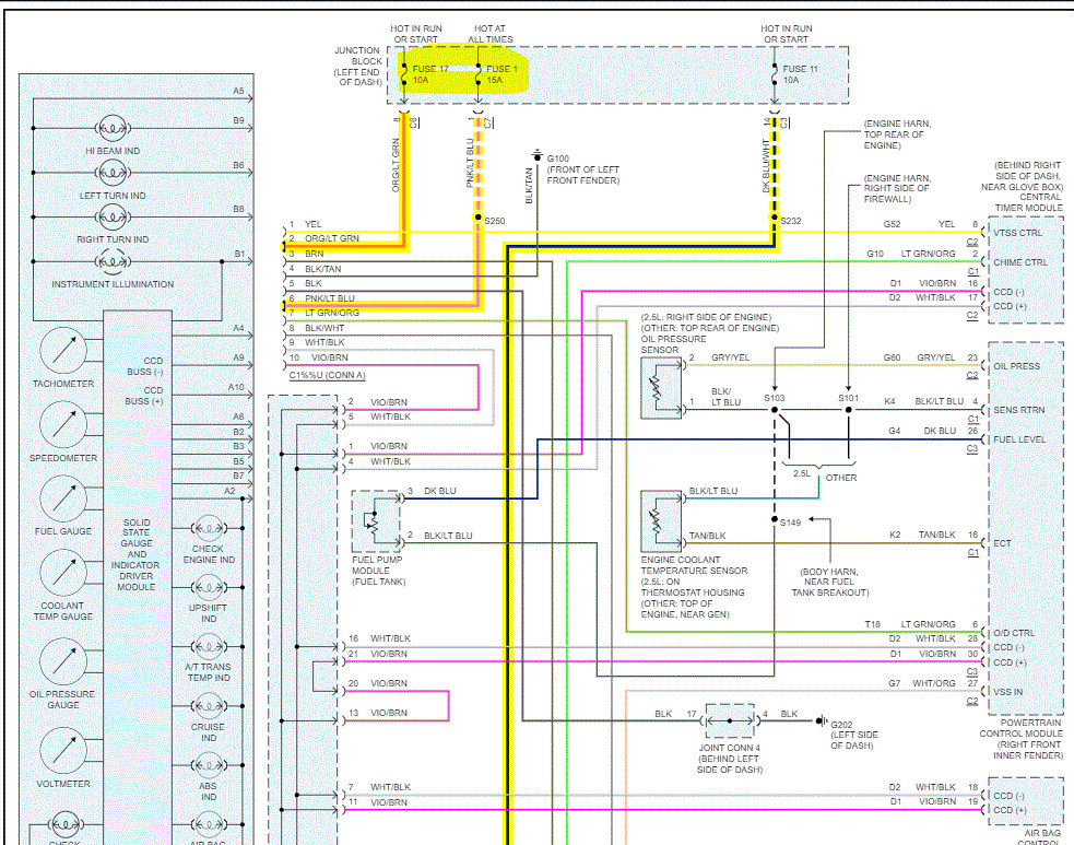
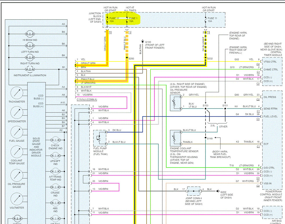
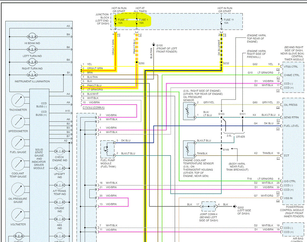
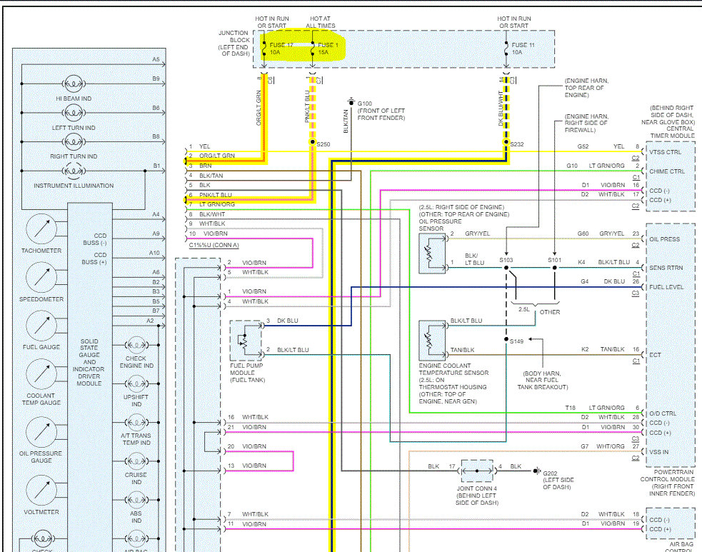
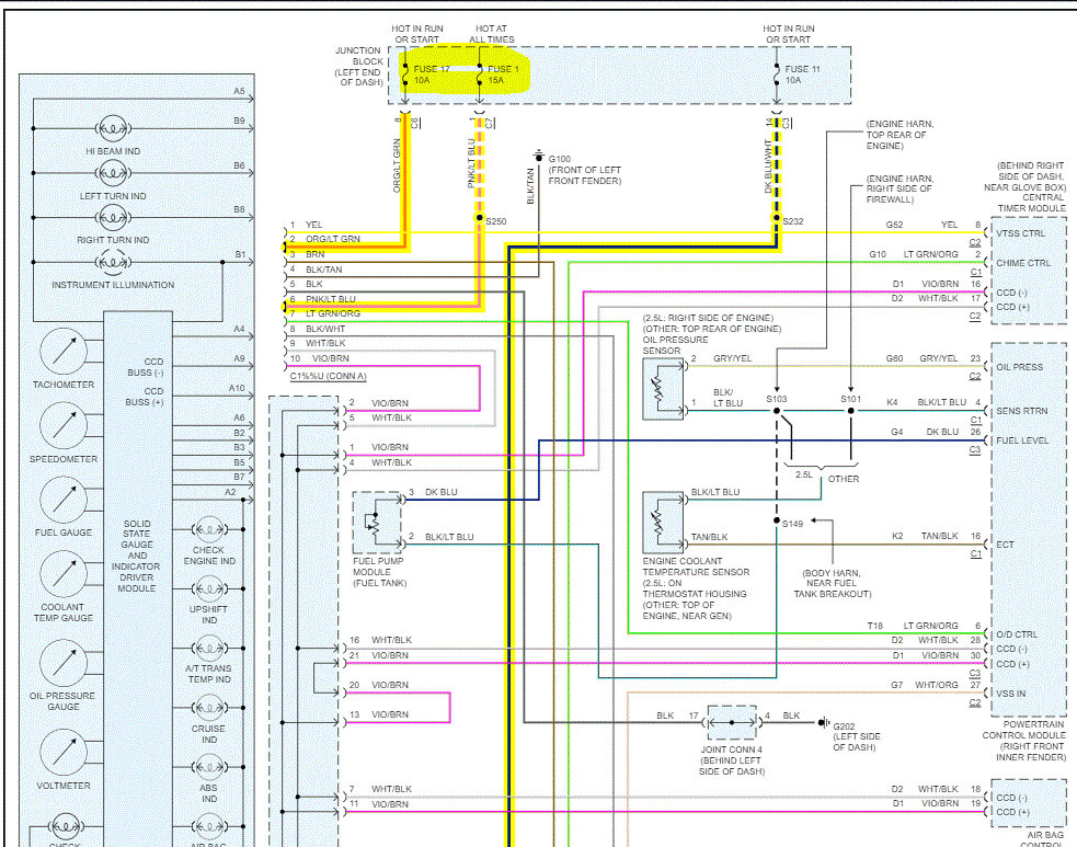
All lights turn on but speedometer, tachometer, gas gauge, oil gauge and temperature gauge. Fuse 11 is perfect I can’t figure out the problem.




