Friday, May 11th, 2018 AT 8:02 AM
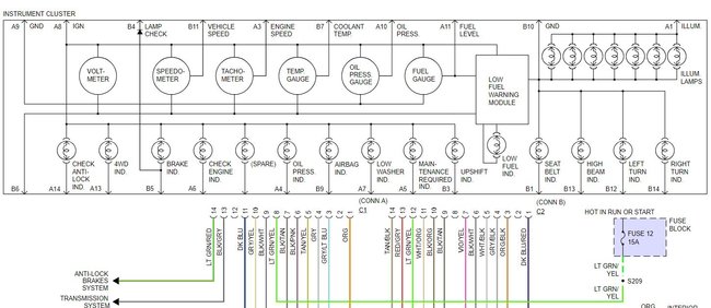
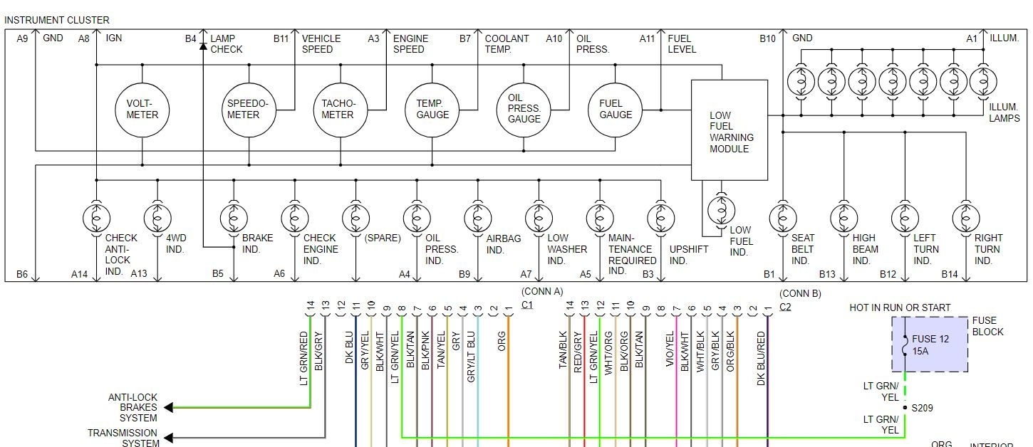
I replaced the fuel pump and I did not have power to the fuel pump. I replaced the PCM. I replaced relays and fuses, so I had to toggle switch the fuel pump and my gas gauge does not work. No power to the gas gauge. Has not had power to the gas gauge since I bought the truck.

