Thursday, November 30th, 2006 AT 10:53 AM
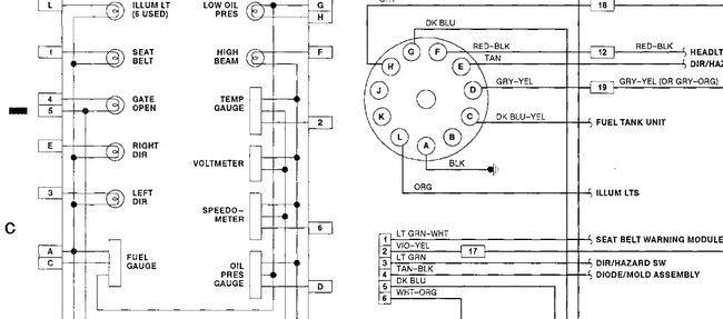
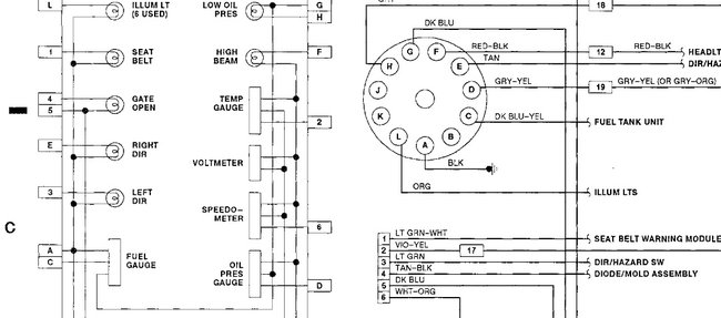
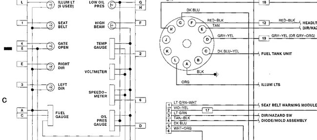
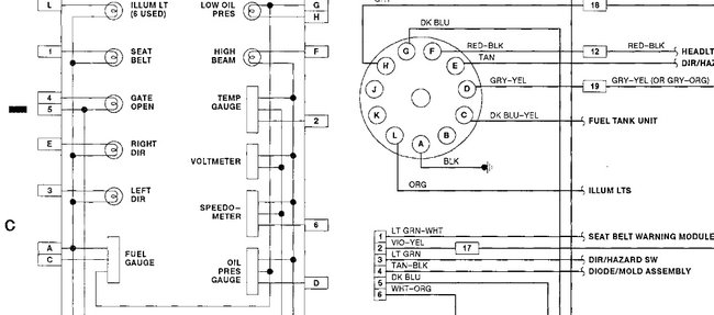
I recently replaced the fuel pump assembley (the whole unit -- pump, filter, float.) In my 1991 Dodge Ram 150 (318 engine). I replaced it because the truck stopped while driving and would not start afterwards. I dropped the fuel tank and simply removed the old unit and replaced it with a new unit by Master. I took care not to damage the float when inserting the new unit in the fuel tank. When completed the truck started but my fuel gauge does not work. Before I start the truck the needle my set about 1/4 tank and after cranking the needle will float behind empty where it remains. I think this was normal with the old pump but after cranking the needle would float to indicate the level of fuel in the tank. The fuel gauge worked with the old unit. I took the truck and filled it with gas hoping it would have some effect on the new float in the tank and make my fuel gauge start working but it still did not work. Is there something I should have done or should do before I lower the tank and replace the new unit with the assumption that it is defective?


