The transmission is a 400 turbo
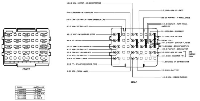
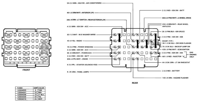
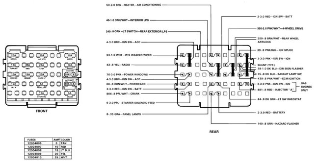
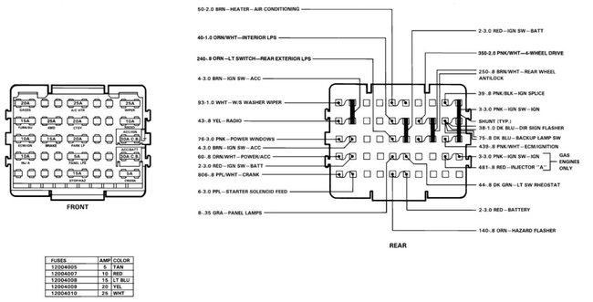
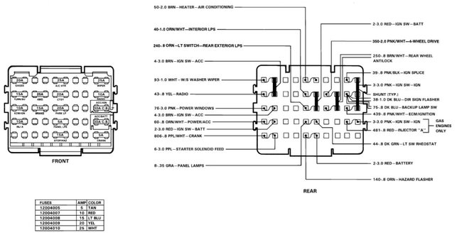
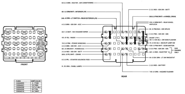
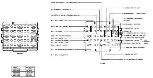
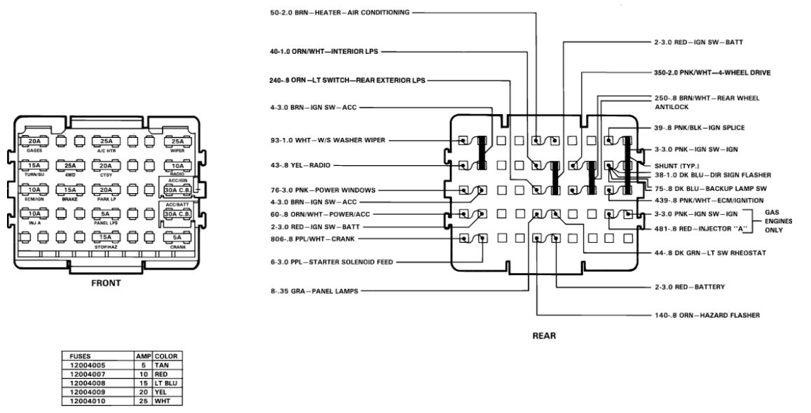
1. What amperage is the two battery fuses in the box under the steering column? It has a single wire running from the lower one. When tracing it, it runs to a cylinder under the dash.
2. My running, reverse and dash lights don't come on, everything else works as it should. Any ideas?
3. Installed a generic cigarette lighter into the ashtray, it doesn't work. What relay does it run on? I have the Hanes rebuild book and cant find it.
Thank you in advance for any help you can offer.
Thursday, September 10th, 2020 AT 10:13 PM






