4WD fuse keeps blowing

Tiny
1994CHEVY
  • MEMBER
  • 1994 CHEVROLET SILVERADO
  • V8
  • 4WD
  • AUTOMATIC
  • 156,000 MILES
When I attempt to engage 4x4 the fuse blows and wont allow it to lock it. What would cause that and how can I fix it?
Wednesday, February 20th, 2008 AT 5:23 PM

6 Replies

Tiny
MASTERTECHTIM
  • MECHANIC
  • 4,750 POSTS
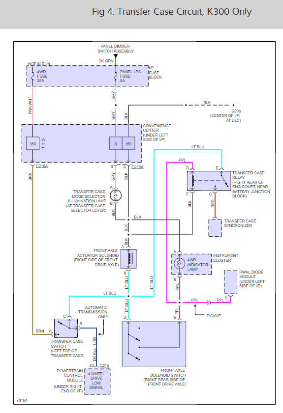
There is a transfer case switch located on the top left of the unit I would start there. Here is the wiring diagrams for the transfer case.

If the front differential actuator shorts out on these trucks. Try unplugging the 2 wire plug that goes to the front diff actuator and see if the fuse still blows, if it does not then you know the actuator is no good.

Check out the diagrams (Below)

Please let us know what you find. We are interested to see what it is.

Cheers
Was this
answer
helpful?
Yes
No
+7
Wednesday, October 31st, 2018 AT 6:28 PM
Tiny
1994CHEVY
  • MEMBER
  • 5 POSTS
The actuator is located on the front axle right?
Was this
answer
helpful?
Yes
No
+10
Wednesday, October 31st, 2018 AT 6:28 PM
Tiny
MASTERTECHTIM
  • MECHANIC
  • 4,750 POSTS
Yes its located on the front axle. It has 2 wires coming out of it. The actuator screws into the front diff, it has a huge 1 1/16 spot for a wrench or you can unscrew it with a big pair of channel locks.
Was this
answer
helpful?
Yes
No
+3
Wednesday, October 31st, 2018 AT 6:28 PM
Tiny
1994CHEVY
  • MEMBER
  • 5 POSTS
It was the switch once I replaced it the fuse stop blowing thanks for your help I love this site.
Was this
answer
helpful?
Yes
No
+3
Wednesday, October 31st, 2018 AT 6:28 PM
Tiny
MASTERTECHTIM
  • MECHANIC
  • 4,750 POSTS
They have since updated the part because of so many problems. The new kit comes with a wiring harness that has to be installed and I think it cost about $150-175 for parts. If you look around you might be able to find the exact one you have that will unscrew and plug right in for about $100
Was this
answer
helpful?
Yes
No
+1
Wednesday, October 31st, 2018 AT 6:28 PM
Tiny
SRG200159
  • MEMBER
  • 1 POST
Thanks you that fixed my 1994 chevy silverado!

2Carpros is the best!
Was this
answer
helpful?
Yes
No
Wednesday, October 31st, 2018 AT 6:28 PM

Please login or register to post a reply.